GM Service Manual Online
For 1990-2009 cars only
Makes
🢒
GMC_Truck
🢒
2007
🢒
Sierra - 2WD
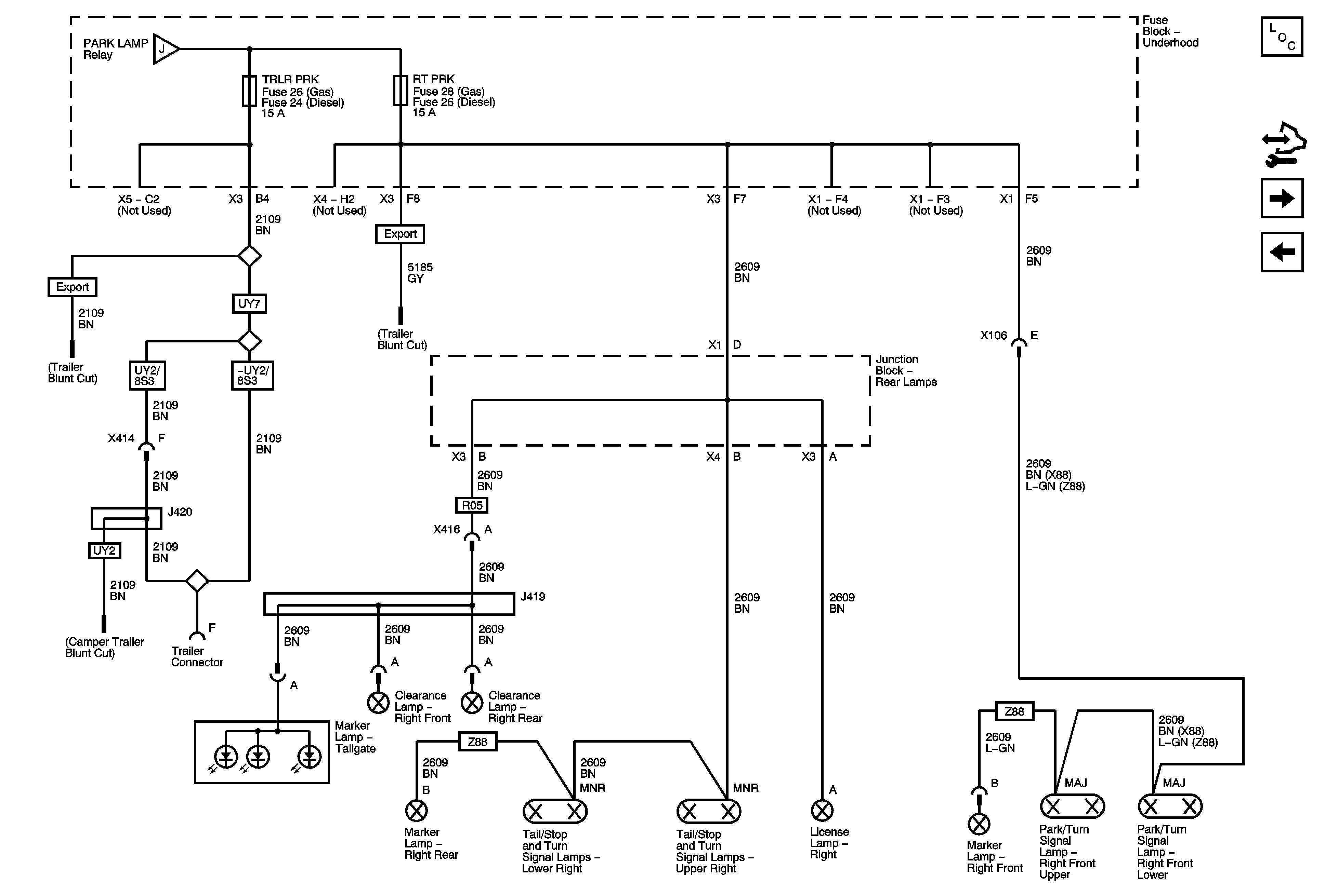
🢒 RT PRK and TRLR PRK Fuses
RT PRK and TRLR PRK Fuses
RT PRK and TRLR PRK Fuses
Master Electrical Component List
Control Module References
A/C CMPRSR, FRT WASH, FUEL PUMP, HORN, HTD MIR, REAR DEFOG and STRTR Fuses
LT PRK Fuse
LT PRK Fuse