GM Service Manual Online
For 1990-2009 cars only
Makes
🢒
GMC_Truck
🢒
2005
🢒
TopKick C-Series (Conventional) C4/C5
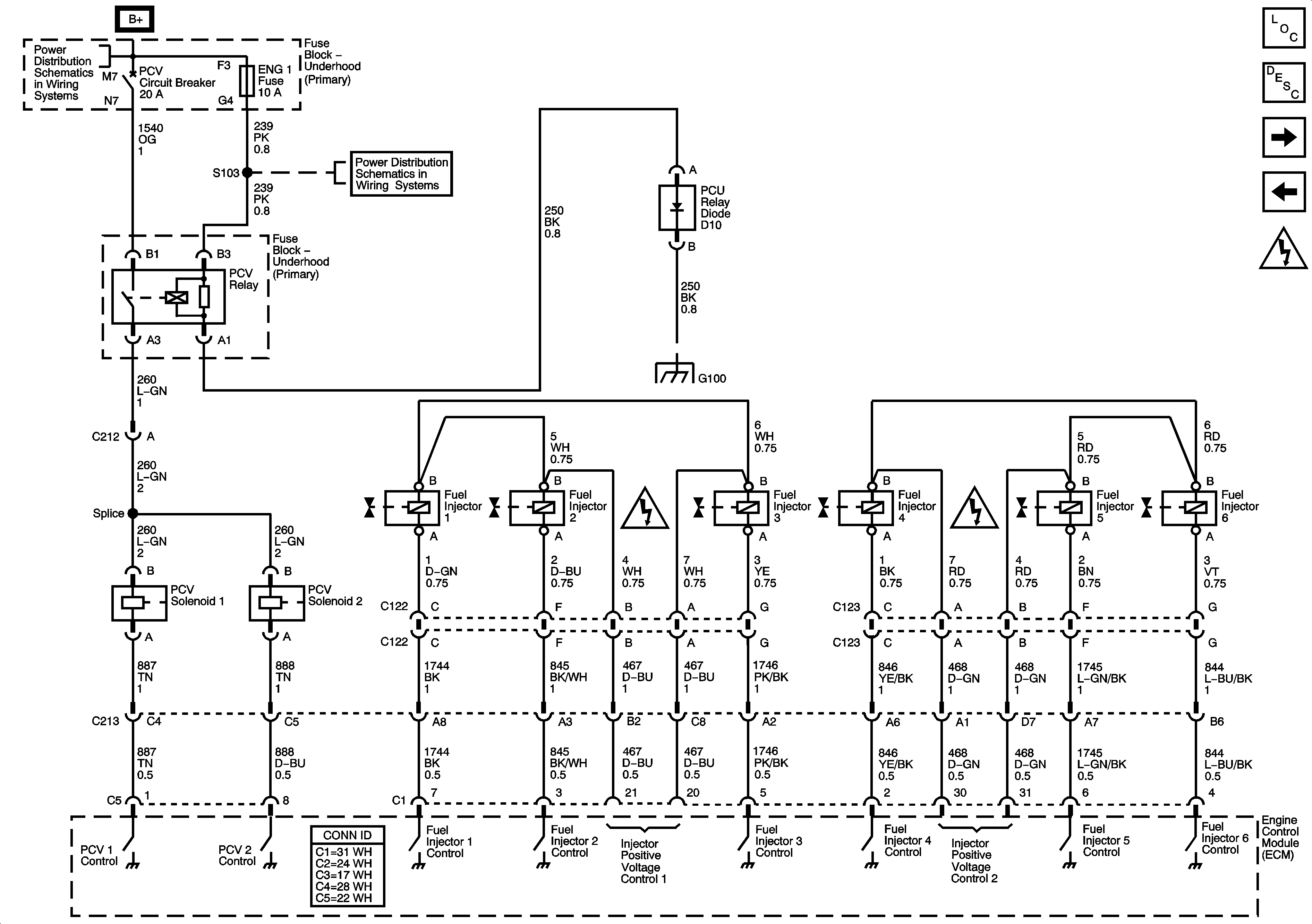
🢒 Fuel Controls - Fuel Injectors
Fuel Controls - Fuel Injectors
Fuel Controls - Fuel Injectors
Master Electrical Component List
Fuel System Description (Without RPO CTF)
Fuel Tank Senders
Engine Data Sensors - Pedal Position
Engine Controls Schematic Icons
FUEL Fuse/Circuit Breaker (L18/LB7), PCV Circuit Breaker (LG4), and ECM-B Circuit Breaker (LG5)
Underhood Fuse Block, ENG4 and ENG1 Fuses (LG4/LG5)