GM Service Manual Online
For 1990-2009 cars only
Makes
🢒
GMC_Truck
🢒
2005
🢒
TopKick C-Series (Conventional) C4/C5
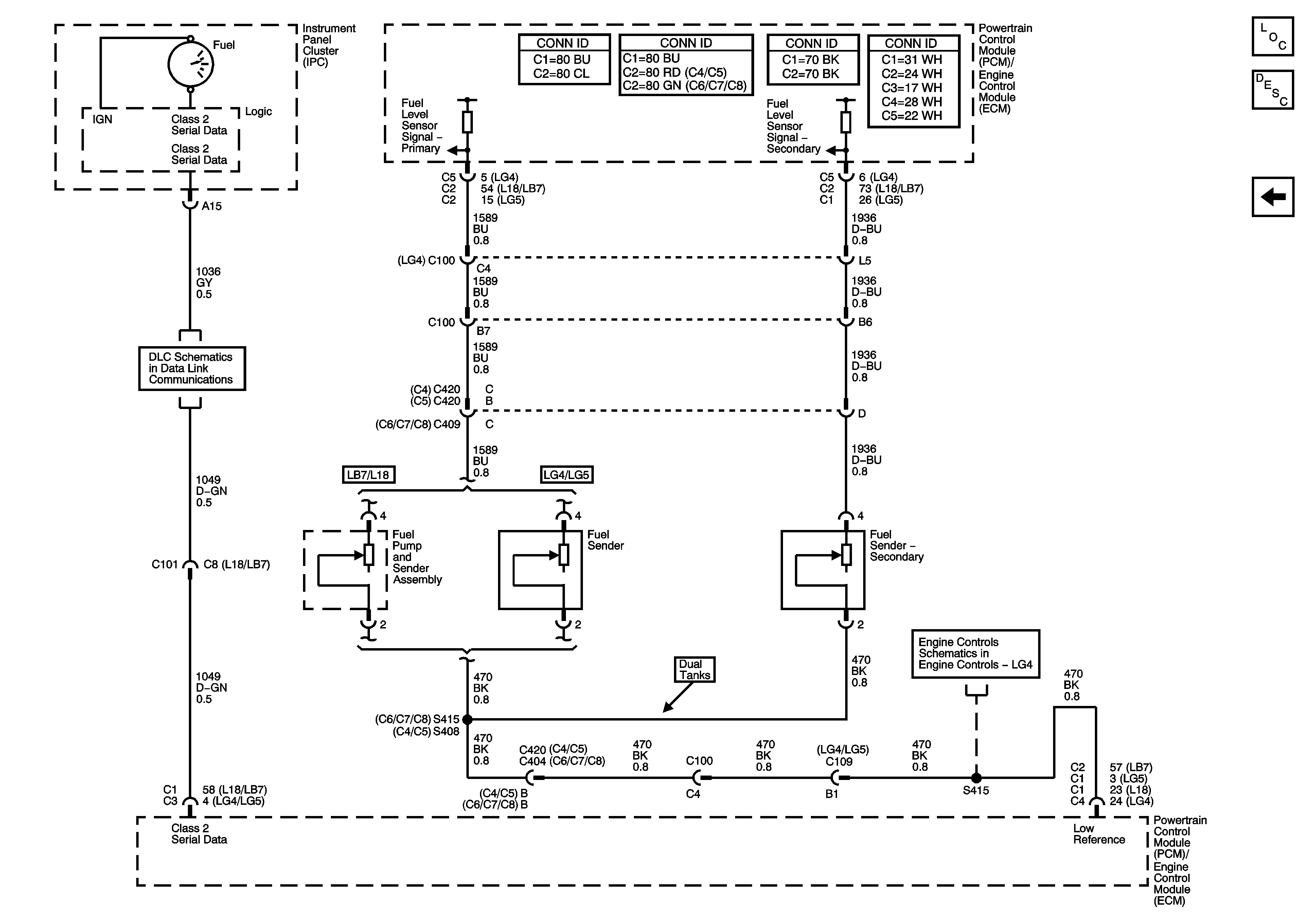
🢒 Fuel Tank Senders
Fuel Tank Senders
Fuel Tank Senders
Master Electrical Component List
Fuel System Description Without RPO CTF
Controlled/Monitored Subsystem Reference
Fuel Controls - Fuel Injectors
Engine Controls Schematic Icons