GM Service Manual Online
For 1990-2009 cars only
Makes
🢒
GMC_Truck
🢒
2004
🢒
TopKick C-Series (Conventional) C6/C7/C8
🢒 Blower Controls (C60)
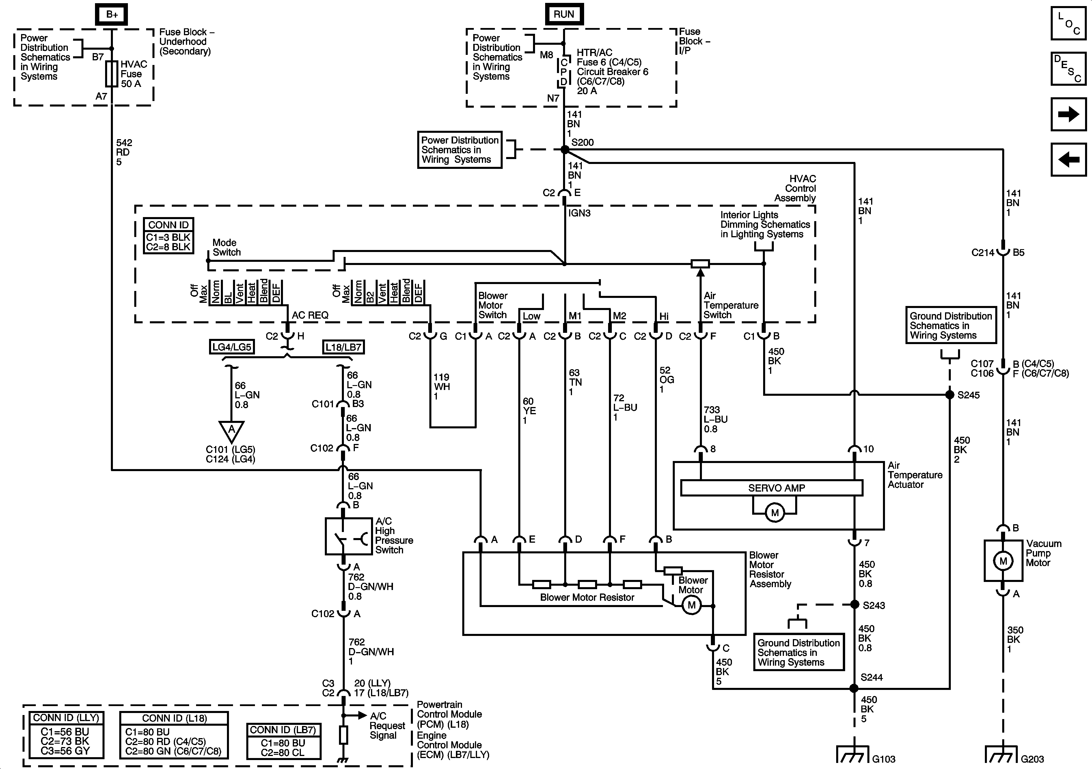
Blower Controls (C60)
Blower Controls (C60)
Master Electrical Component List
Air Delivery Description and Operation
A/C Compressor Controls (C60)
Heat Only
B+ Bus Bar
Ignition Switch - RUN and ACC/RUN Bus Bars
AXLE/4WD, BRAKE, CHASSIS, and HTR/AC Fuses/Circuit Breakers
Interior Dimming Lamps System
A/C Compressor Controls (C60)
G103 - 1 of 2, G105, and G106
G103 - 1 of 2, G105, and G106
G103 - 1 of 2, G105, and G106
G200, G202, and G203 - 1 of 4