GM Service Manual Online
For 1990-2009 cars only
Makes
🢒
GMC_Truck
🢒
2004
🢒
TopKick C-Series (Conventional) C6/C7/C8
🢒 Interior Dimming Lamps System
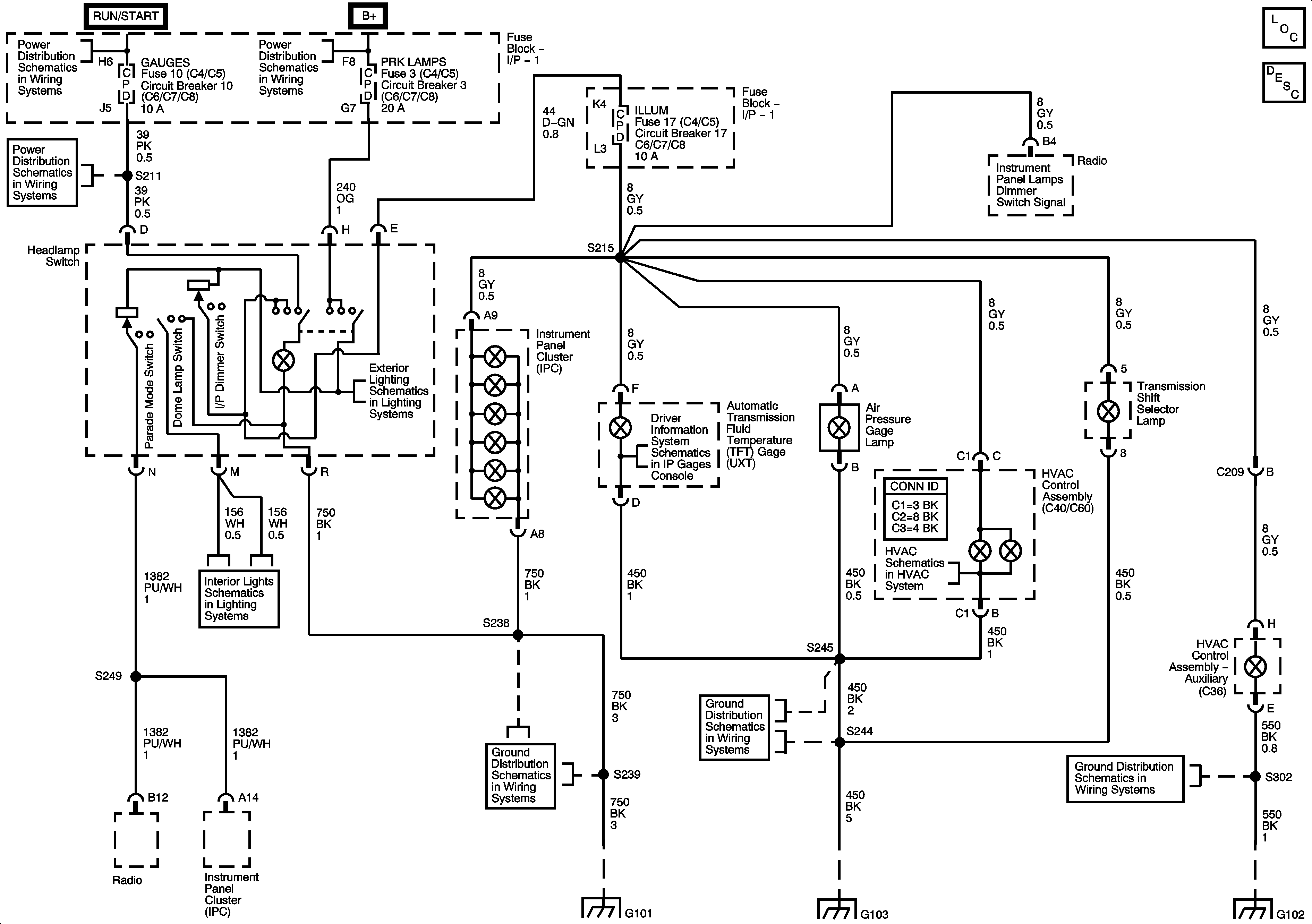
Interior Dimming Lamps System
Master Electrical Component List
Interior Lighting Systems Description and Operation
Ignition Switch - OFF/RUN/START, RUN/START and START Bus Bars
COURTESY, HVAC, ILLUM, LH PARK LP, LIGHTING, PARK, and RH PARK LP Fuses/Circuit Breakers - 1 of 2
GAUGES, L-RR TRUCK, R-RR TRUCK, and SIR Fuses/Circuit Breakers
Headlamps, Daytime Running Lamps (DRL)
Ground and Gages
Panel, Door Switches
Blower Controls (C60)
G101 - 1 of 2
G103 - 1 of 2, G105, and G106
G102 - 1 of 2
G101 - 1 of 2
G103 - 1 of 2, G105, and G106
G102 - 1 of 2