GM Service Manual Online
For 1990-2009 cars only
Makes
🢒
GMC_Truck
🢒
2000
🢒
Yukon Denali
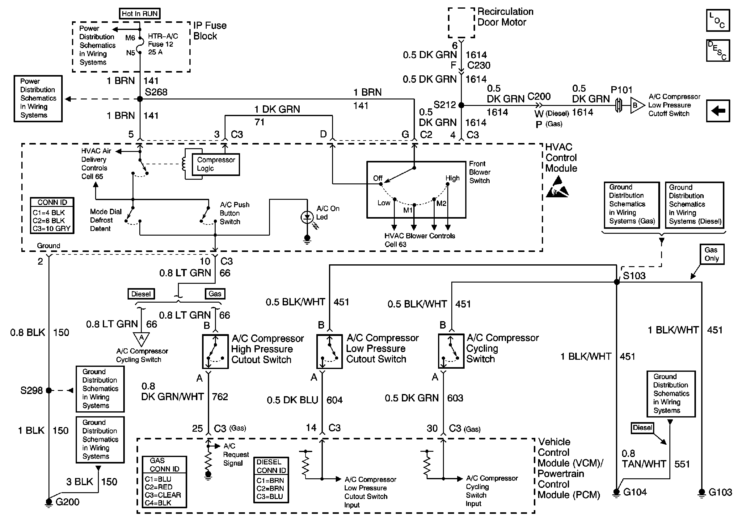
🢒 HVAC Control Module
HVAC Control Module
HVAC Control Module
Heater Blower Controls Components
HVAC Air Delivery/Temperature Control Circuit Description
A/C Compressor Clutch Relay
BRAKE and HTR-A/C Fuses
BRAKE and HTR-A/C Fuses
A/C Compressor Clutch Relay
Front Ventilation Controls (1 of 2)
Handling ESD Sensitive Parts Notice
G103 and G104
G104 Diesel
A/C Compressor Clutch Relay
G200 (4 of 4)
G200 (1 of 4)
G103 and G104