GM Service Manual Online
For 1990-2009 cars only
Makes
🢒
GMC_Truck
🢒
2000
🢒
Yukon Denali
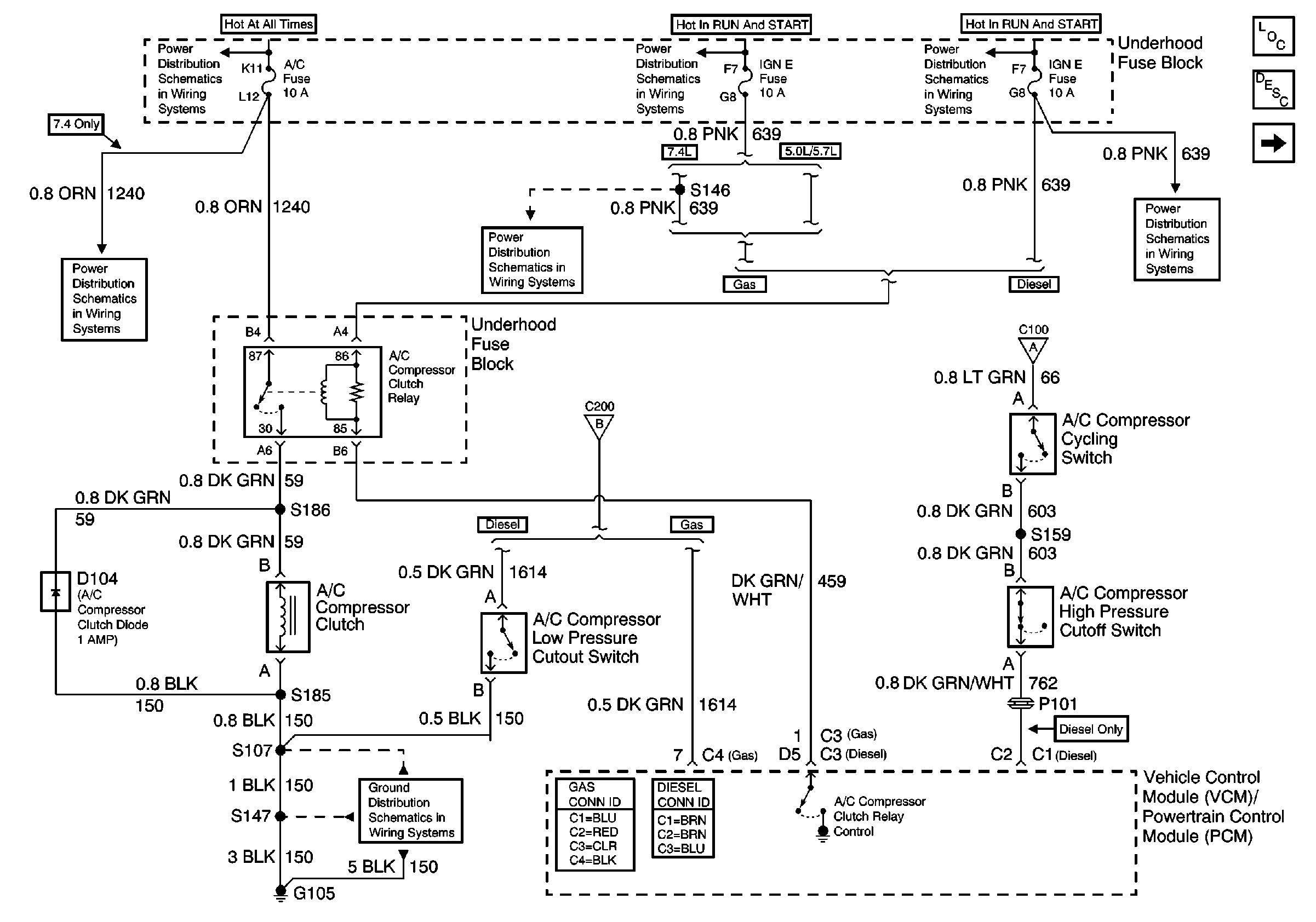
🢒 A/C Compressor Clutch Relay
A/C Compressor Clutch Relay
A/C Compressor Clutch Relay
Heater Blower Controls Components
HVAC Air Delivery/Temperature Control Circuit Description
HVAC Control Module
ECM-B, HORN and A/C COMP Fuses
ECM-B, HORN and A/C COMP Fuses
IGN E Fuse
IGN E Fuse
IGN E Fuse
HVAC Control Module
HVAC Control Module