GM Service Manual Online
For 1990-2009 cars only
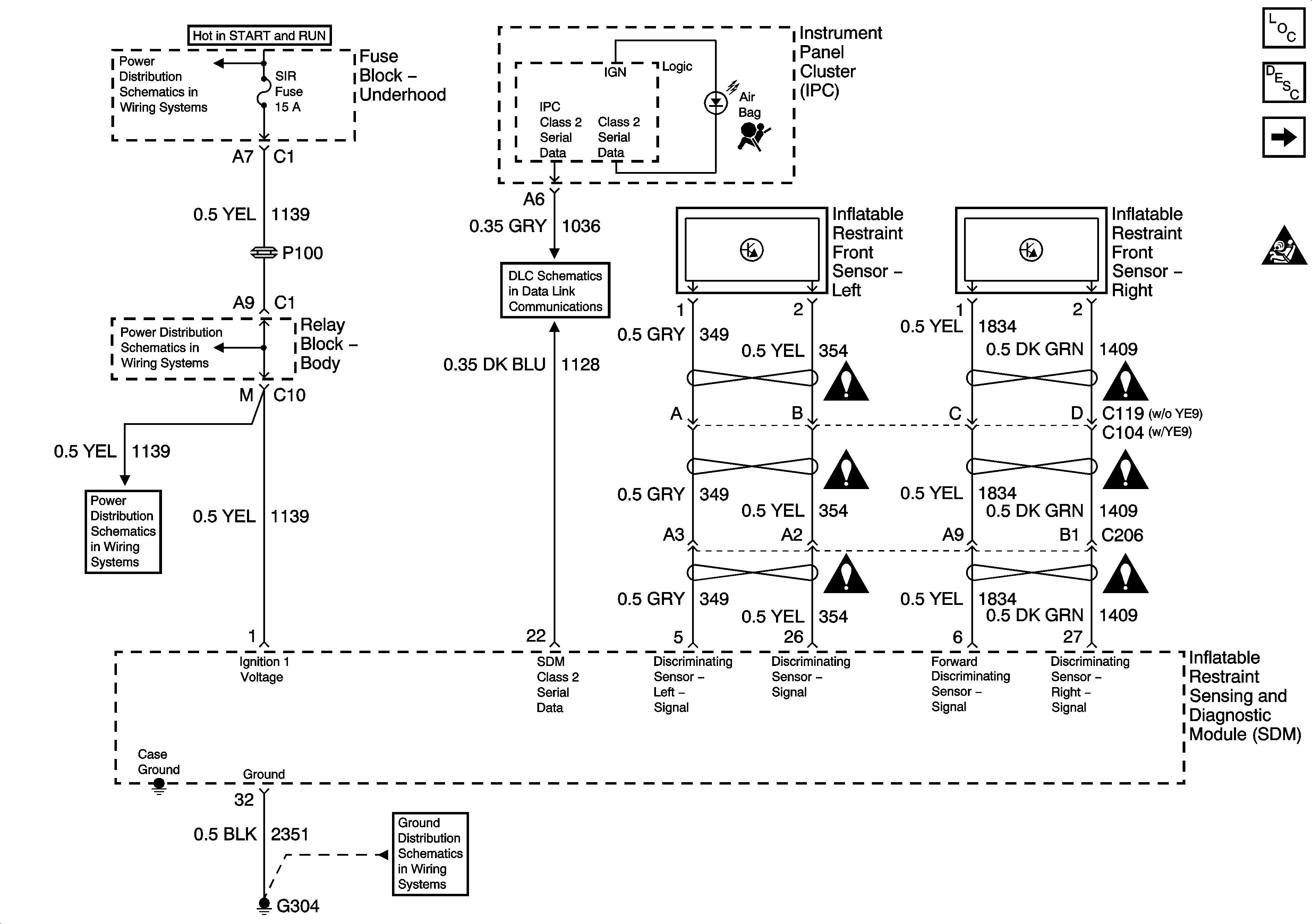
Figure 1:

Power, Ground, Class 2, and Front Impact Sensors


Object Number: 869320  Size: FS
Master Electrical Component List
SIR System Description and Operation
Driver and Passenger Air Bags
SIR Schematic Icons
LH HID, RT HID, PCM B, CRANK, HORN, SIR
LH HID, RT HID, PCM B, CRANK, HORN, SIR
LH HID, RT HID, PCM B, CRANK, HORN, SIR
SP206
G304, G305
Figure 2:

Driver and Passenger Airbags


Object Number: 869323  Size: FS
Master Electrical Component List
SIR System Description and Operation
Side Impact Sensors and Air Bags
Power, Ground, Class 2, and Front Impact Sensors
SIR Schematic Icons
Figure 3:

Side Impact Sensors and Air Bags


Object Number: 869325  Size: FS
Master Electrical Component List
SIR System Description and Operation
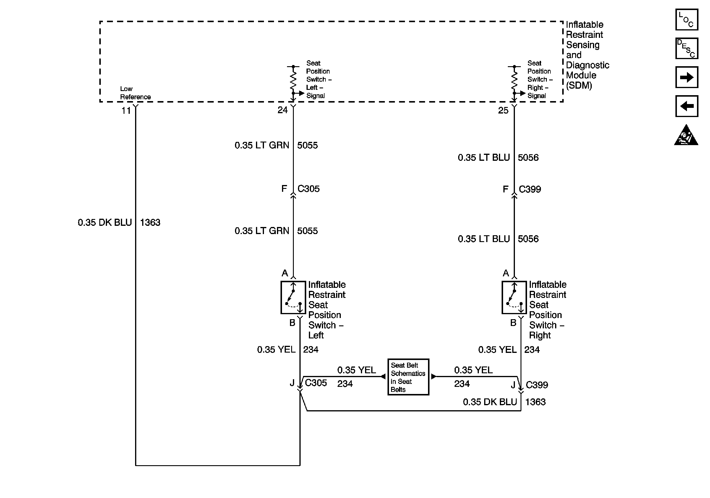
Seat Position Switches
Driver and Passenger Air Bags
SIR Schematic Icons
Figure 4:

Seat Position Switches


Object Number: 869327  Size: FS
Master Electrical Component List
SIR System Description and Operation
Side Impact Sensors and Air Bags
Passenger Presence Schematics - 1 of 2
SIR Schematic Icons
Seat Belt Schematics
Figure 5:

Passenger Presence Schematics - 1 of 2


Object Number: 869332  Size: FS
Master Electrical Component List
SIR System Description and Operation
Passenger Presence Schematics - 2 of 2
Seat Position Switches
SIR Schematic Icons
LH HID, RT HID, PCM B, CRANK, HORN, SIR
LH HID, RT HID, PCM B, CRANK, HORN, SIR
Power, Outside Air Temp, and Light Sensors
G304, G305
Figure 6:

Passenger Presence Schematics - 2 of 2


Object Number: 869333  Size: FS
Master Electrical Component List
SIR System Description and Operation
Passenger Presence Schematics - 1 of 2
SIR Schematic Icons