GM Service Manual Online
For 1990-2009 cars only
Figure 1:

Driver Door Lock Controls


Object Number: 855826  Size: FS
Master Electrical Component List
Power Door Locks Description and Operation
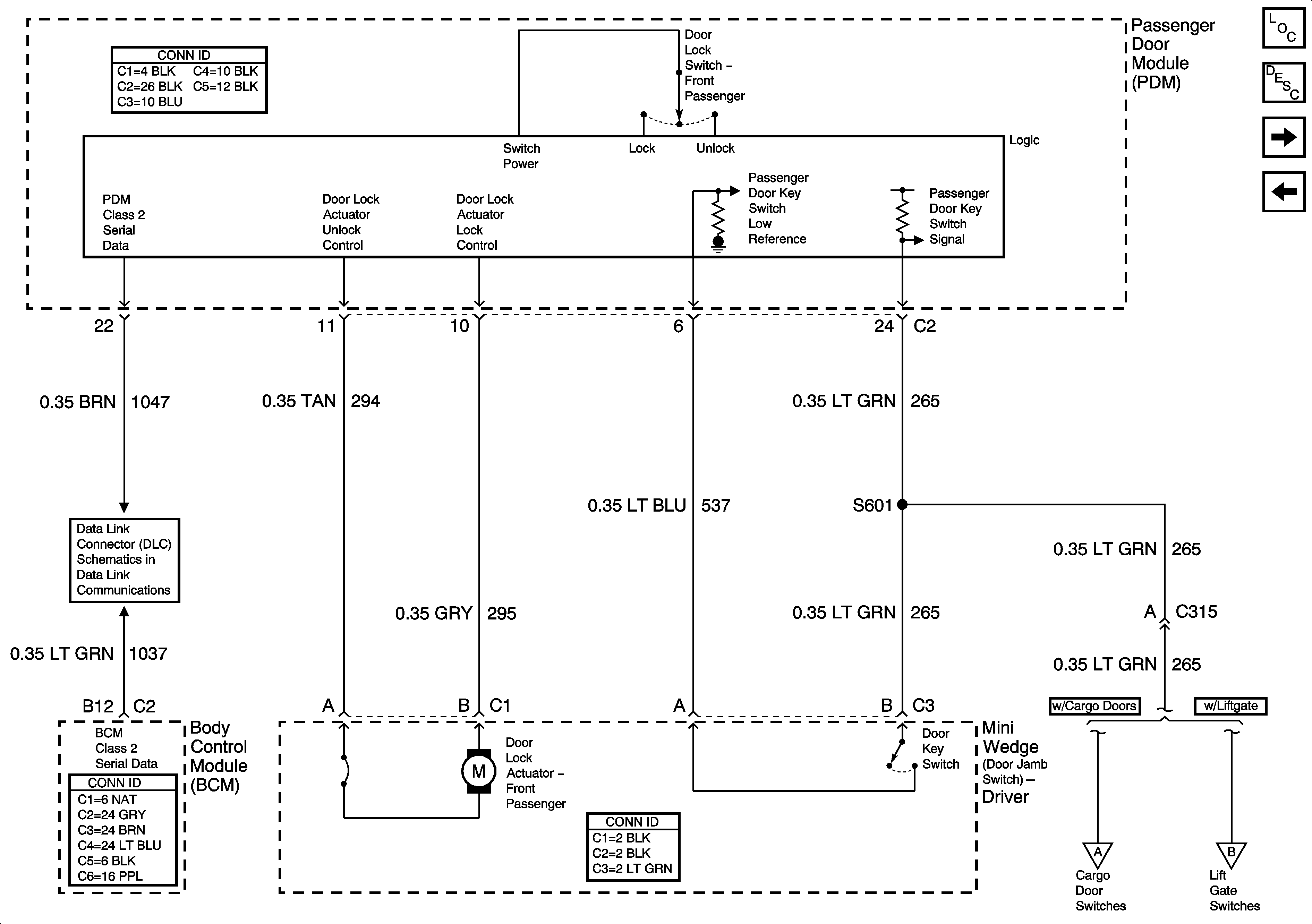
Front Passenger Door Lock Controls
SP205 - 1 of 2
Figure 2:

Front Passenger Door Lock Controls


Object Number: 855828  Size: FS
Master Electrical Component List
Power Door Locks Description and Operation
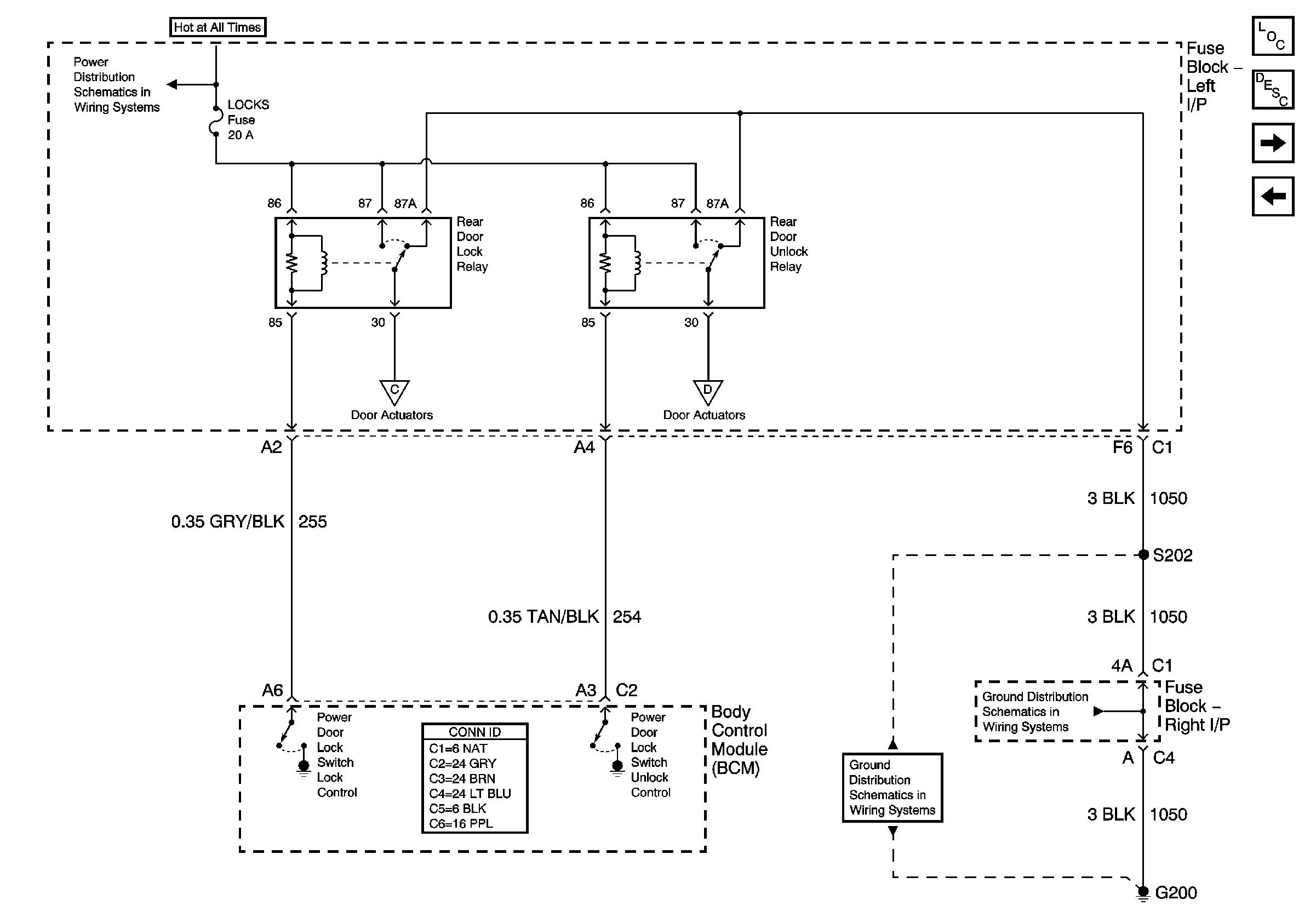
Door Lock Relay Controls
Driver Door Lock Controls
SP205 - 1 of 2
Rear Key Switches
Rear Key Switches
Figure 3:

Door Lock Relay Controls


Object Number: 855830  Size: FS
Master Electrical Component List
Power Door Locks Description and Operation
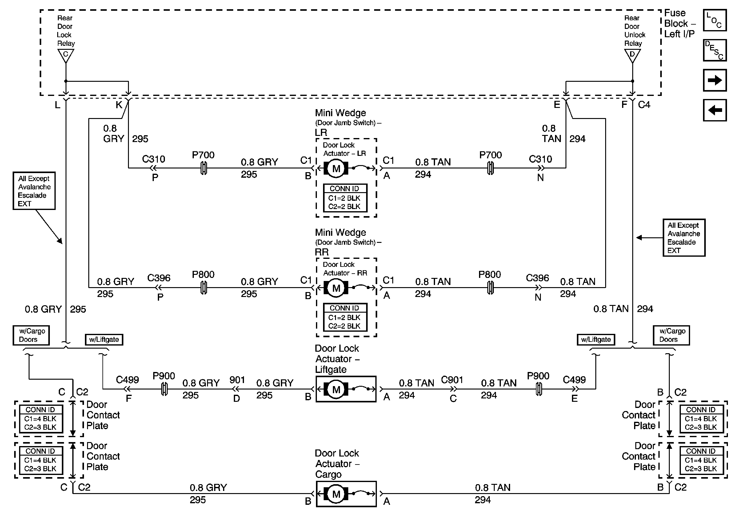
Rear Door Lock Actuators
Front Passenger Door Lock Controls
FLASH
Rear Door Lock Actuators
Rear Door Lock Actuators
G200 - 1 of 3
G200 - 1 of 3
Figure 4:

Rear Door Lock Actuators


Object Number: 855832  Size: FS
Master Electrical Component List
Power Door Locks Description and Operation
Rear Key Switches
Door Lock Relay Controls
Door Lock Relay Controls
Door Lock Relay Controls
Figure 5:

Rear Key Switches and Rear Cargo Door Lock Switch


Object Number: 855833  Size: FS
Master Electrical Component List
Power Door Locks Description and Operation
Rear Door Lock Actuators
Front Passenger Door Lock Controls
Front Passenger Door Lock Controls
G410 - 3 Of 3
G410 - 2 Of 3
G410 - 1 Of 3