GM Service Manual Online
For 1990-2009 cars only
Makes
🢒
GMC_Truck
🢒
2003
🢒
Yukon - 2WD
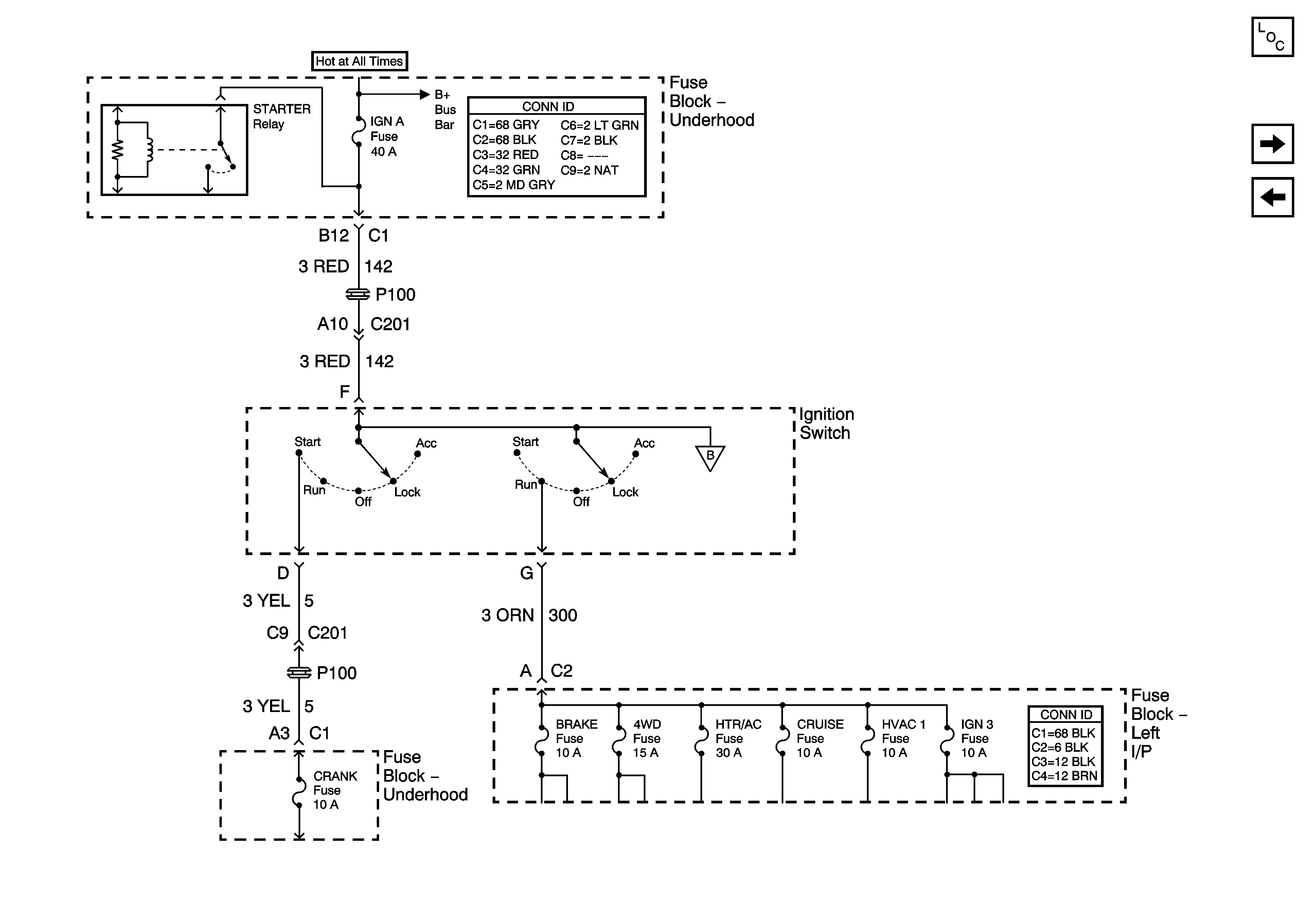
🢒 Ignition, Run and Start Bus Bar
Ignition, Run and Start Bus Bar
Ignition, Run and Start Bus Bar
Master Electrical Component List
Ignition, Run, Start, Accy Bus Bar
B+ Bus Bar - 2 of 2
B+ Bus Bar - 1 of 2
Ignition, Run, Start, Accy Bus Bar