GM Service Manual Online
For 1990-2009 cars only
Makes
🢒
GMC_Truck
🢒
2003
🢒
Yukon - 2WD
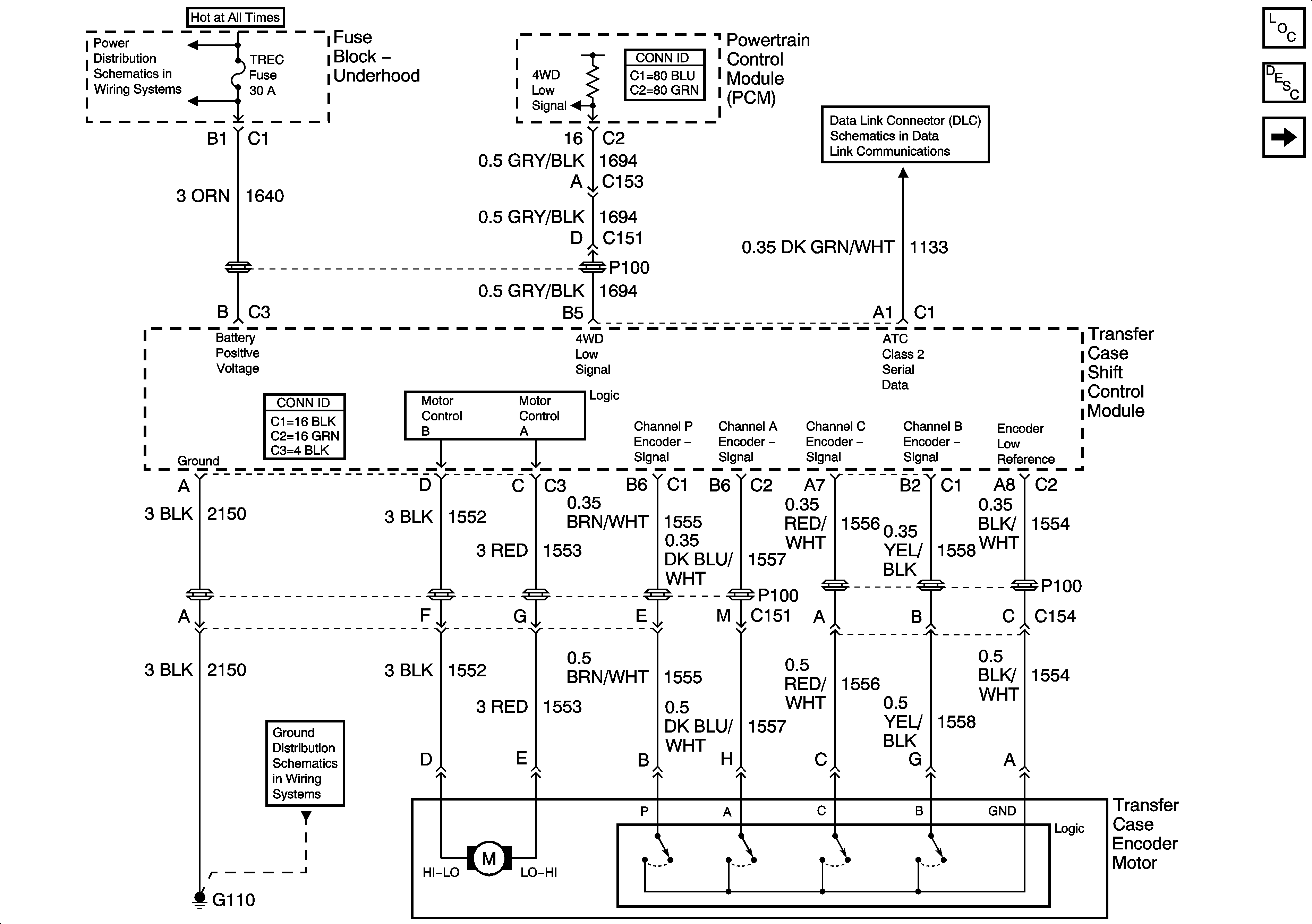
🢒 Power, Ground and Encoder Motor
Power, Ground and Encoder Motor
Power, Ground and Encoder Motor
Master Electrical Component List
Transfer Case Description and Operation
Switch Inputs
HVAC/ECAS, RR HVAC, BLOWER, RR DEFOG, STOP LP, TREC
SP205 - 1 of 2
G110