GM Service Manual Online
For 1990-2009 cars only
Makes
🢒
GMC_Truck
🢒
2003
🢒
Yukon - 2WD
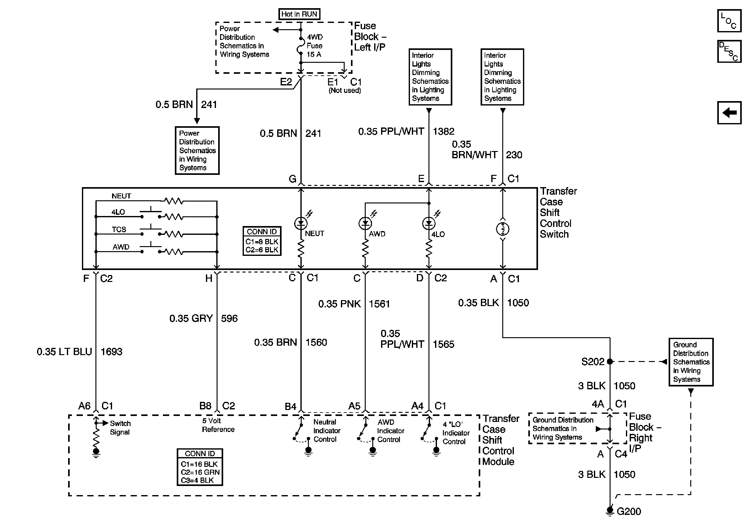
🢒 Switch Inputs
Switch Inputs
Switch Inputs
Master Electrical Component List
Transfer Case Description and Operation
Power, Ground and Encoder Motor
BRAKE, HTR/AC, HVAC I, CRUISE, 4WD
LED Dimming Supply Voltage - 2 of 2
I/P Dimming Supply Voltage - 4 of 7
G200 - 1 of 3
G200 - 1 of 3