GM Service Manual Online
For 1990-2009 cars only
Makes
🢒
GMC_Truck
🢒
2003
🢒
Yukon - 2WD
🢒 1 of 2
1 of 2
1 of 2
Master Electrical Component List
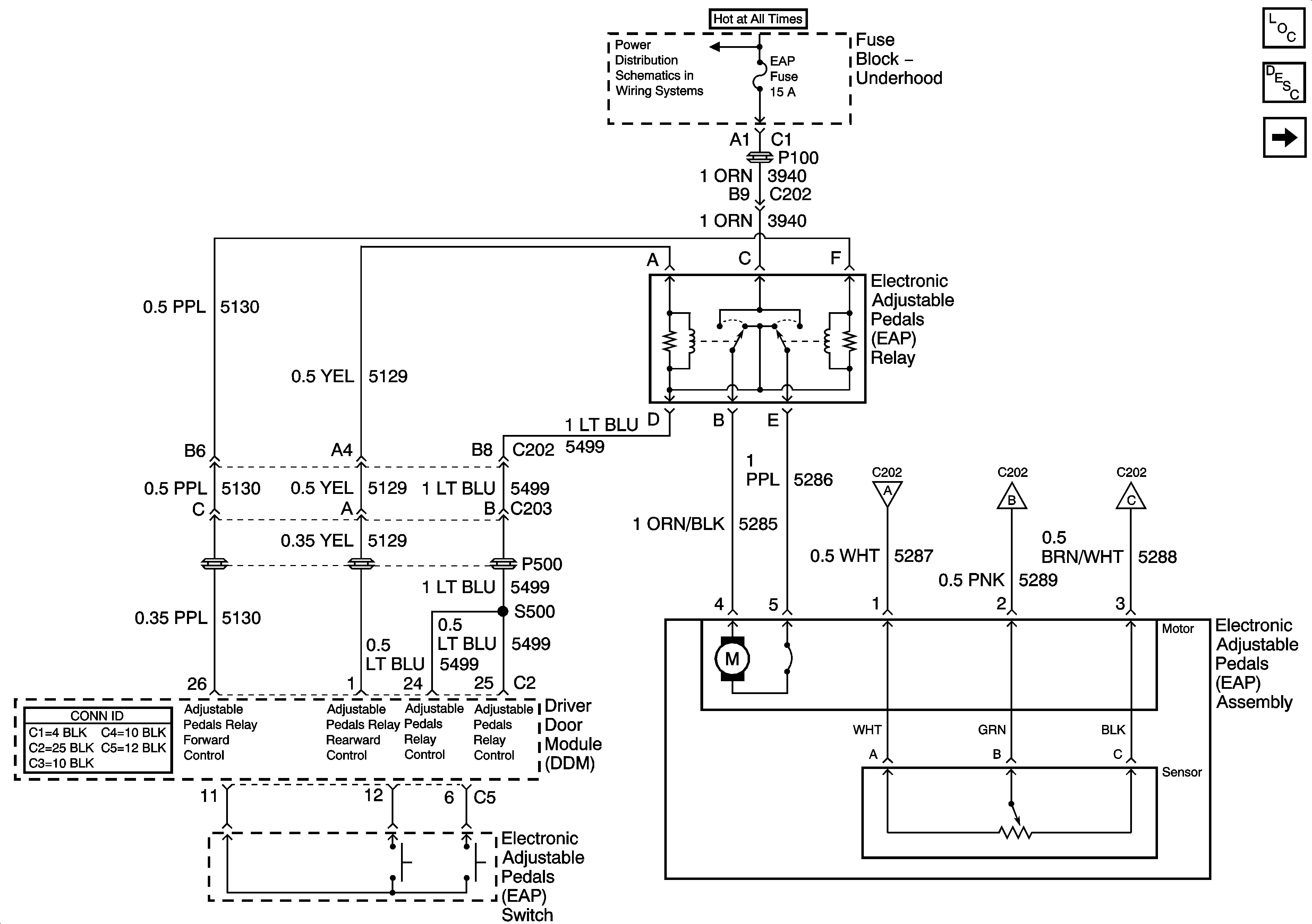
Adjustable Pedals Description and Operation
2 of 2
B+ Bus Bar - 1 of 2
2 of 2