GM Service Manual Online
For 1990-2009 cars only
Makes
🢒
GMC_Truck
🢒
2003
🢒
Yukon - 2WD
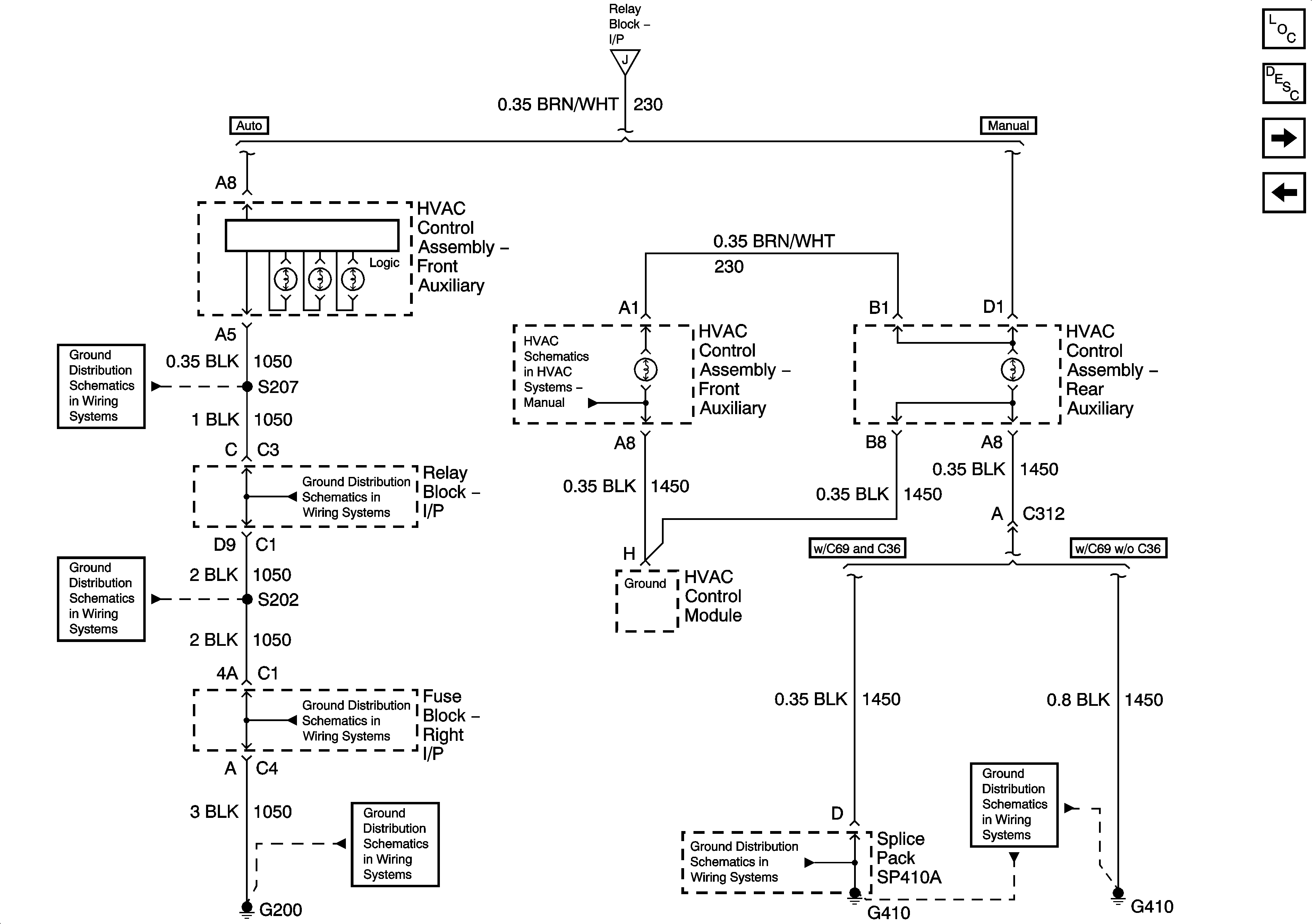
🢒 I/P Dimming Supply Voltage - 6 of 7
I/P Dimming Supply Voltage - 6 of 7
I/P Dimming Supply Voltage - 6 of 7
Master Electrical Component List
Interior Lighting Systems Description and Operation
I/P Dimming Supply Voltage - 7 of 7
I/P Dimming Supply Voltage - 5 of 7
I/P Dimming Supply Voltage - 5 of 7
G200 - 3 Of 3
G200 - 3 Of 3
G200 - 1 of 3
G200 - 1 of 3
G200 - 1 of 3
Auxiliary HVAC w/Heat and A/C - 2 of 3
G410 - 1 Of 3
G410 - 1 Of 3