GM Service Manual Online
For 1990-2009 cars only
Makes
🢒
GMC_Truck
🢒
2003
🢒
Yukon - 2WD
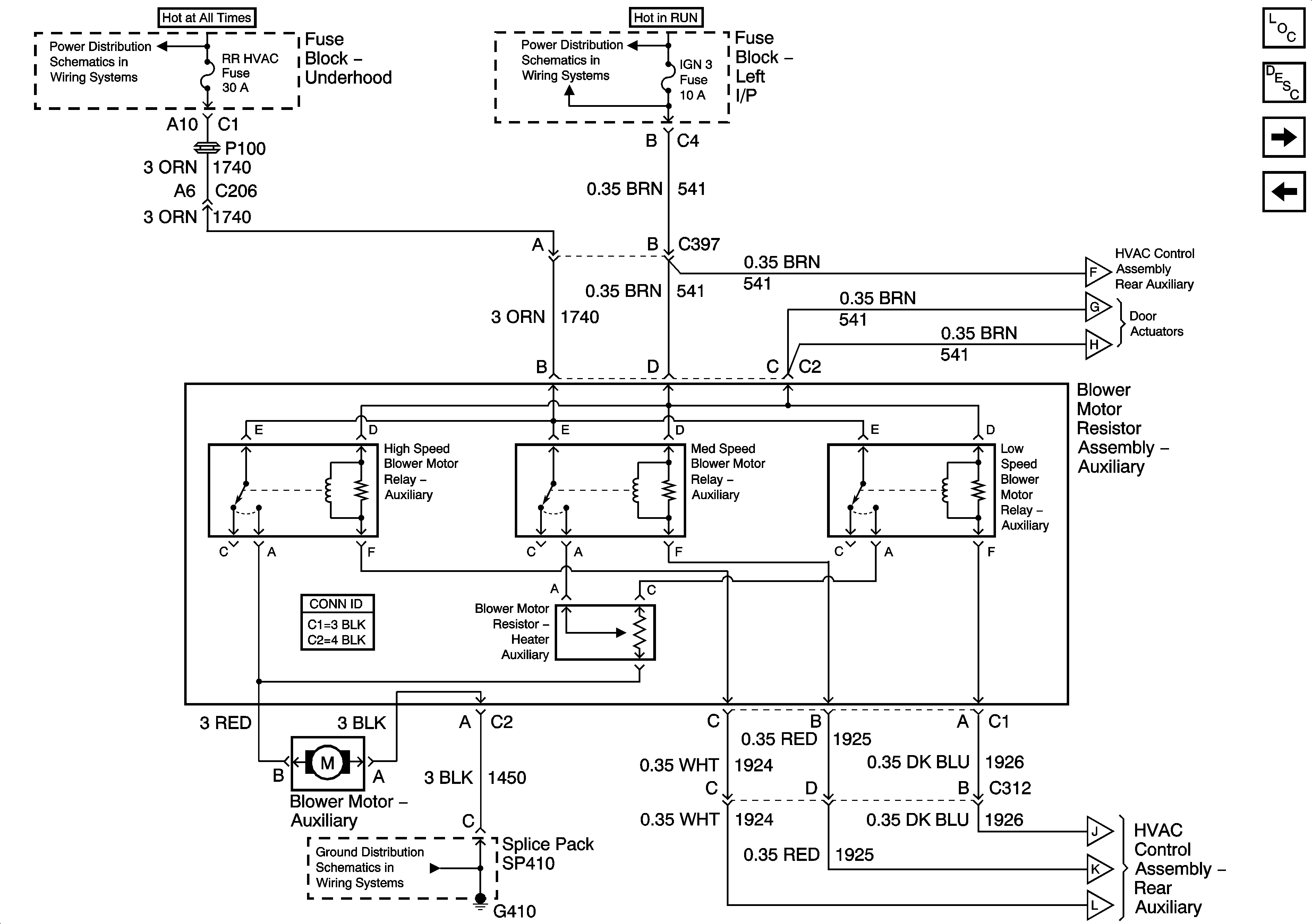
🢒 Auxiliary HVAC w/Heat and A/C - 1 of 3
Auxiliary HVAC w/Heat and A/C - 1 of 3
Auxiliary HVAC w/ Heat and A/C - 1 of 3
Master Electrical Component List
Air Delivery Description and Operation
Auxiliary HVAC w/Heat and A/C - 2 of 3
Mode and Recirculation Door Controls
HVAC/ECAS, RR HVAC, BLOWER, RR DEFOG, STOP LP, TREC
IGN 3
Auxiliary HVAC w/Heat and A/C - 3 of 3
Auxiliary HVAC w/Heat and A/C - 3 of 3
Auxiliary HVAC w/Heat and A/C - 3 of 3
G410 - 1 Of 3
Auxiliary HVAC w/Heat and A/C - 2 of 3