GM Service Manual Online
For 1990-2009 cars only
Makes
🢒
GMC_Truck
🢒
2003
🢒
Yukon - 2WD
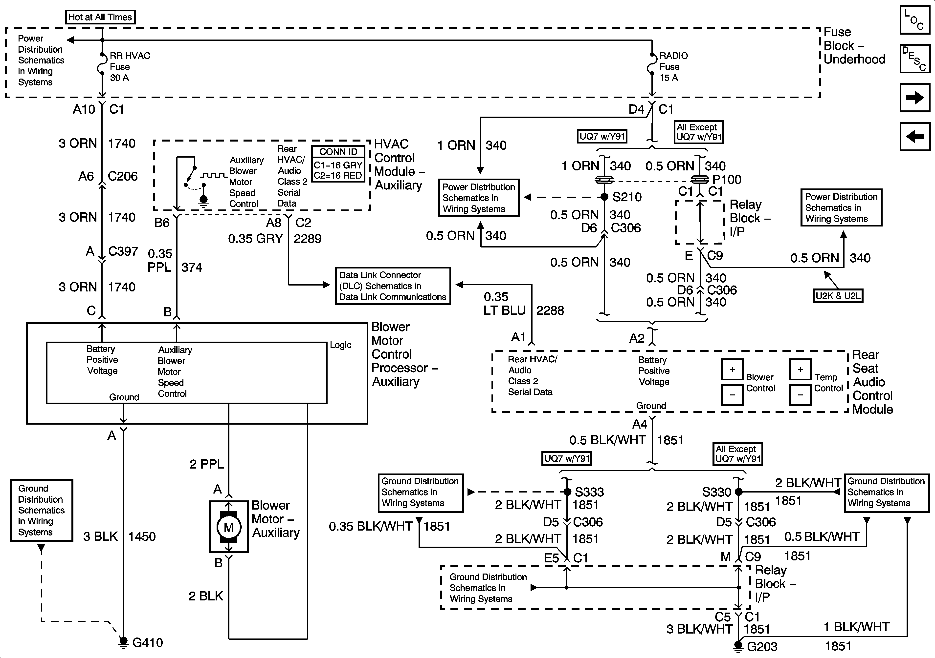
🢒 Auxiliary HVAC Controls - 3 of 3
Auxiliary HVAC Controls - 3 of 3
Auxiliary HVAC Controls - 3 of 3
Master Electrical Component List
Air Delivery Description and Operation
Auxiliary Temperature Sensors
Auxiliary HVAC Controls - 2 of 3
HVAC/ECAS, RR HVAC, BLOWER, RR DEFOG, STOP LP, TREC
RADIO, RADIO AMP, 4WS
RADIO, RADIO AMP, 4WS
SP206
G203 - 1 Of 2
G203 - 1 Of 2
G410 - 1 Of 3
G203 - 1 Of 2