GM Service Manual Online
For 1990-2009 cars only
Makes
🢒
GMC_Truck
🢒
2003
🢒
Yukon - 2WD
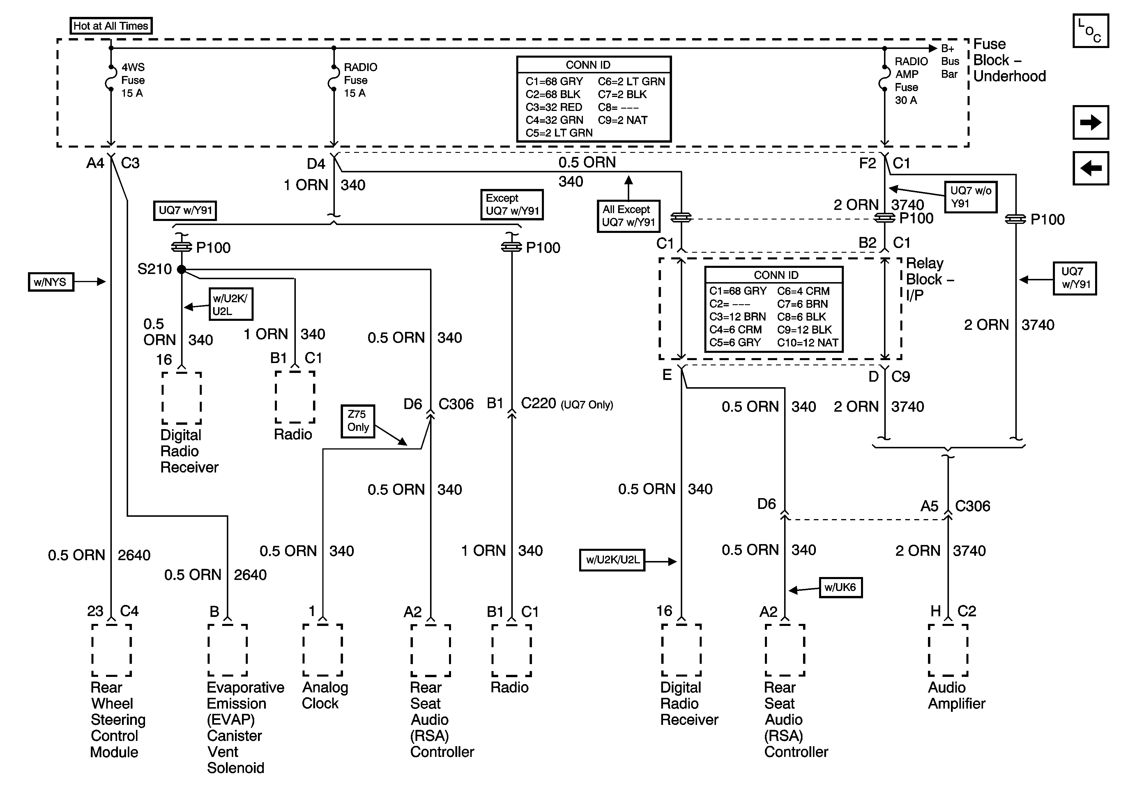
🢒 RADIO, RADIO AMP, 4WS
RADIO, RADIO AMP, 4WS
4WS, RADIO, RADIO AMP
Master Electrical Component List
INFO, CGR LTR
ABS, VSES/ECAS, STUD #1, STUD #2, TBC BATT
B+ Bus Bar - 1 of 2