GM Service Manual Online
For 1990-2009 cars only
Makes
🢒
GMC_Truck
🢒
2003
🢒
Yukon - 2WD
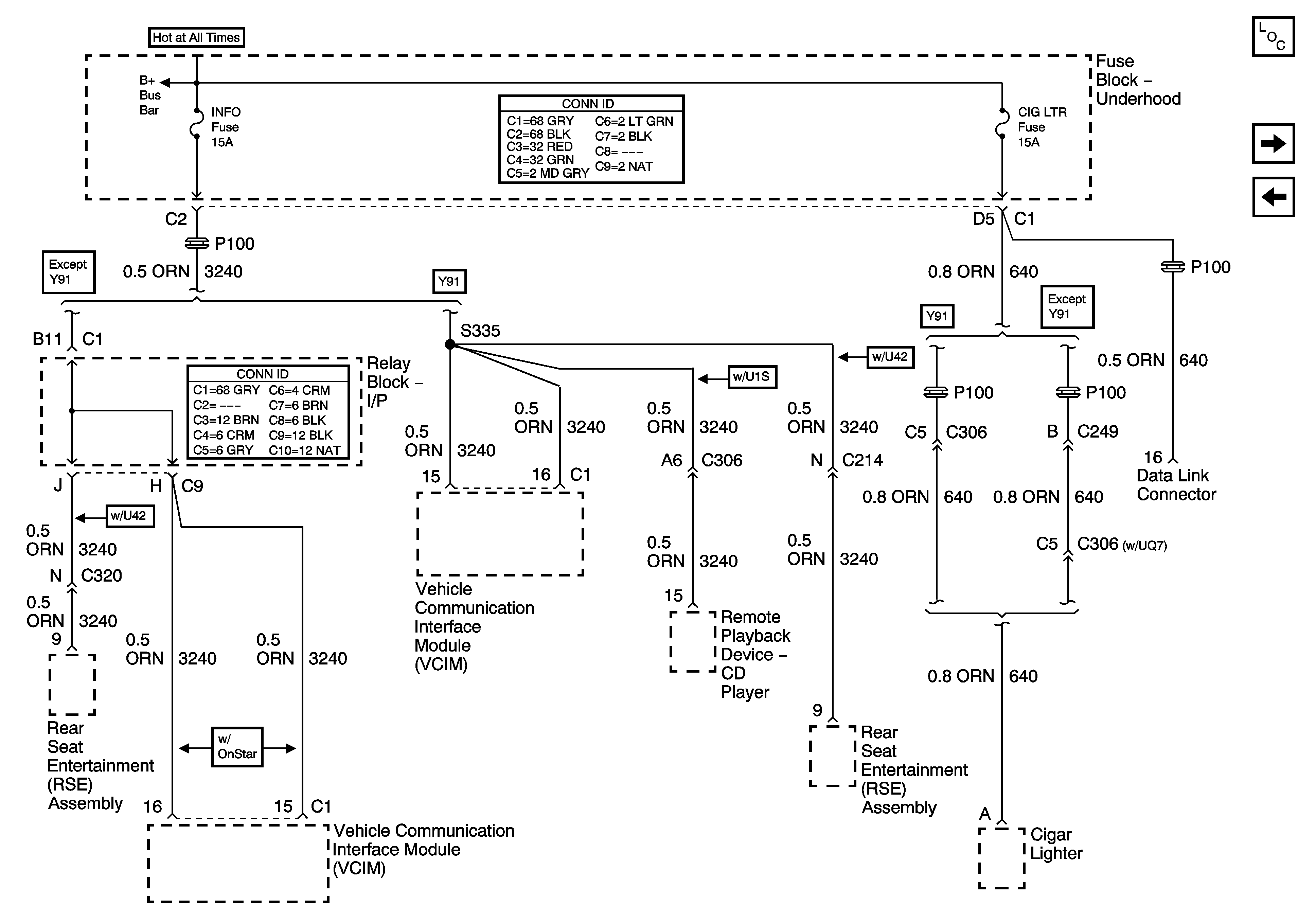
🢒 INFO, CGR LTR
INFO, CGR LTR
INFO, CIG LTR
Master Electrical Component List
RTD, RR WPR, EAP, SUNROOF, IPC/DIC, SEO B1
RADIO, RADIO AMP, 4WS
B+ Bus Bar - 1 of 2