GM Service Manual Online
For 1990-2009 cars only
Makes
🢒
GMC_Truck
🢒
2003
🢒
Yukon - 2WD
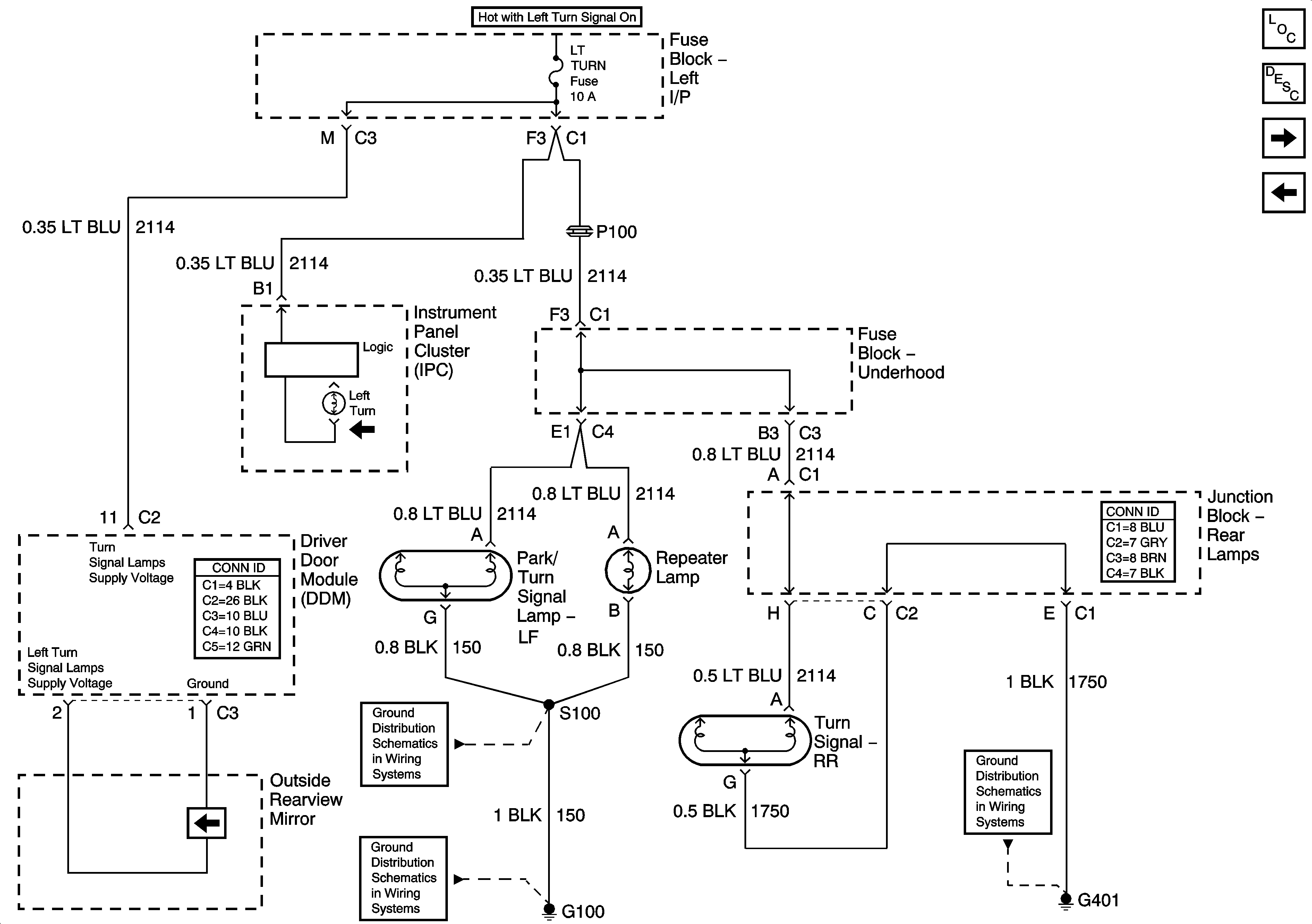
🢒 Left Turn Signals - Export
Left Turn Signals - Export
Left Turn Signals - Export
Master Electrical Component List
Exterior Lighting Systems Description and Operation
Right Turn Signals - Domestic
Left Turn Signal - Domestic
S100 - Export
G100, G101, G105, G106
G401, G402, G403