GM Service Manual Online
For 1990-2009 cars only
Makes
🢒
GMC_Truck
🢒
2003
🢒
Yukon - 2WD
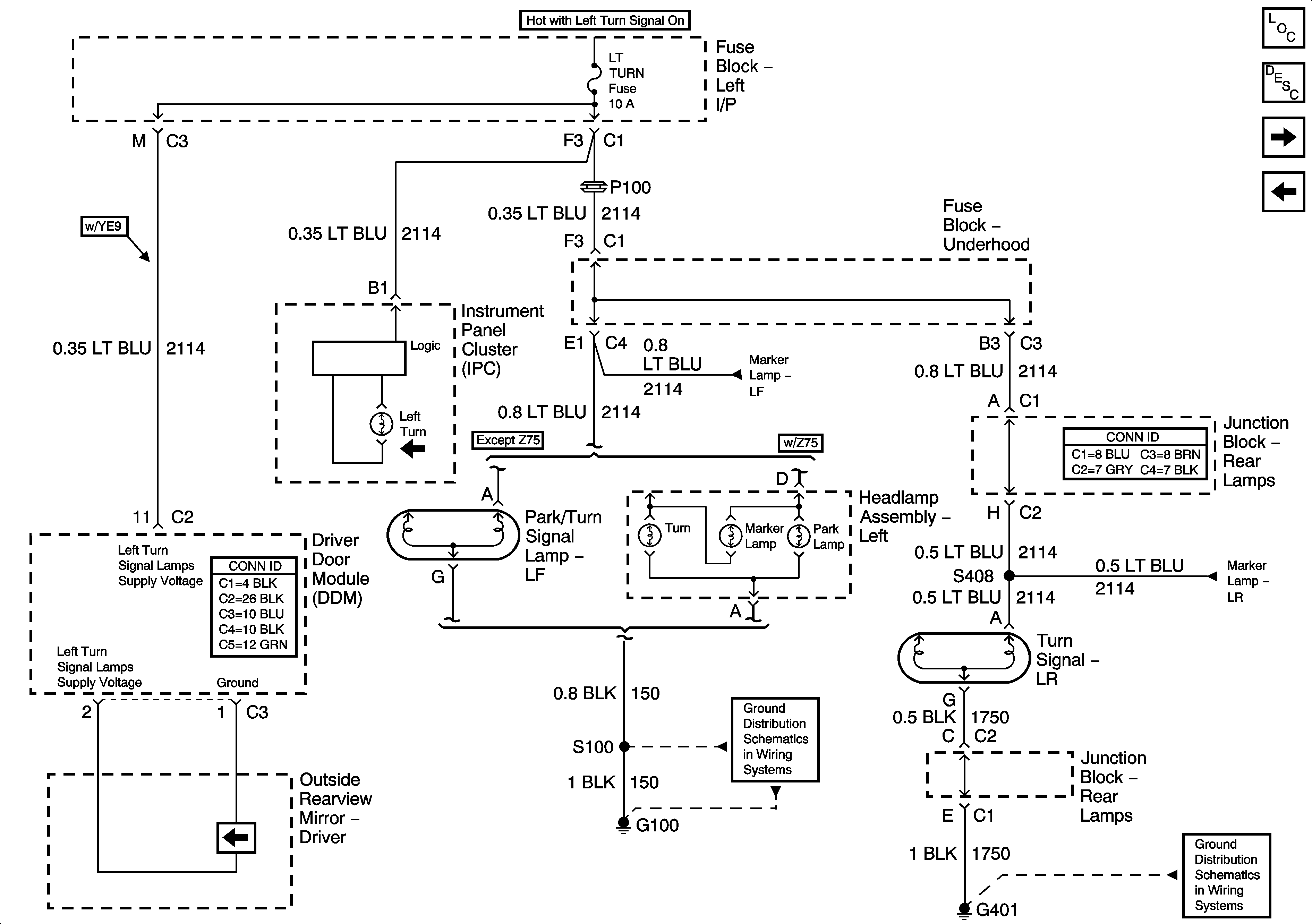
🢒 Left Turn Signal - Domestic
Left Turn Signal - Domestic
Left Turn Signals - Domestic
Master Electrical Component List
Exterior Lighting Systems Description and Operation
Left Turn Signals - Export
Turn Signal Multifunction
Left Rear Park Lamps
Left Rear Park Lamps
G100, G101, G105, G106
G401, G402, G403