GM Service Manual Online
For 1990-2009 cars only
Makes
🢒
GMC_Truck
🢒
2003
🢒
Yukon - 2WD
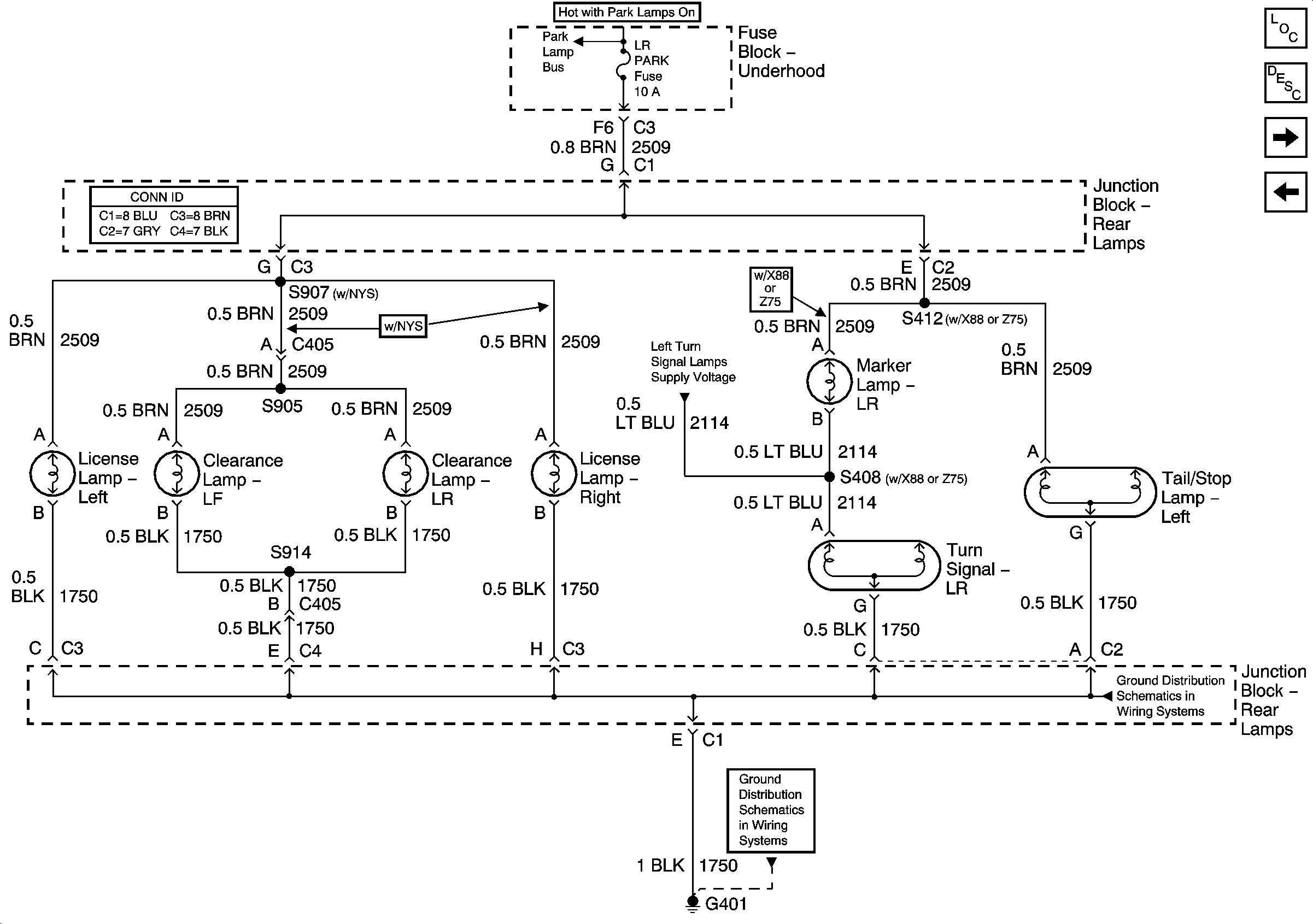
🢒 Left Rear Park Lamps
Left Rear Park Lamps
Left Rear Park Lamps
Master Electrical Component List
Exterior Lighting Systems Description and Operation
Stop Lamps
Right Rear Park Lamps
Park Lamp Relay - Domestic
Left Turn Signal - Domestic
G401, G402, G403
G401, G402, G403