GM Service Manual Online
For 1990-2009 cars only
Makes
🢒
GMC_Truck
🢒
2003
🢒
Yukon - 2WD
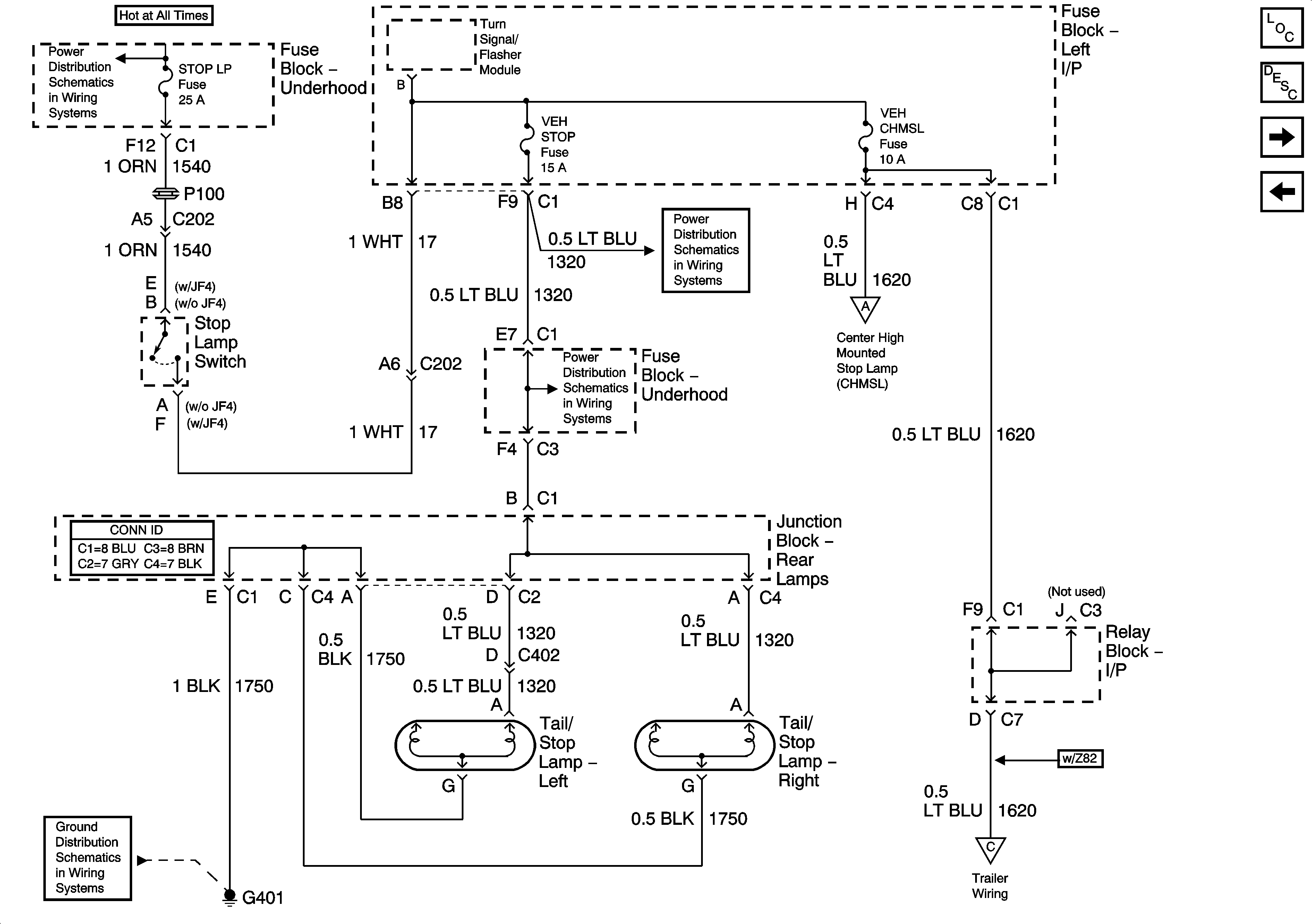
🢒 Stop Lamps
Stop Lamps
Stop Lamps - 1 of 2
Master Electrical Component List
Exterior Lighting Systems Description and Operation
Stop Lamps - 2 of 2
Trailer Wiring
Left Rear Park Lamps
B+ Bus Bar - 1 of 2
VEH CHMSL, VEH STOP, LT TRL ST/TRN, RT TRL ST/TRN
VEH CHMSL, VEH STOP, LT TRL ST/TRN, RT TRL ST/TRN
Stop Lamps - 2 of 2
G401, G402, G403