GM Service Manual Online
For 1990-2009 cars only
Figure 1:

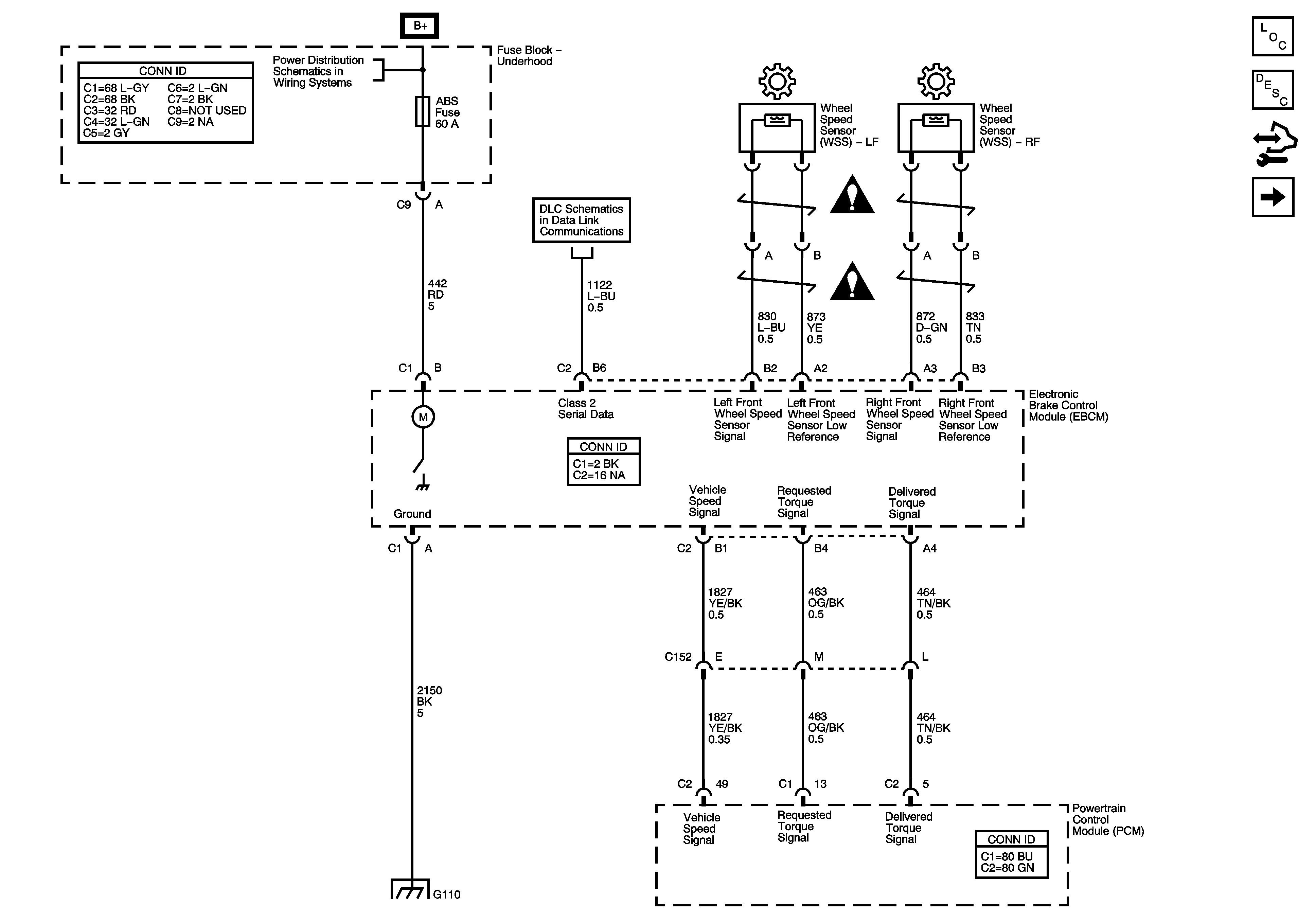
Power, Ground, Serial Data, and Wheel Speed Sensors -- w/o JL4


Object Number: 1463947  Size: FS
Master Electrical Component List
ABS Description and Operation (W/O JL4)
Control Module References
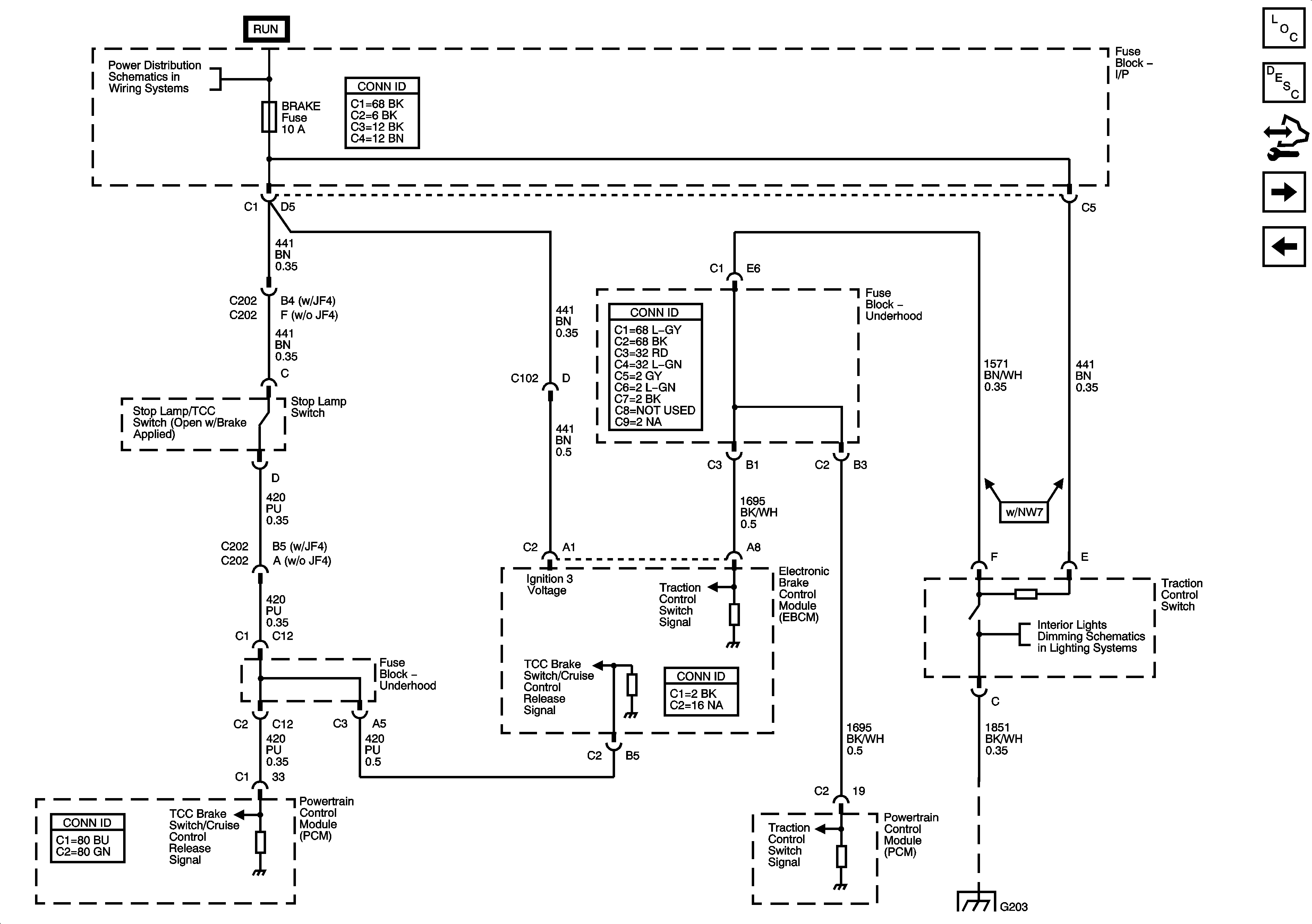
Stop Lamp Switch and Traction Control Switch - w/o JL4
B+ Bus - 1 of 2
Power, Ground, DLC, and Splice Pack SP205
Antilock Brake System Schematic Icons
G101 and G110
Figure 2:

Stop Lamp Switch and Traction Control Switch -- w/o JL4


Object Number: 1463953  Size: FS
Master Electrical Component List
ABS Description and Operation (W/O JL4)
Control Module References
Power, Ground, Serial Data, and Stop Lamp Switch - w/JL4
Power, Ground, Serial Data, and Wheel Speed Sensors - w/o JL4
Ignition Switch - ACCY/RUN/START, RUN, and START Busses, IGN A and CRANK Fuses
I/P Dimming Supply Voltage - 5 of 8
G203 - 1 of 3
Figure 3:

Power, Ground, Serial Data, and Stop Lamp Switch - w/JL4


Object Number: 1463957  Size: FS
Master Electrical Component List
ABS Description and Operation (W/JL4)
Control Module References
Wheel Speed Sensors - w/JL4
Stop Lamp Switch and Traction Control Switch - w/o JL4
Ignition Switch - ACCY/RUN/START, RUN, and START Busses, IGN A and CRANK Fuses
Traction Control Switch and Precharge Pump - w/JL4
Power, Ground, DLC, and Splice Pack SP205
B+ Bus - 1 of 2
G101 and G110
Figure 4:

Wheel Speed Sensors - w/JL4


Object Number: 1463962  Size: FS
Master Electrical Component List
ABS Description and Operation (W/JL4)
Control Module References
Yaw and Lateral Acceleration Sensor Inputs - w/JL4
Power, Ground, Serial Data, and Stop Lamp Switch - w/JL4
Antilock Brake System Schematic Icons
Antilock Brake System Schematic Icons
Antilock Brake System Schematic Icons
Antilock Brake System Schematic Icons
Figure 5:

Yaw and Lateral Acceleration Sensor Inputs - wJL4


Object Number: 1463963  Size: FS
Master Electrical Component List
ABS Description and Operation (W/JL4)
Control Module References
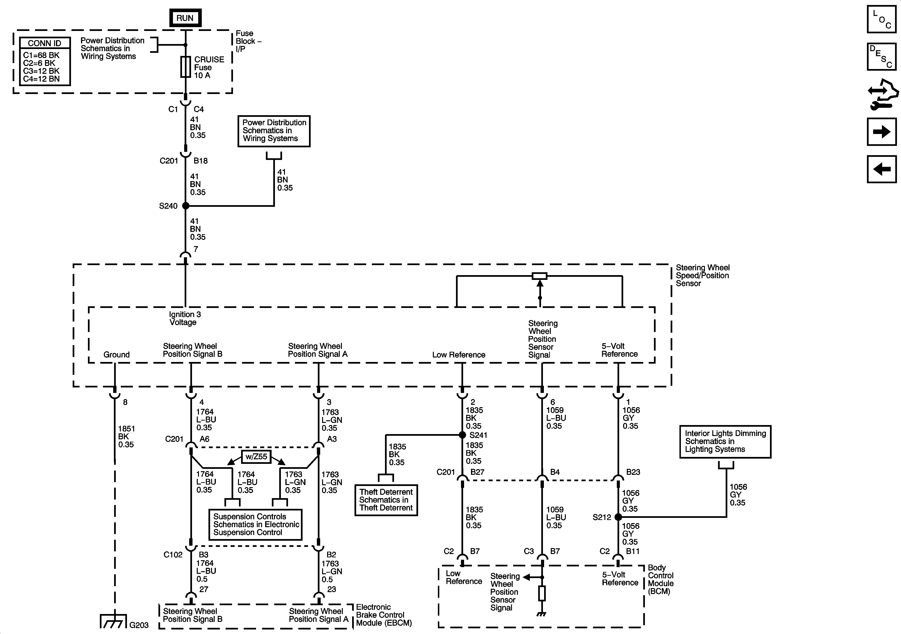
Steering Wheel Speed/Position Sensor Inputs - w/JL4
Wheel Speed Sensors - w/JL4
Figure 6:

Steering Wheel Speed/Position Sensor Inputs - wJL4


Object Number: 1463965  Size: FS
Master Electrical Component List
ABS Description and Operation (W/JL4)
Control Module References
Traction Control Switch and Precharge Pump - w/JL4
Yaw and Lateral Acceleration Sensor Inputs - w/JL4
Ignition Switch - ACCY/RUN/START, RUN, and START Busses, IGN A and CRANK Fuses
BRAKE, CRUISE, IGN 2, HTR/AC, HVAC 1, and 4WD Fuses
Dimming Control and LED DImming Supply Voltage - 1 of 2
Vehicle Theft Deterrent
Steering Wheel Speed/Position Sensor Inputs
G203 - 3 of 3
Figure 7:

Traction Control Switch and Precharge Pump - wJL4


Object Number: 1463968  Size: FS
Master Electrical Component List
ABS Description and Operation (W/JL4)
Control Module References
Steering Wheel Speed/Position Sensor Inputs - w/JL4
Power, Ground, Serial Data, and Stop Lamp Switch - w/JL4
I/P Dimming Supply Voltage - 4 of 8
G203 - 1 of 3