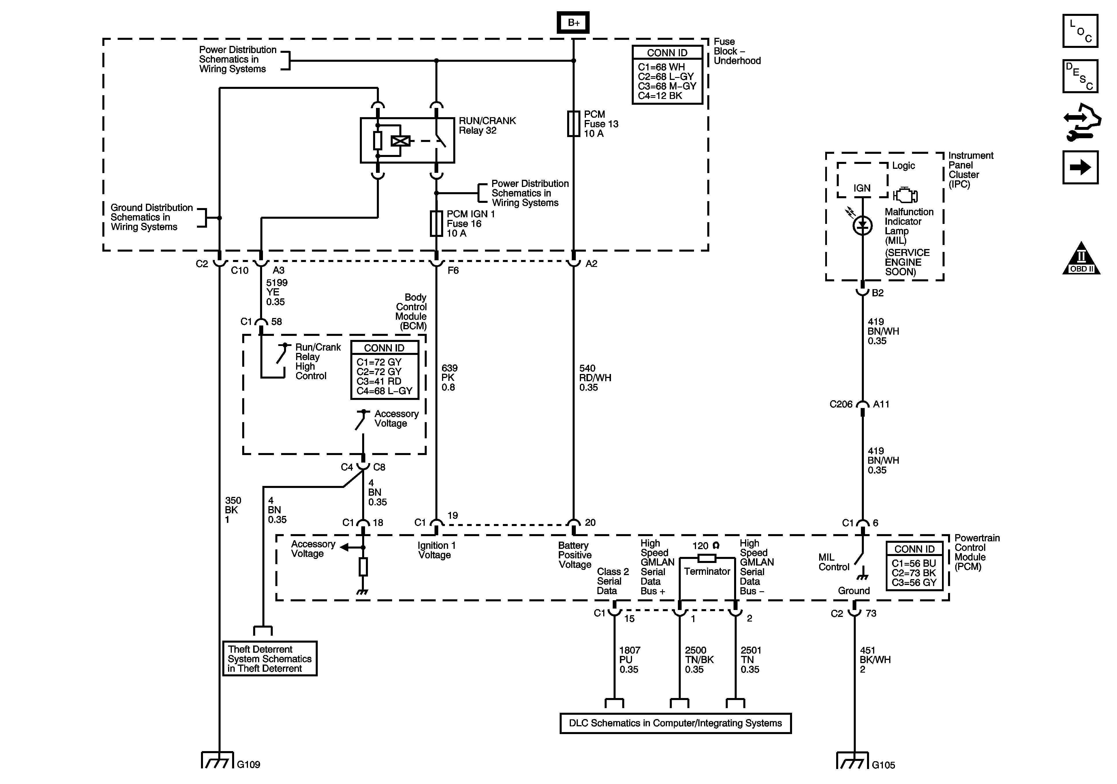
| Figure 1: |
Power, Ground, Serial Data and MIL
|
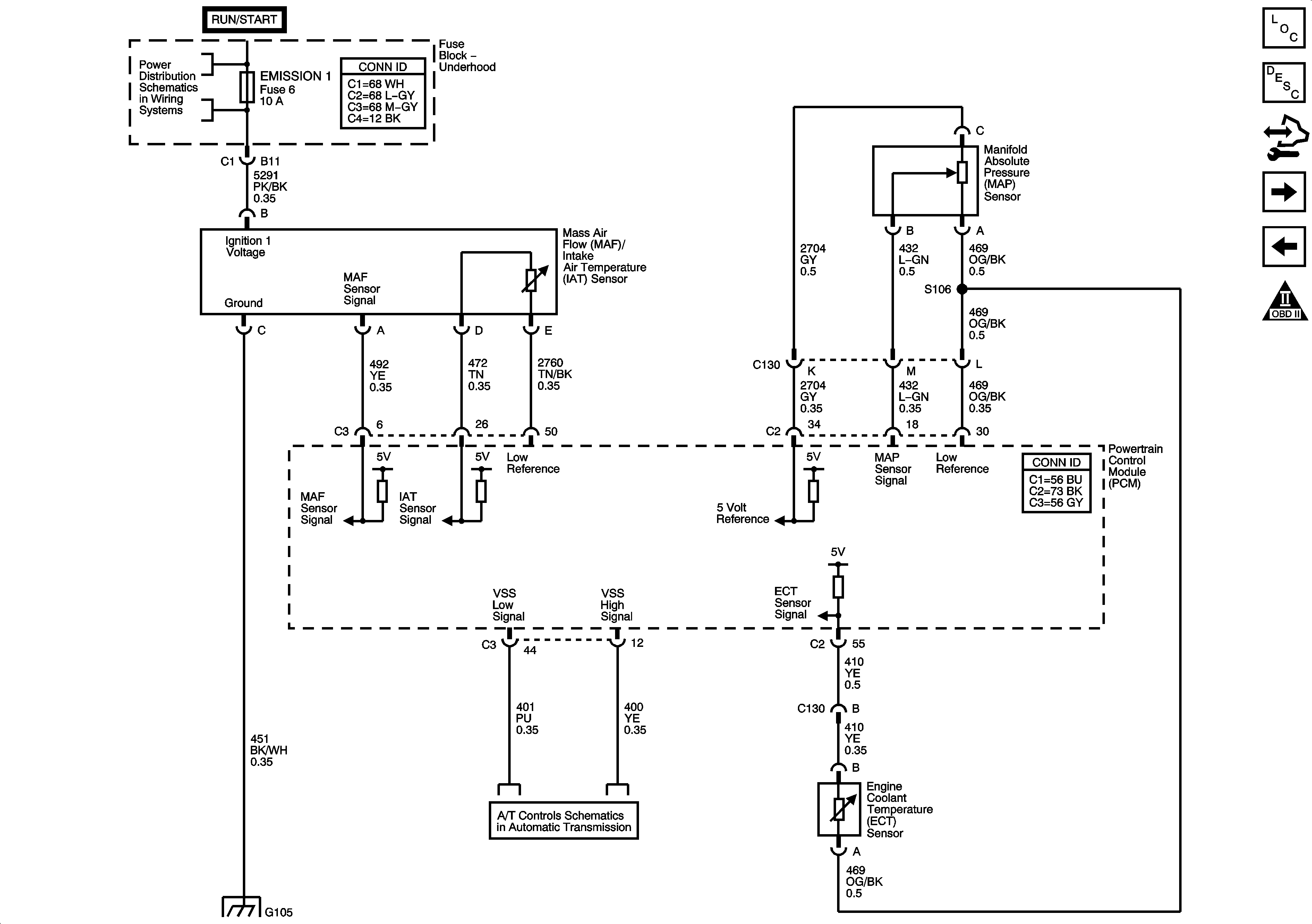
| Figure 2: |
Engine Data Sensors - 5-Volt and Low Reference
|
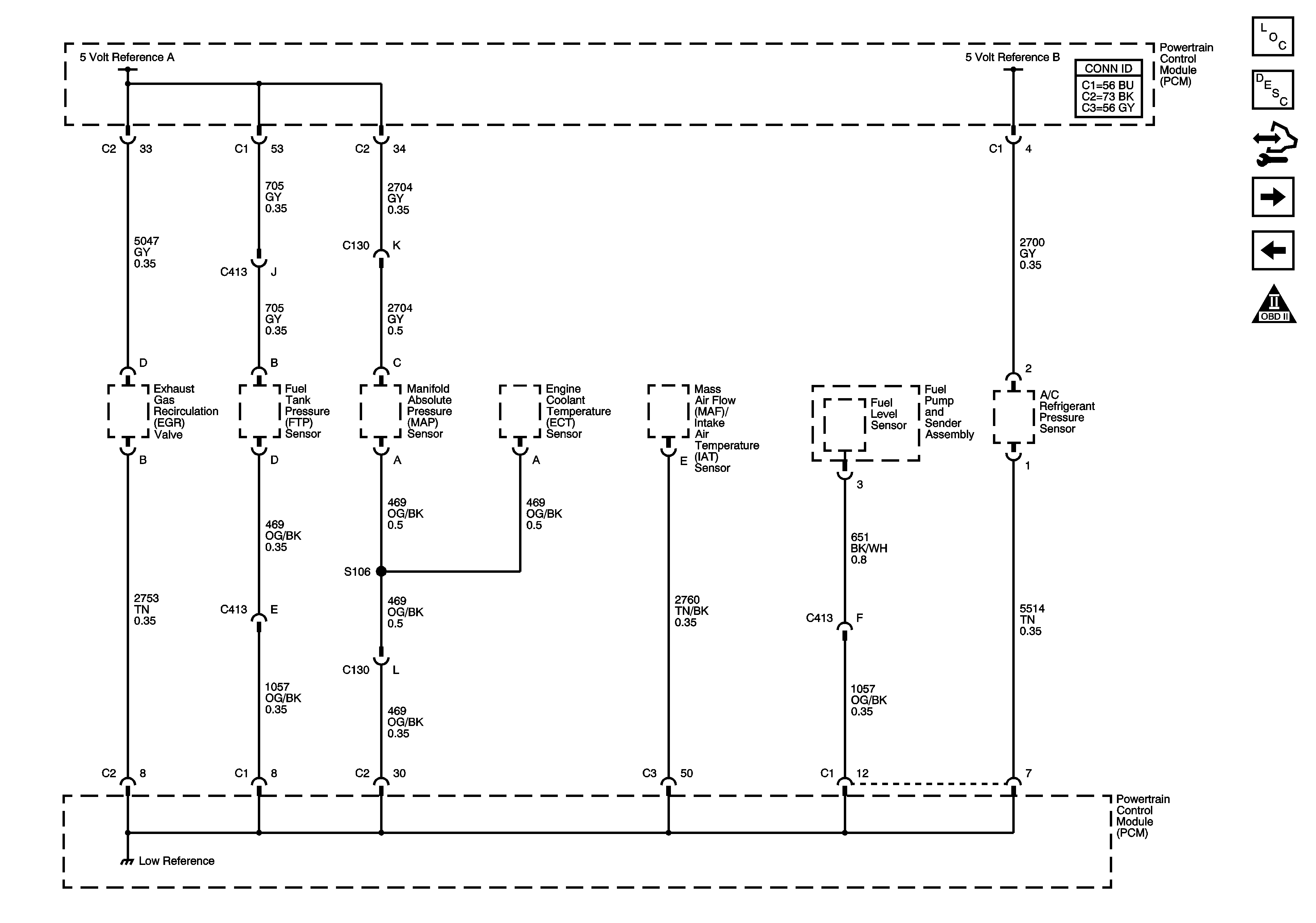
| Figure 3: |
Engine Data Sensors - Pressure and Temperature
|
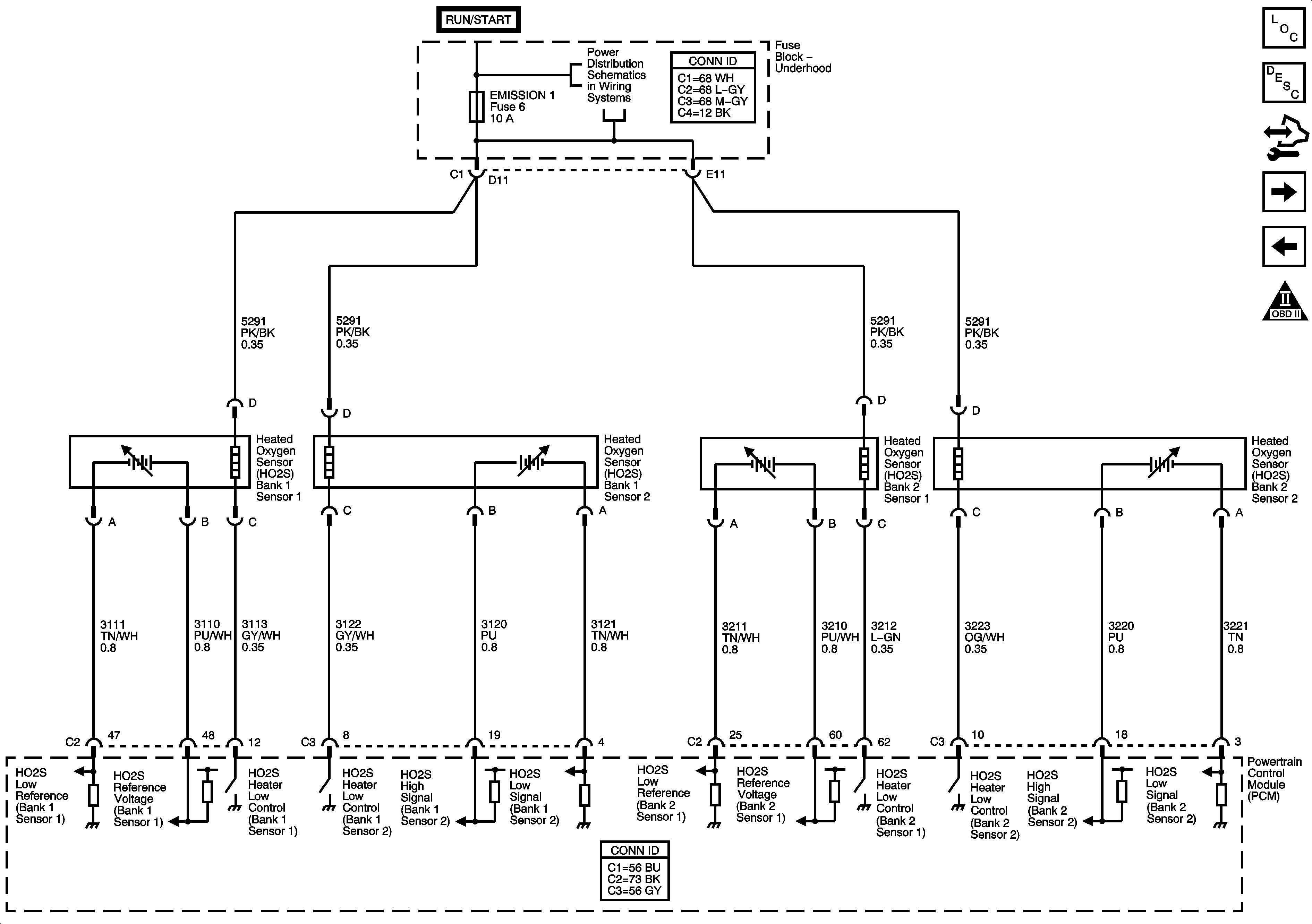
| Figure 4: |
Engine Data Sensors - Heated Oxygen Sensors
|
| Figure 5: |
Engine Data Sensors - Electronic Throttle Controls
|
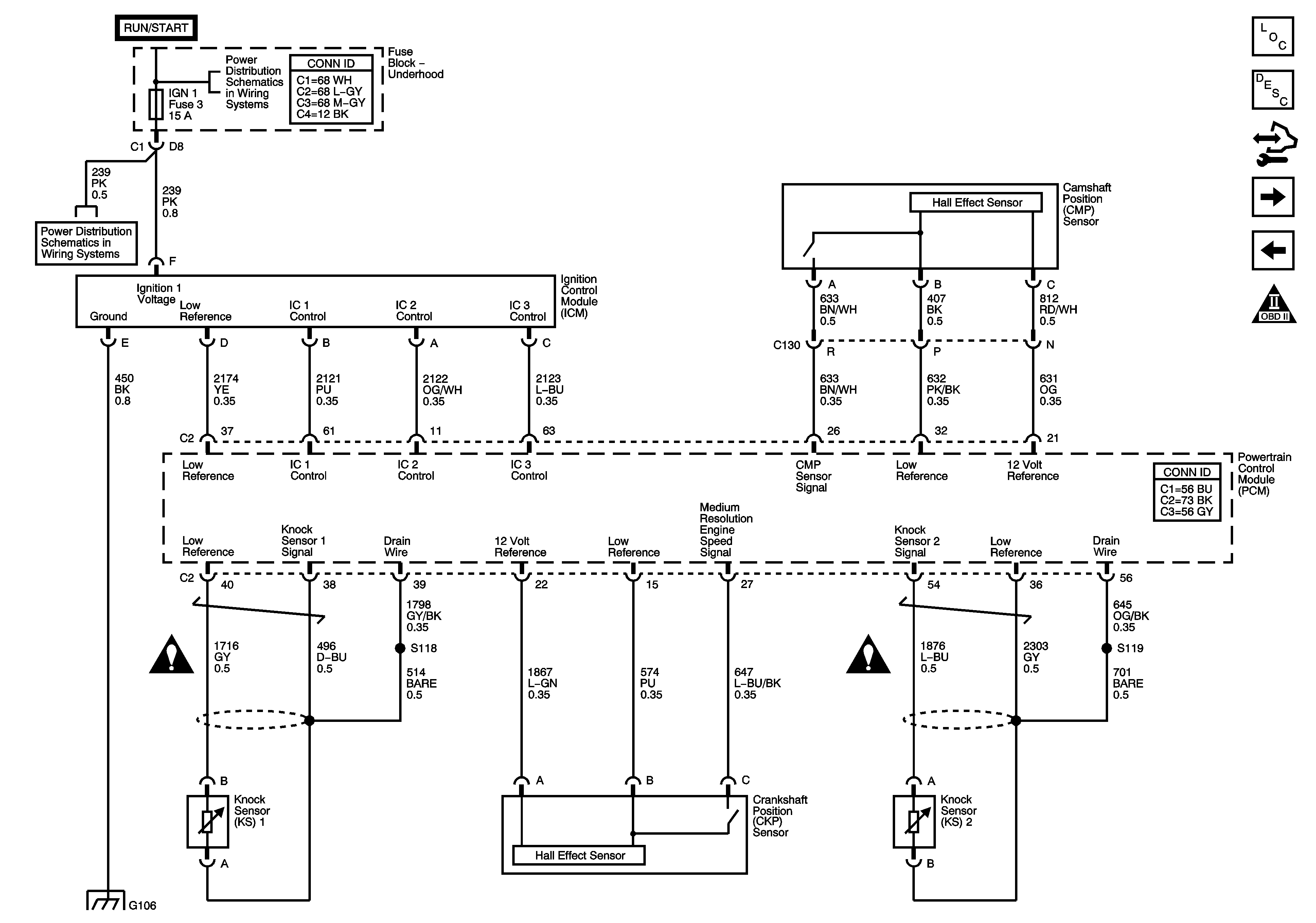
| Figure 6: |
Ignition Controls - Ignition System
|
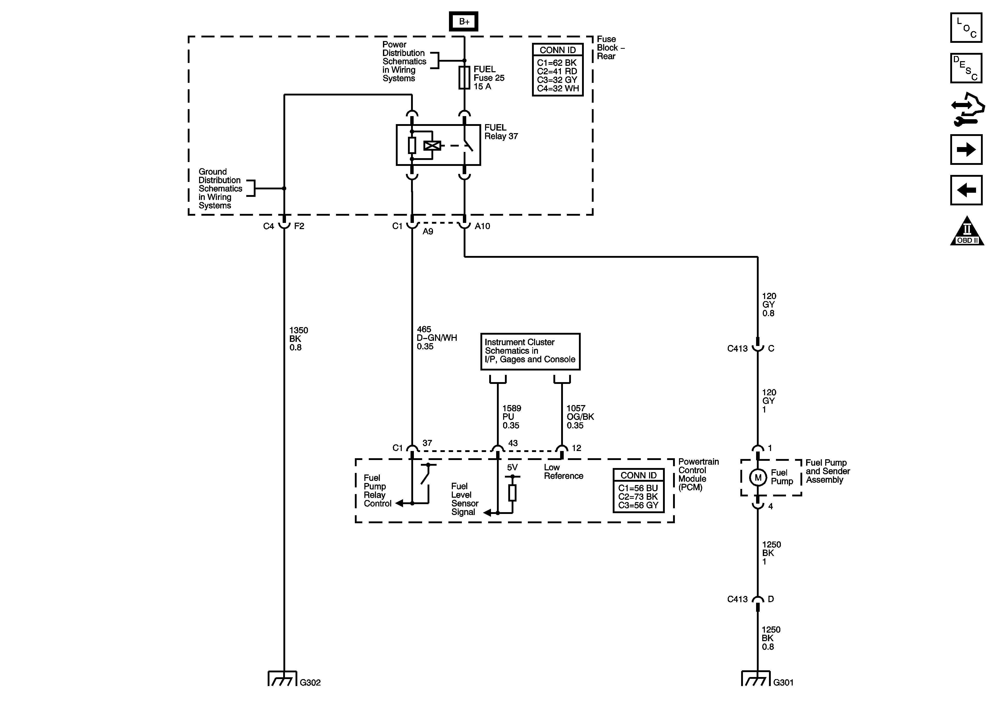
| Figure 7: |
Fuel Controls - Fuel Pump Controls
|
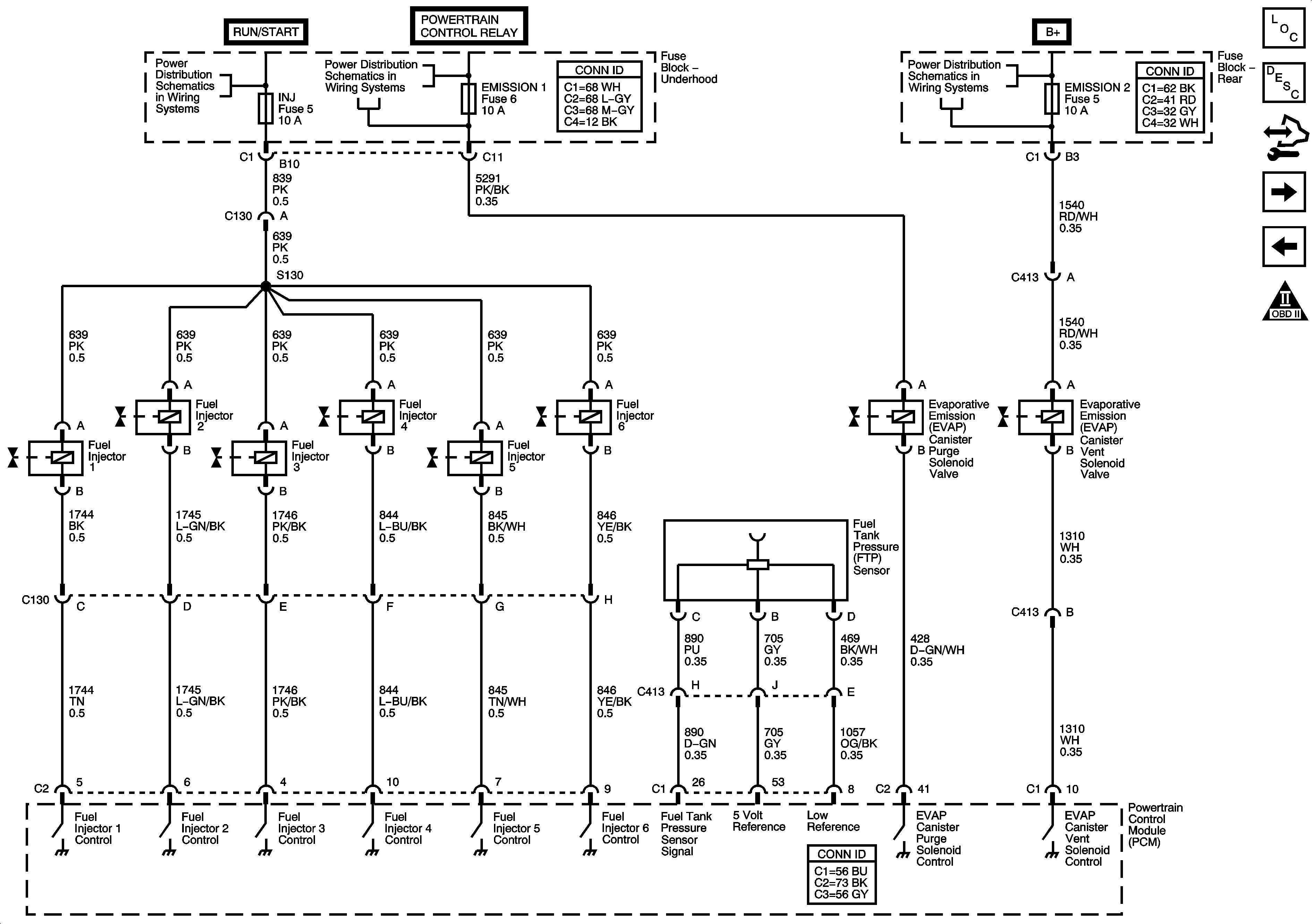
| Figure 8: |
Fuel Controls - Fuel Injector and EVAP
|
| Figure 9: |
Controlled/Monitored Subsystem References
|
| Figure 10: |
Transmission Control References
|