GM Service Manual Online
For 1990-2009 cars only
Makes
🢒
Generic
🢒
2005
🢒
Unit Repair
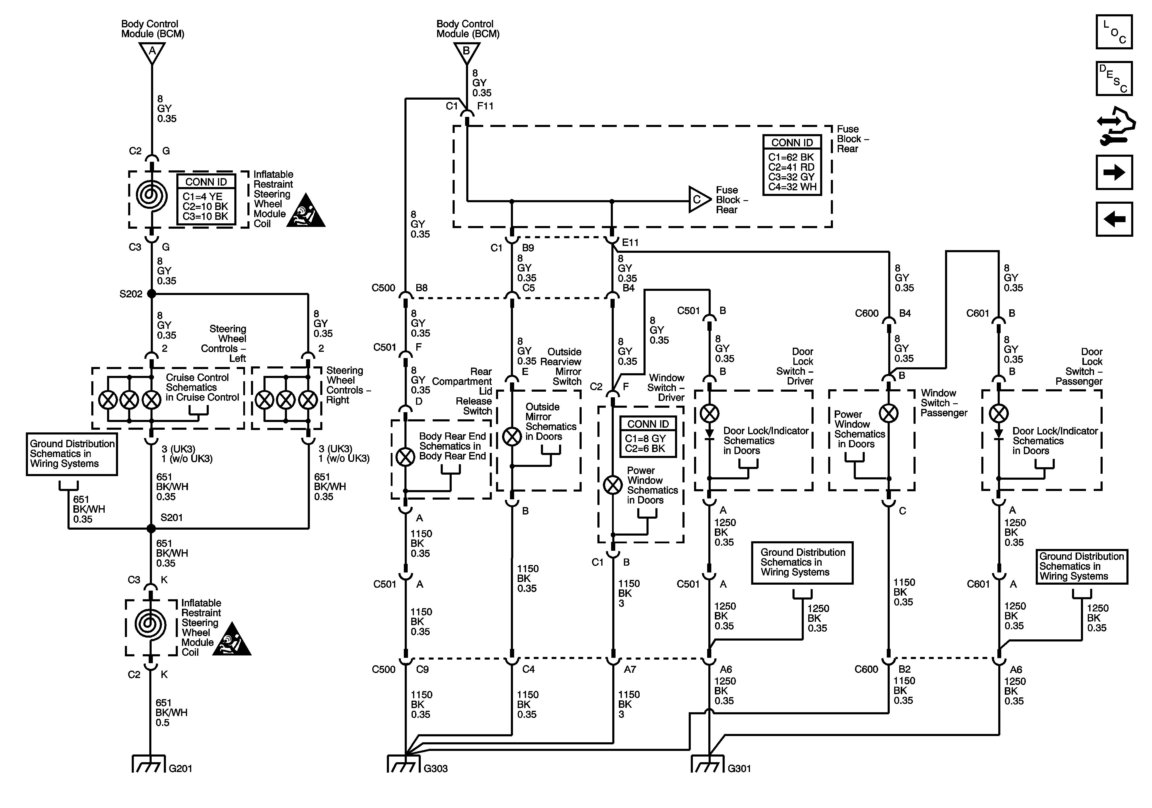
🢒 Steering Wheel and Doors
Steering Wheel and Doors
Steering Wheel and Doors
Master Electrical Component List
Interior Lighting Systems Description and Operation
Control Module References
Seats and Center Console
Dimmer Switch Inputs
Dimmer Switch Inputs
Dimmer Switch Inputs
Lighting Systems Schematic Icons
Seats and Center Console
G201
Switches, DLC and Indicator
Body Rear End Schematics
Outside Mirror Schematics
Power Window Schematics
Door Lock Switches
Power Window Schematics
Door Lock Switches
Lighting Systems Schematic Icons
G301
G301
G201
G303
G301