GM Service Manual Online
For 1990-2009 cars only
Makes
🢒
Generic
🢒
2005
🢒
Unit Repair
🢒 Seats and Center Console
Seats and Center Console
Seats and Center Console
Master Electrical Component List
Interior Lighting Systems Description and Operation
Control Module References
Steering Wheel and Doors
Steering Wheel and Doors
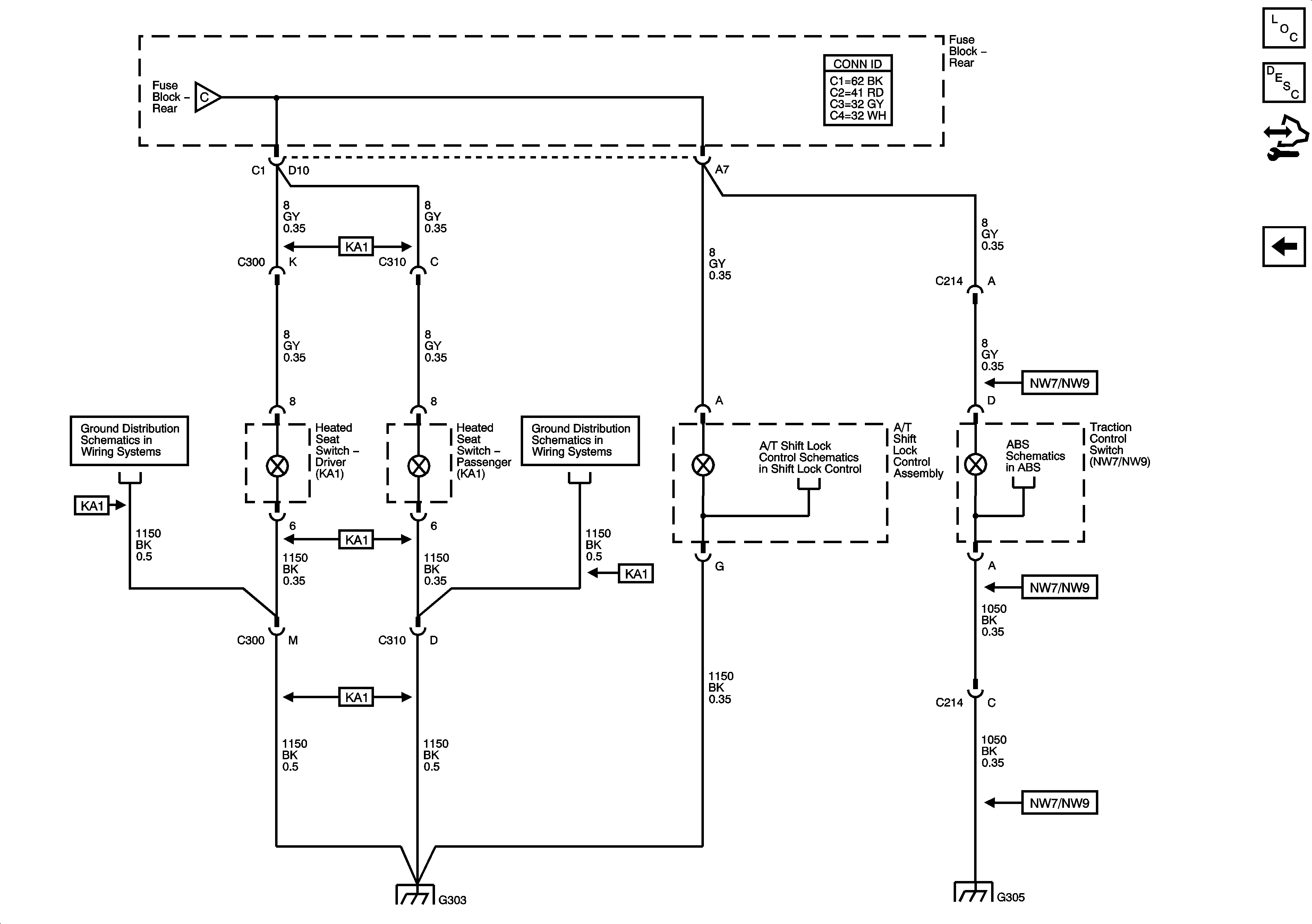
G303
G303
Automatic Transmission Shift Lock Controls Schematics
Brake Pedal Position Sensor, Traction Control Switch and Data Link Communications
G303
G304 and G305