GM Service Manual Online
For 1990-2009 cars only
Makes
🢒
Generic
🢒
2005
🢒
Unit Repair
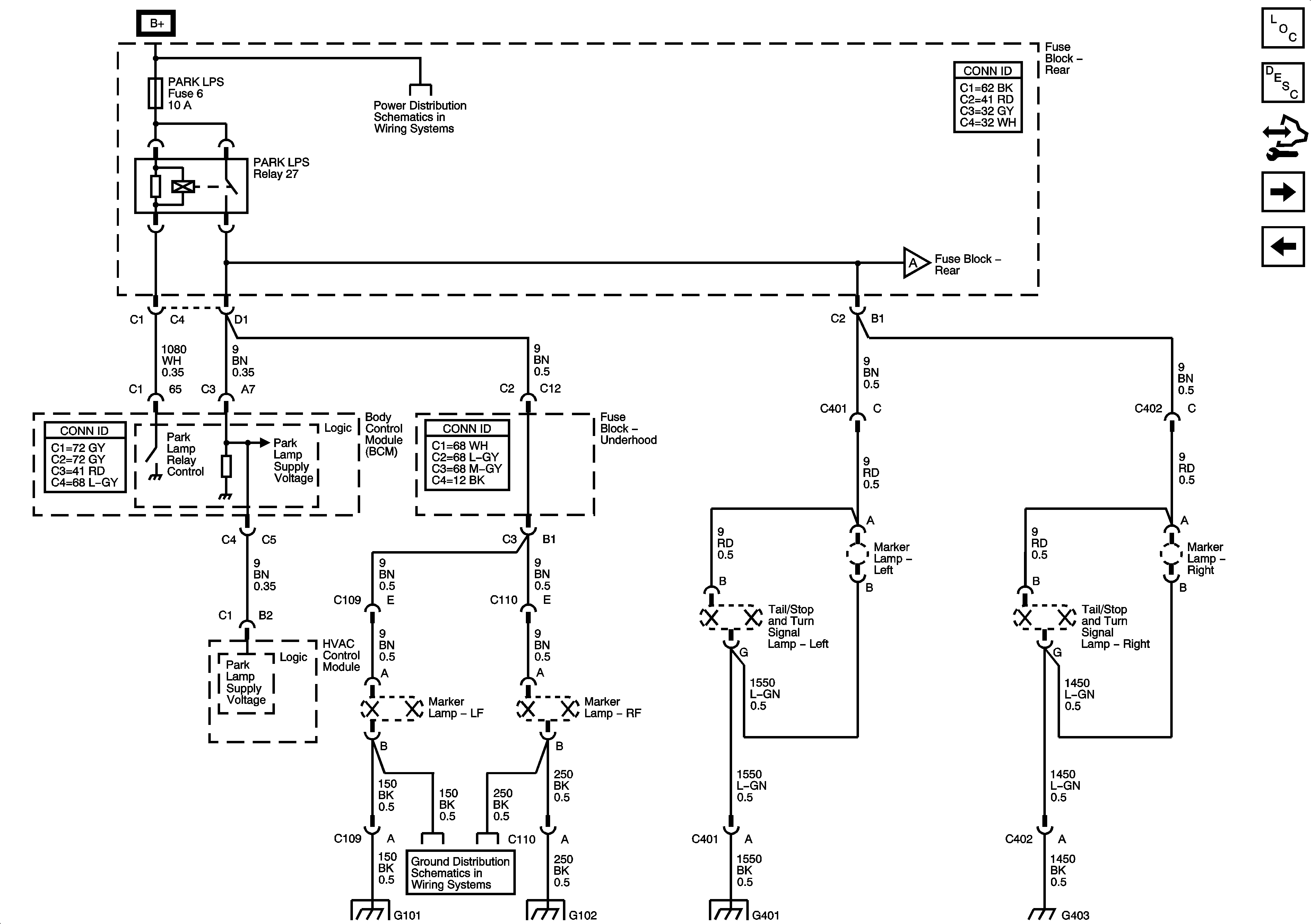
🢒 Park Lamps
Park Lamps
Park Lamps
Master Electrical Component List
Exterior Lighting Systems Description and Operation
Control Module References
License Lamps and Backup Lamps
Turn Signals and Stop Lamps
Underhood Fuse Block RUN RLY, RBEC 2, Rear Fuse Block DRV ST, FUEL, PARK LPS, TRUNK and EMISSION 2 Fuses
License Lamps and Backup Lamps
G101 and G102
G101 and G102
G101 and G102
G401 and G403
G401 and G403