GM Service Manual Online
For 1990-2009 cars only
Makes
🢒
Generic
🢒
2005
🢒
Unit Repair
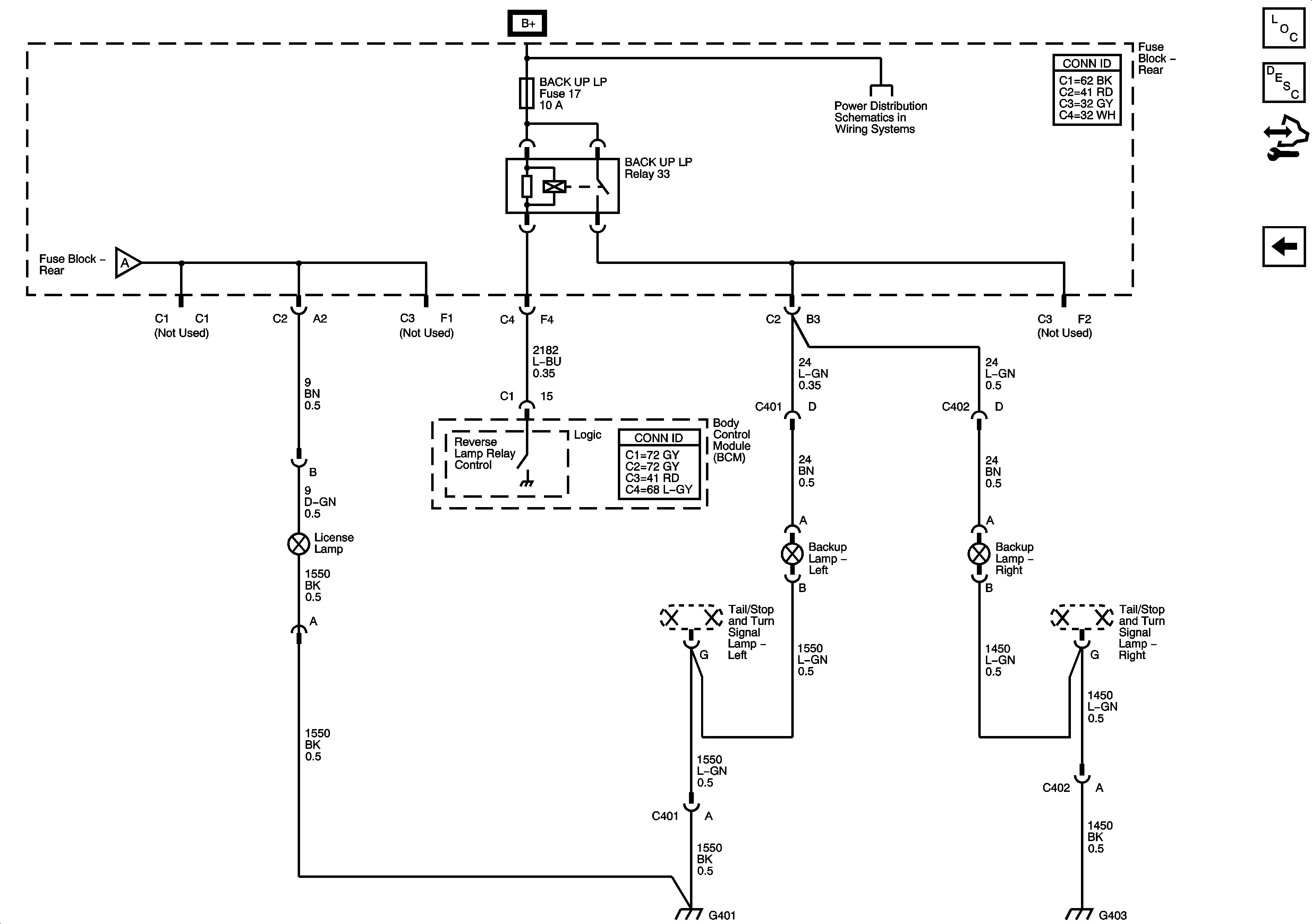
🢒 License Lamps and Backup Lamps
License Lamps and Backup Lamps
License Lamps and Backup Lamps
Master Electrical Component List
Exterior Lighting Systems Description and Operation
Control Module References
Park Lamps
Park Lamps
Underhood Fuse Block RBEC 1 Fuse and Rear Fuse Block CIG/AUX, SUN RF, RKE/XM, STOP LP, BACK UP LP, RR DEFOG, HTD MIR and HTD ST Fuses
G401 and G403
G401 and G403
G401 and G403