GM Service Manual Online
For 1990-2009 cars only
Makes
🢒
Generic
🢒
2005
🢒
Unit Repair
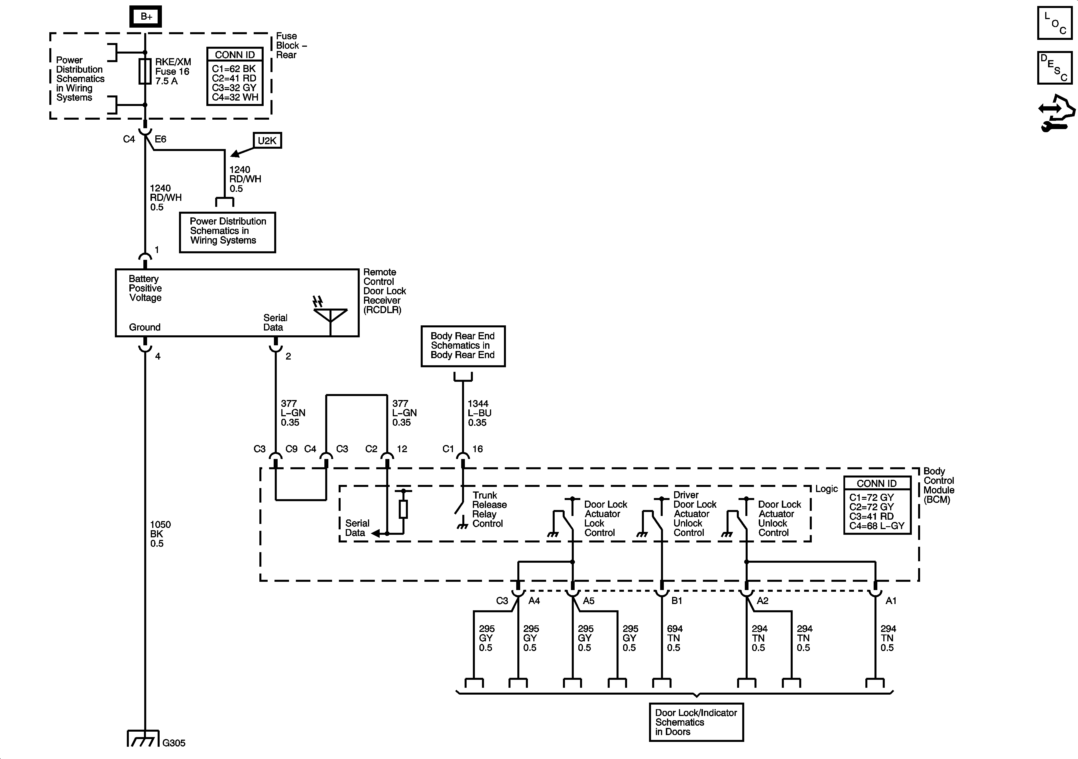
🢒 Keyless Entry Schematics
Keyless Entry Schematics
Master Electrical Component List
Keyless Entry System Description and Operation
Control Module References
Underhood Fuse Block RBEC 1 Fuse and Rear Fuse Block CIG/AUX, SUN RF, RKE/XM, STOP LP, BACK UP LP, RR DEFOG, HTD MIR and HTD ST Fuses
Underhood Fuse Block RBEC 1 Fuse and Rear Fuse Block CIG/AUX, SUN RF, RKE/XM, STOP LP, BACK UP LP, RR DEFOG, HTD MIR and HTD ST Fuses
Body Rear End Schematics
G304 and G305
Door Lock Actuators