GM Service Manual Online
For 1990-2009 cars only
Makes
🢒
HUMMER
🢒
2005
🢒
H2
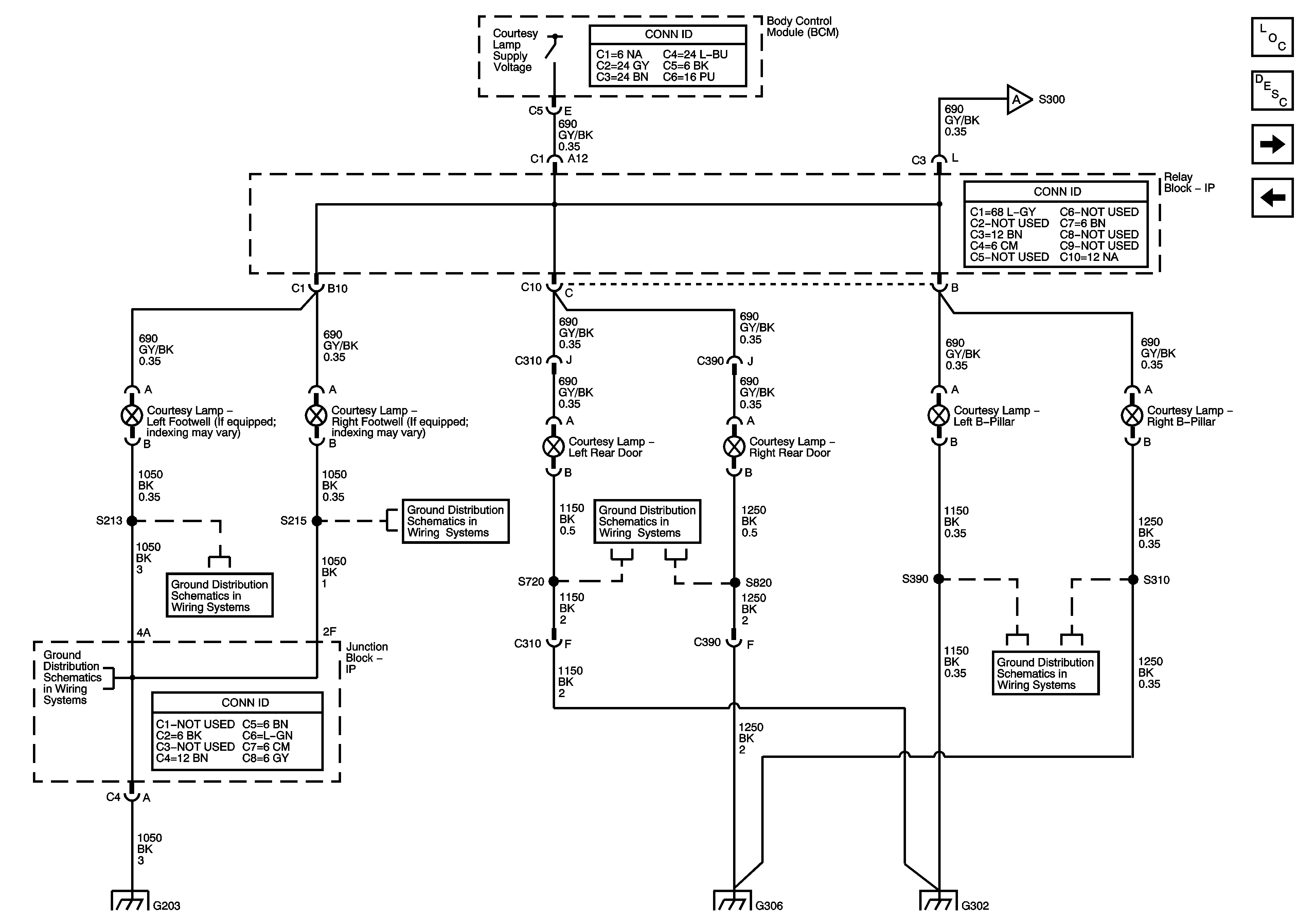
🢒 Courtesy Lamps - Footwells, Rear Doors, and B-Pillars
Courtesy Lamps - Footwells, Rear Doors, and B-Pillars
Courtesy Lamps -- Footwells, Rear Doors, and B-Pillars
Master Electrical Component List
Interior Lighting Systems Description and Operation
Courtesy Lamps - Headliner Front, Center, and Rear
Interior Lights Controls, BCM, Door Ajar Switches
Courtesy Lamps - Headliner Front, Center, and Rear
G302, G304, and G306
G302, G304, and G306
G302, G304, and G306
G302, G304, and G306
CKT 1050: G203, S302, S303, S351, and S215
CKT 1050: S301 and S213
CKT 1050: G203, S302, S303, S351, and S215
CKT 1050: G203, S302, S303, S351, and S215