GM Service Manual Online
For 1990-2009 cars only
Makes
🢒
HUMMER
🢒
2005
🢒
H2
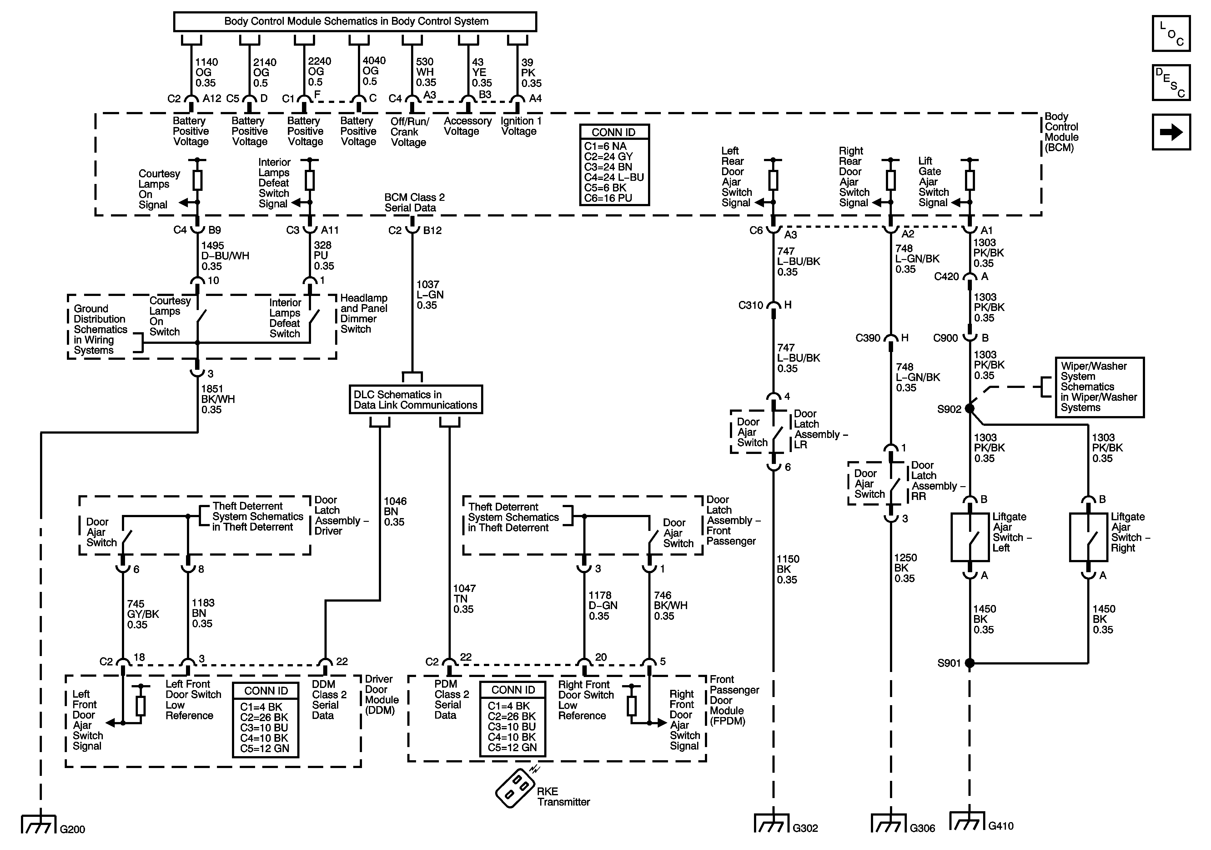
🢒 Interior Lights Controls, BCM, Door Ajar Switches
Interior Lights Controls, BCM, Door Ajar Switches
Interior Light Controls, BCM, and Door Ajar Switches
Master Electrical Component List
Interior Lighting Systems Description and Operation
Courtesy Lamps - Footwells, Rear Doors, and B-Pillars
G200
Power, Ground, and Serial Data Circuits
Power, Ground, DLC, and Splice Pack SP205
Rear Wiper Controls and Washer Fluid Level Sensor
G402, G405, and G410
G302, G304, and G306
G302, G304, and G306
Content Theft Deterrent
Content Theft Deterrent
G200