GM Service Manual Online
For 1990-2009 cars only
Makes
🢒
HUMMER
🢒
2005
🢒
H2
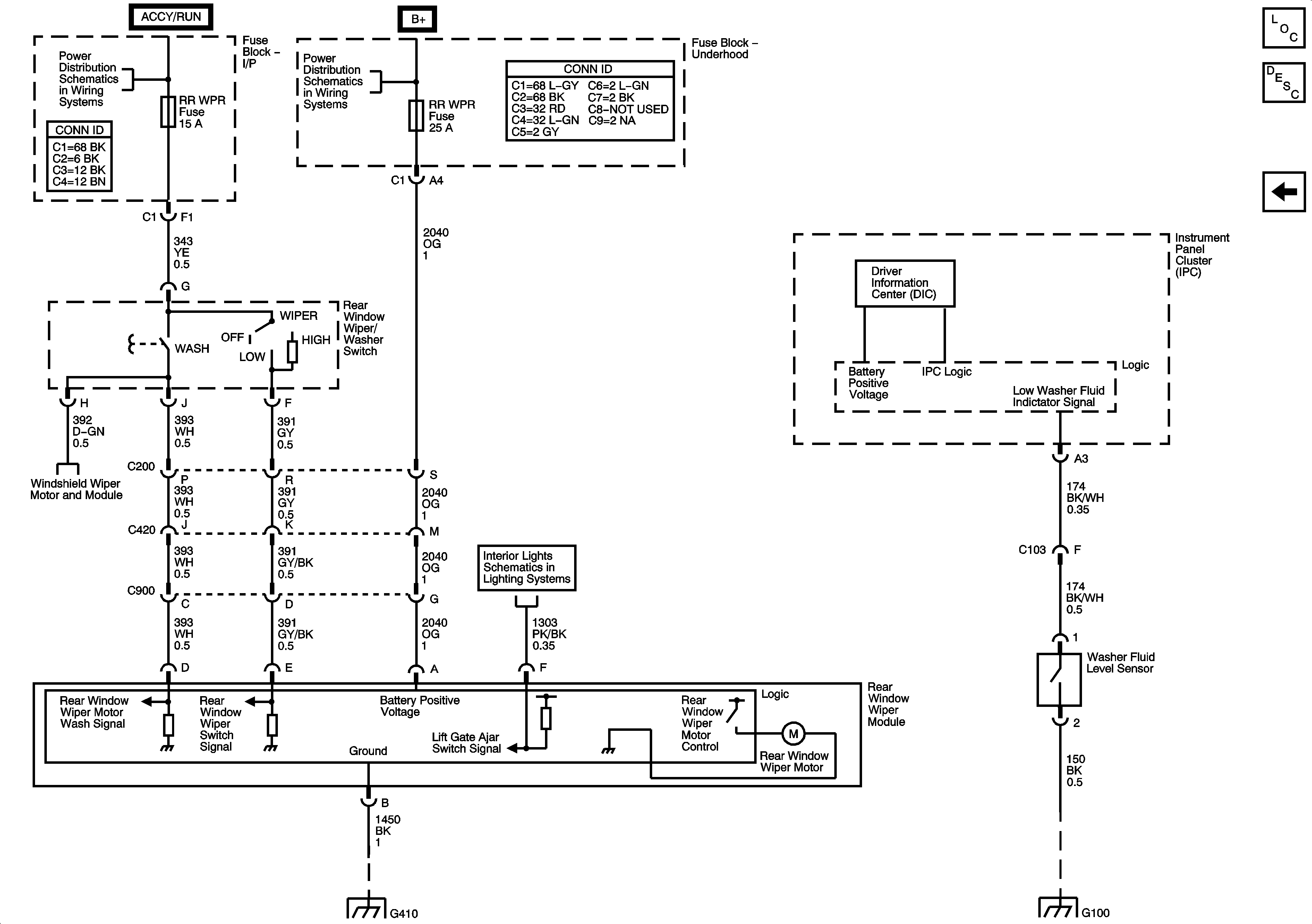
🢒 Rear Wiper Controls and Washer Fluid Level Sensor
Rear Wiper Controls and Washer Fluid Level Sensor
Rear Wiper Controls and Washer Fluid Level Sensor
Master Electrical Component List
Rear Wiper/Washer System Description and Operation
Front Wiper/Washer Controls
ACCY/RUN and RUN/START Bus Bars
Front Wiper/Washer Power, Ground, and Motors
B+Bus
G100
Interior Lights Controls, BCM, Door Ajar Switches
G402, G405, and G410