GM Service Manual Online
For 1990-2009 cars only
Figure 1:

Front Wiper/Washer Power, Ground, and Motors


Object Number: 1566938  Size: FS
Master Electrical Component List
Wiper/Washer System Description and Operation
Control Module References
Front Wiper/Washer Controls
B+ Bus
B+ Bus
Headlamp Control
Ignition Switch - ACCY/RUN and RUN/START Bus Bars and IGN B Fuse
Ignition Switch - ACCY/RUN and RUN/START Bus Bars and IGN B Fuse
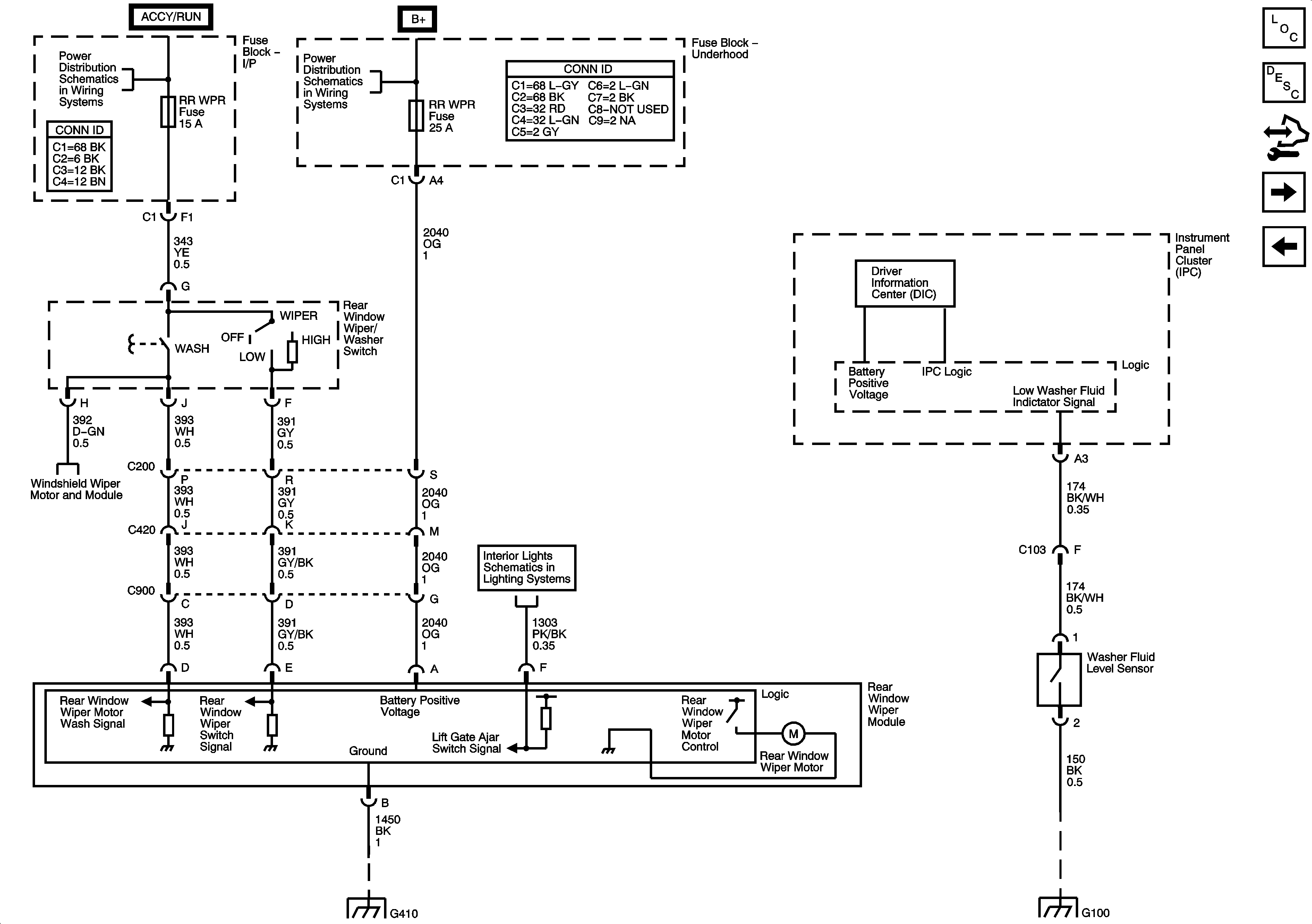
Rear Wiper Controls and Washer Fluid Level Sensor
Rear Wiper Controls and Washer Fluid Level Sensor
Front Wiper/Washer Controls
G203 - 1 of 3
Figure 2:

Front Wiper/Washer Controls


Object Number: 1566939  Size: FS
Master Electrical Component List
Rear Wiper Controls and Washer Fluid Level Sensor
Control Module References
Rear Wiper Controls and Washer Fluid Level Sensor
Front Wipers/Washer Power, Ground, and Motors
G200
G200
Front Wipers/Washer Power, Ground, and Motors
Heated Washers (2 of 2)
Figure 3:

Rear Wiper Controls and Washer Fluid Level Sensor


Object Number: 1566940  Size: FS
Master Electrical Component List
Rear Wiper/Washer System Description and Operation
Control Module References
Heated Washers (1 of 2)
Front Wiper/Washer Controls
Ignition Switch - ACCY/RUN and RUN/START Bus Bars and IGN B Fuse
IGN 0, RR WPR, SEO ACCY, TBC ACCY, TBC IGN 0, and WS WPR Fuses
4WS, RR DEFOG, RR WPR, STOP LP, VEH CHMSL, and VEH STOP Fuses
B+ Bus
Front Wipers/Washer Power, Ground, and Motors
Interior Light Controls, BCM, and Door Ajar Switches
G402, G405, and G410
G100 and G105
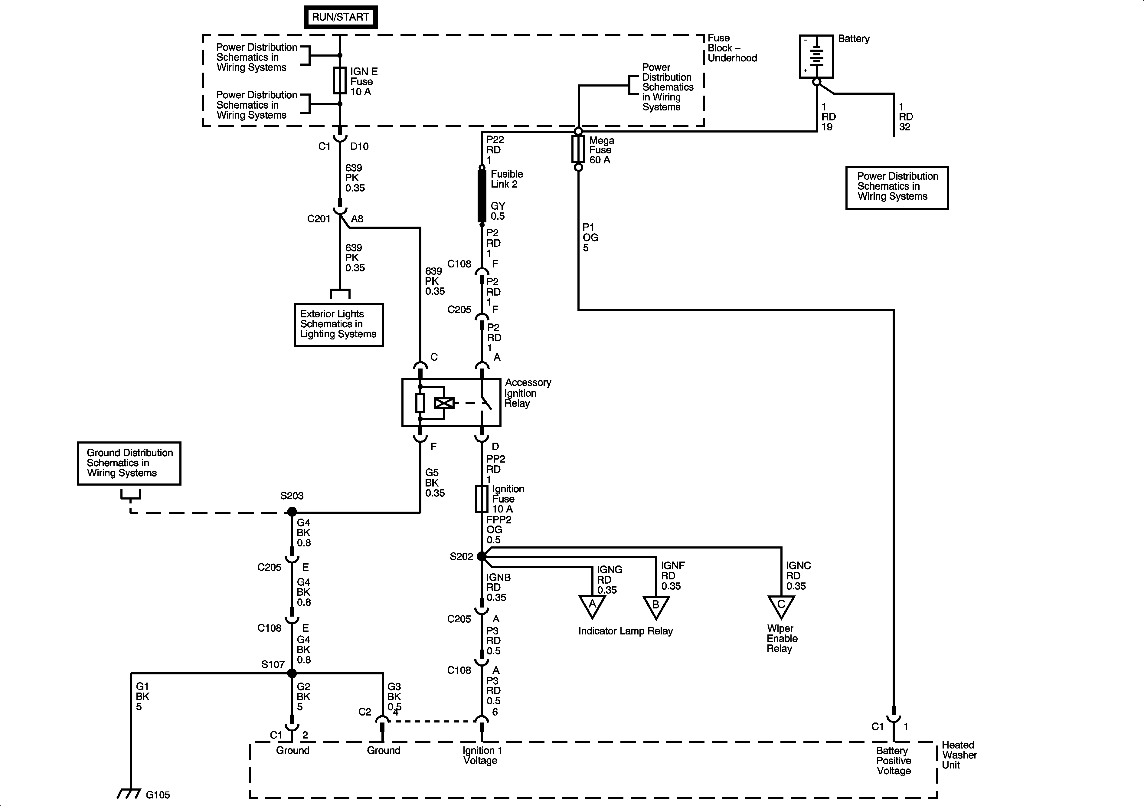
Figure 4:

Heated Washers -- 1 of 2


Object Number: 1736532  Size: FS
AIR BAG, IGN E, and SEO IGN Fuses
AIR BAG, IGN E, and SEO IGN Fuses
Ignition Switch - ACCY/RUN and RUN/START Bus Bars and IGN B Fuse
B+ Bus
B+ Bus
Turn Signal/Hazard Switch and Flasher Module
G100 and G105
G100 and G105
Heated Washers (2 of 2)
Heated Washers (2 of 2)
Heated Washers (2 of 2)
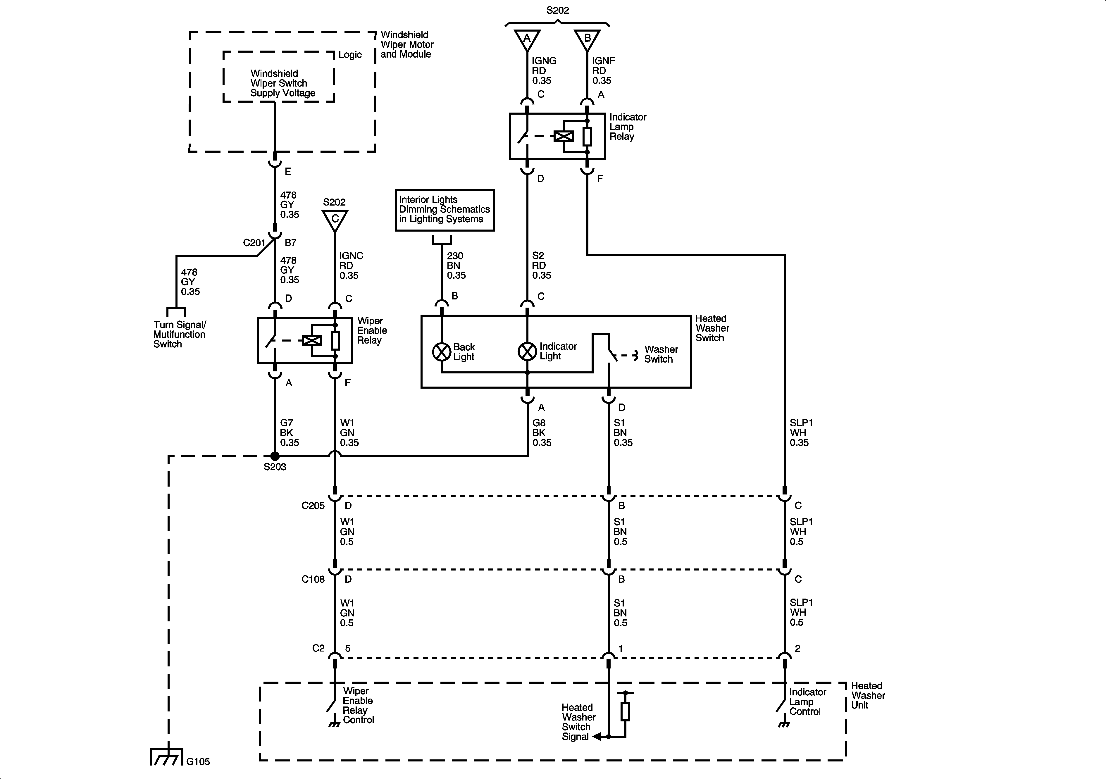
Figure 5:

Heated Washers -- 2 of 2


Object Number: 1736538  Size: FS
Heated Washers (1 of 2)
Heated Washers (1 of 2)
Heated Washers (1 of 2)
Instrument Panel Dimming - 4 of 5
Front Wiper/Washer Controls
G100 and G105