GM Service Manual Online
For 1990-2009 cars only
Makes
🢒
HUMMER
🢒
2007
🢒
H2
🢒
Diagnostic Navigation
🢒
Vehicle Diagnostic Information
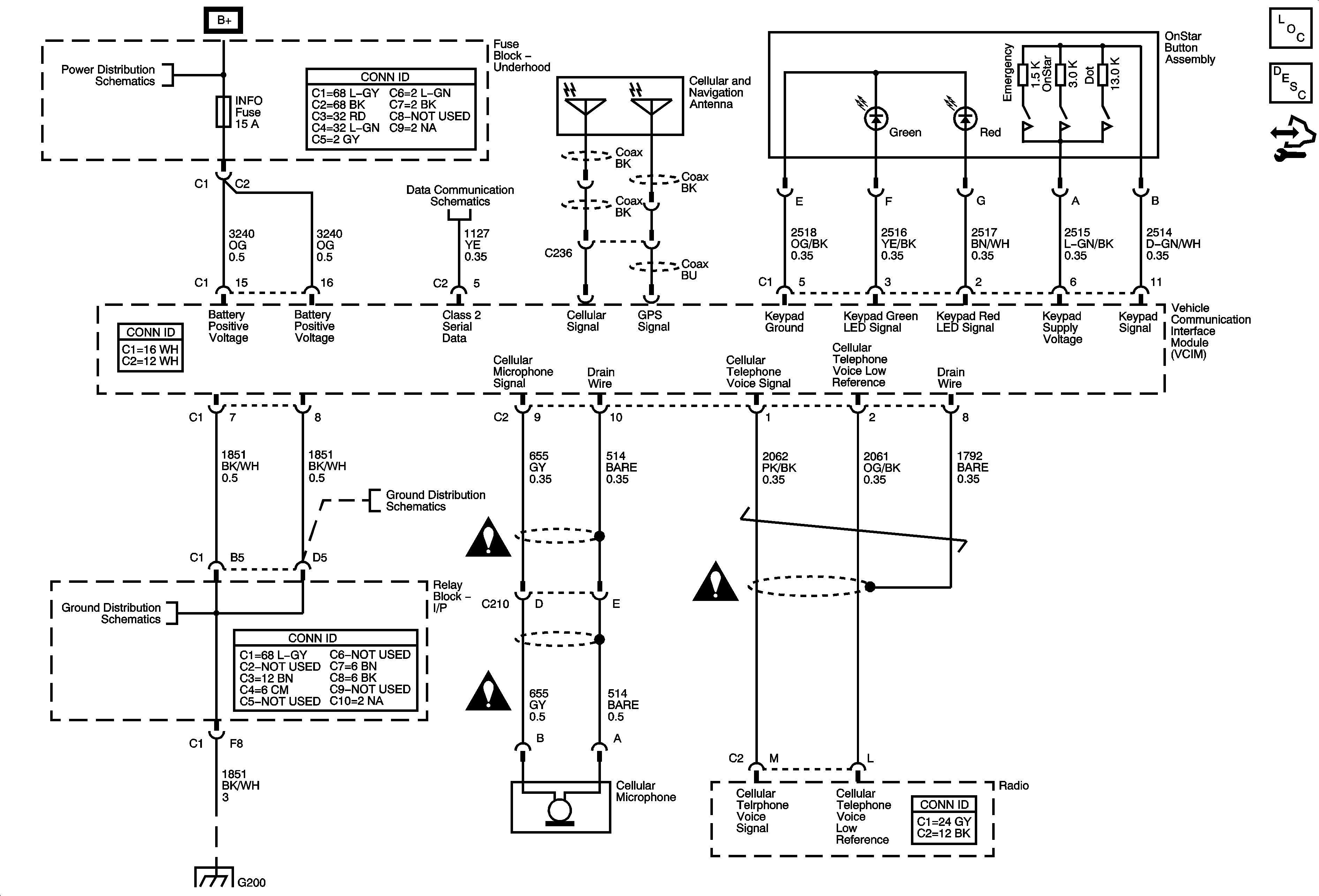
🢒 OnStar Schematics
Master Electrical Component List
OnStar Description and Operation
Control Module References
B+ Bus
SP206 and SP207
Entertainment/Communication Schematic Icons
Entertainment/Communication Schematic Icons
G200
G200
G200