GM Service Manual Online
For 1990-2009 cars only
Figure 1:

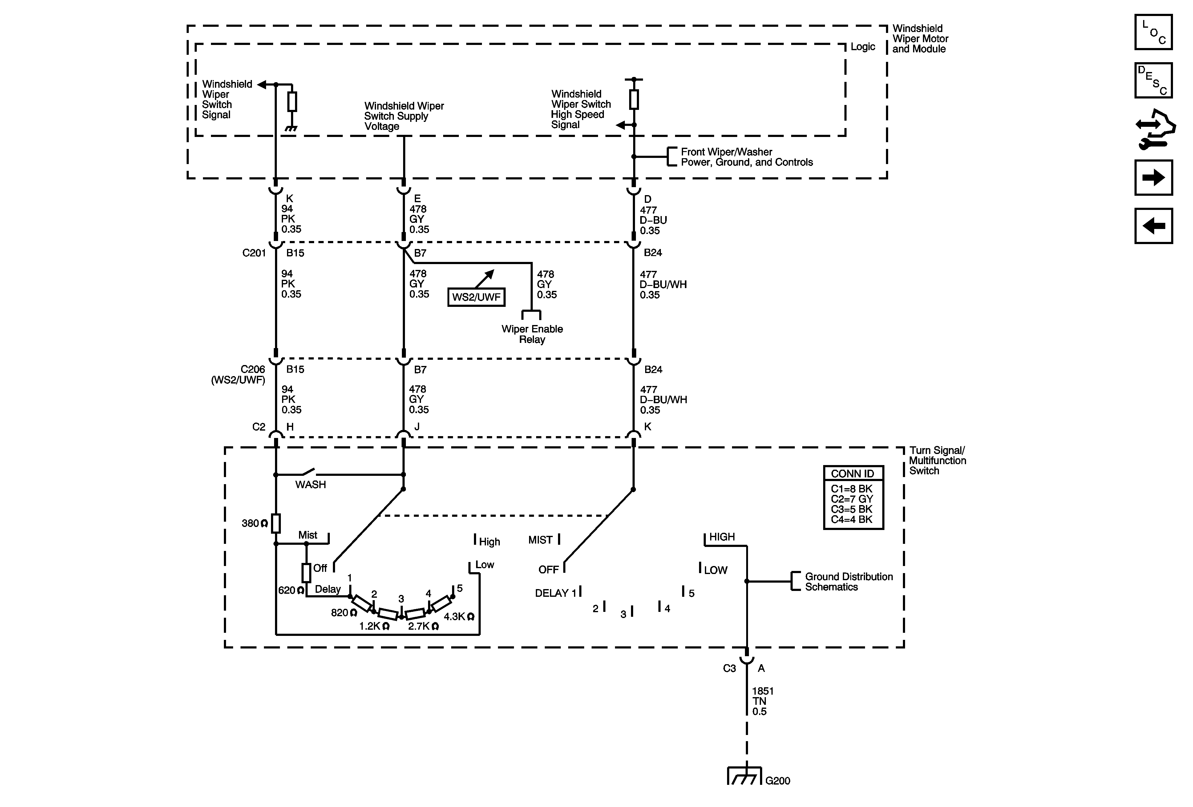
Front Wiper/Washer Power, Ground, and Motors


Object Number: 1806430  Size: FS
Master Electrical Component List
Wiper/Washer System Description and Operation
Control Module References
Front Wiper/Washer Controls
B+ Bus
Headlamp Control
Ignition Switch - ACCY/RUN and RUN/START Bus Bars, and IGN B Fuse
Rear Wiper/Washer Controls and Washer Fluid Level Sensor
Rear Wiper/Washer Controls and Washer Fluid Level Sensor
Front Wiper/Washer Controls
G203 - 2 of 3
Figure 2:

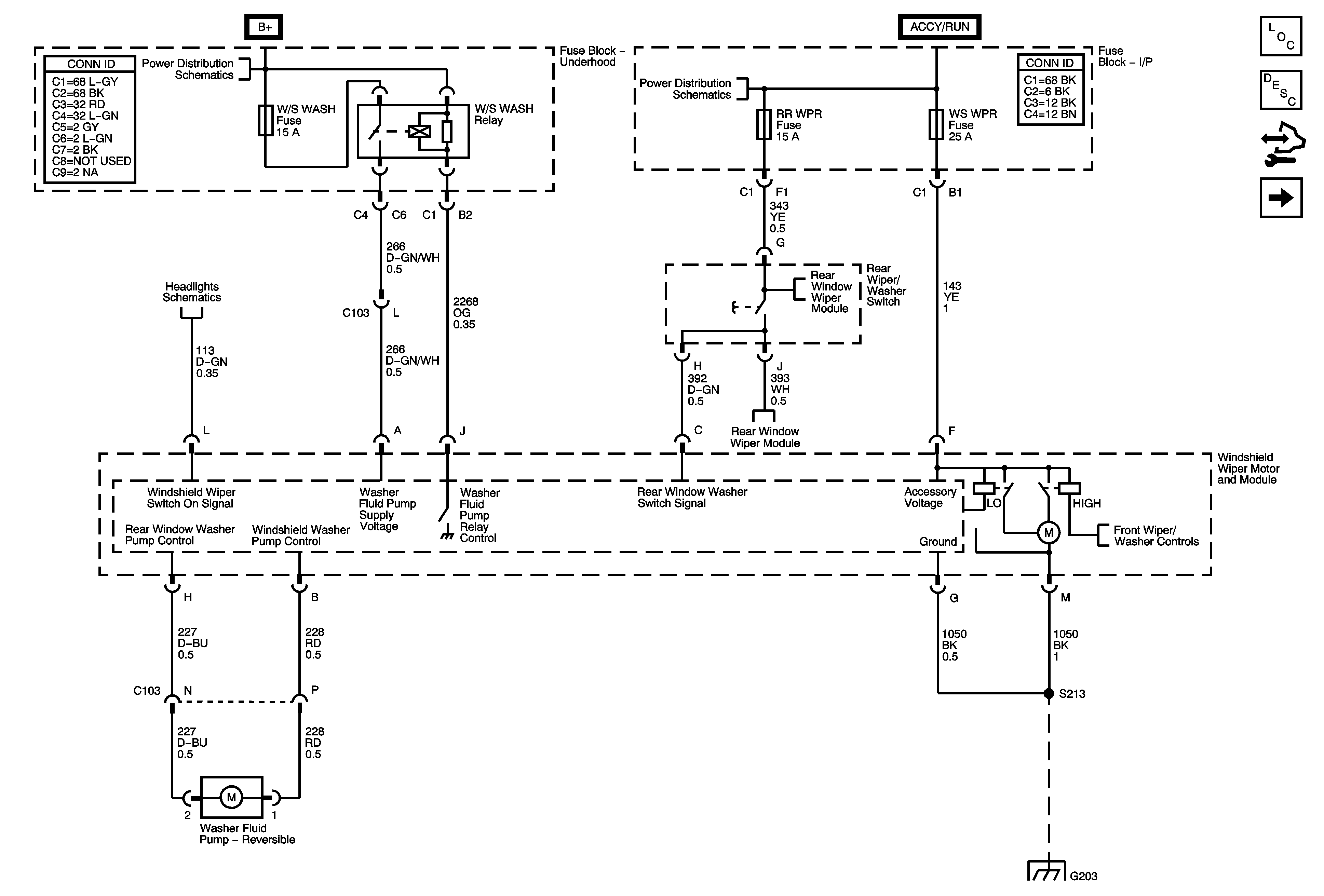
Front Wiper/Washer Controls


Object Number: 1806438  Size: FS
Master Electrical Component List
Wiper/Washer System Description and Operation
Control Module References
Rear Wiper/Washer Controls and Washer Fluid Level Sensor
Front Wiper/Washer Power, Ground, and Motors
Front Wiper/Washer Power, Ground, and Motors
Heated Washers - 2 of 2
G200
G200
Figure 3:

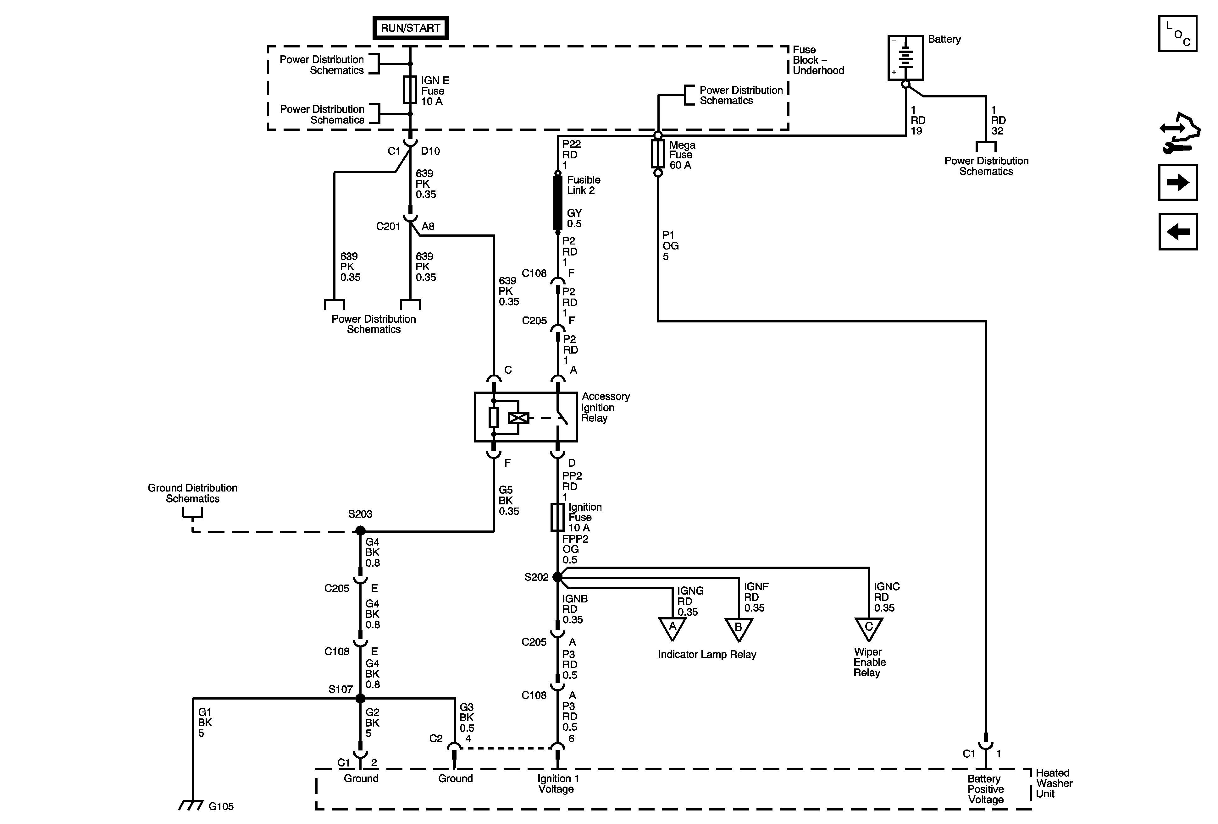
Rear Wiper Controls and Washer Fluid Level Sensor


Object Number: 1806444  Size: FS
Master Electrical Component List
Wiper/Washer System Description and Operation
Control Module References
Heated Washers - 1 of 2
Front Wiper/Washer Controls
Ignition Switch - ACCY/RUN and RUN/START Bus Bars, and IGN B Fuse
Front Wiper/Washer Power, Ground, and Motors
B+ Bus
Interior Lights Controls, BCM, and Door Ajar Switches
G100 and G105
G402, G405, and G410
Figure 4:

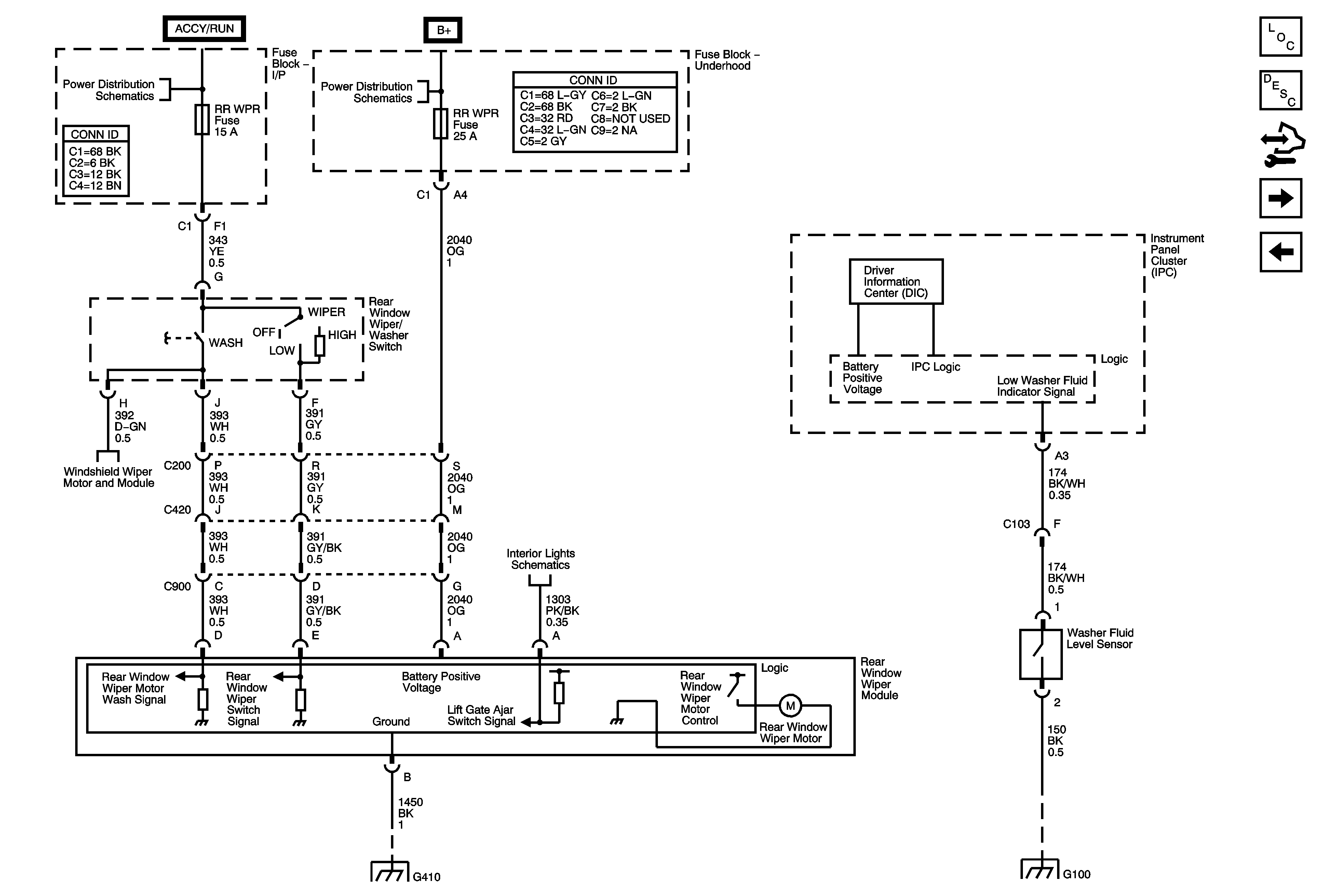
Heated Washers -- 1 of 2


Object Number: 1806485  Size: FS
Master Electrical Component List
Control Module References
Heated Washers - 2 of 2
Rear Wiper/Washer Controls and Washer Fluid Level Sensor
Ignition Switch - ACCY/RUN and RUN/START Bus Bars, and IGN B Fuse
IGN E, SEO IGN, and SIR Fuses
IGN E, SEO IGN, and SIR Fuses
B+ Bus
B+ Bus
Heated Washers - 2 of 2
G100 and G105
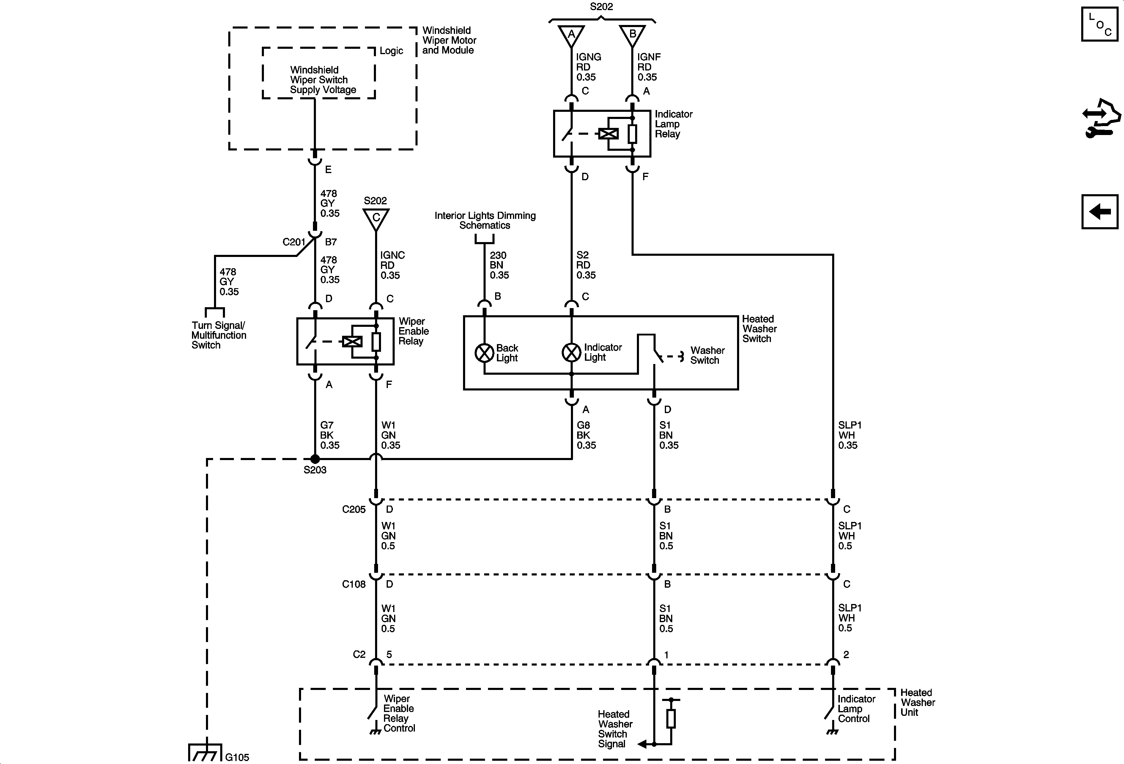
Figure 5:

Heated Washers -- 2 of 2


Object Number: 1806499  Size: FS
Master Electrical Component List
Control Module References
Heated Washers - 1 of 2
Front Wiper/Washer Controls
Heated Washers - 1 of 2
Instrument Panel Dimming - 4 of 5
Heated Washers - 1 of 2
G100 and G105