GM Service Manual Online
For 1990-2009 cars only
Makes
🢒
HUMMER
🢒
2007
🢒
H2
🢒
Transmission/Transaxle
🢒
Shift Lock Control
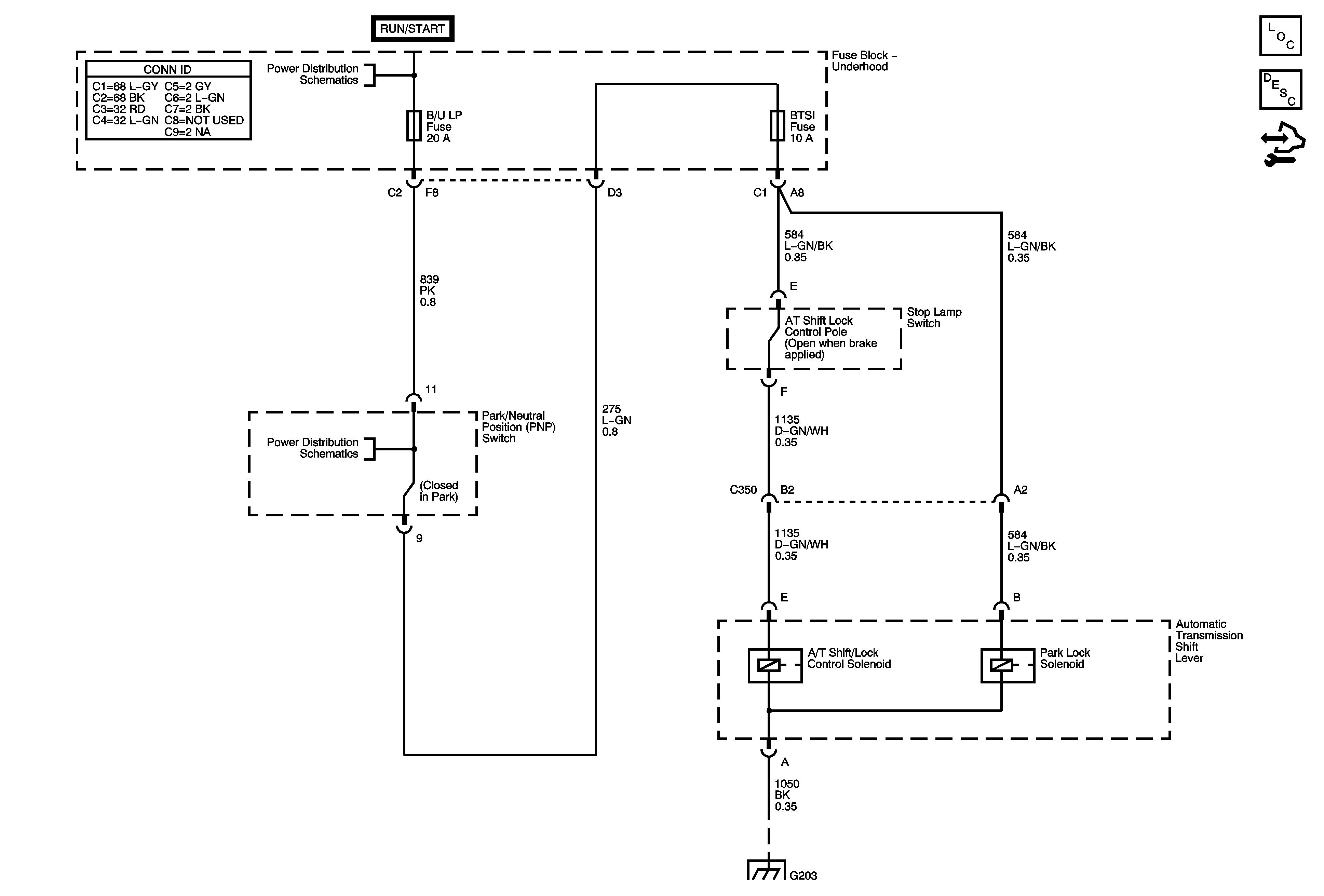
🢒 Shift Lock Control Schematics
Master Electrical Component List
Automatic Transmission Shift Lock Control Description and Operation
Control Module References
Ignition Switch - ACCY/RUN and RUN/START Bus Bars, and IGN B Fuse
B/U LP, BTSI, O2A, O2B, TBC IGN1, and TRL B/U Fuses
G203 - 1 of 3