GM Service Manual Online
For 1990-2009 cars only
Makes
🢒
HUMMER
🢒
2007
🢒
H2
🢒
Transmission/Transaxle
🢒
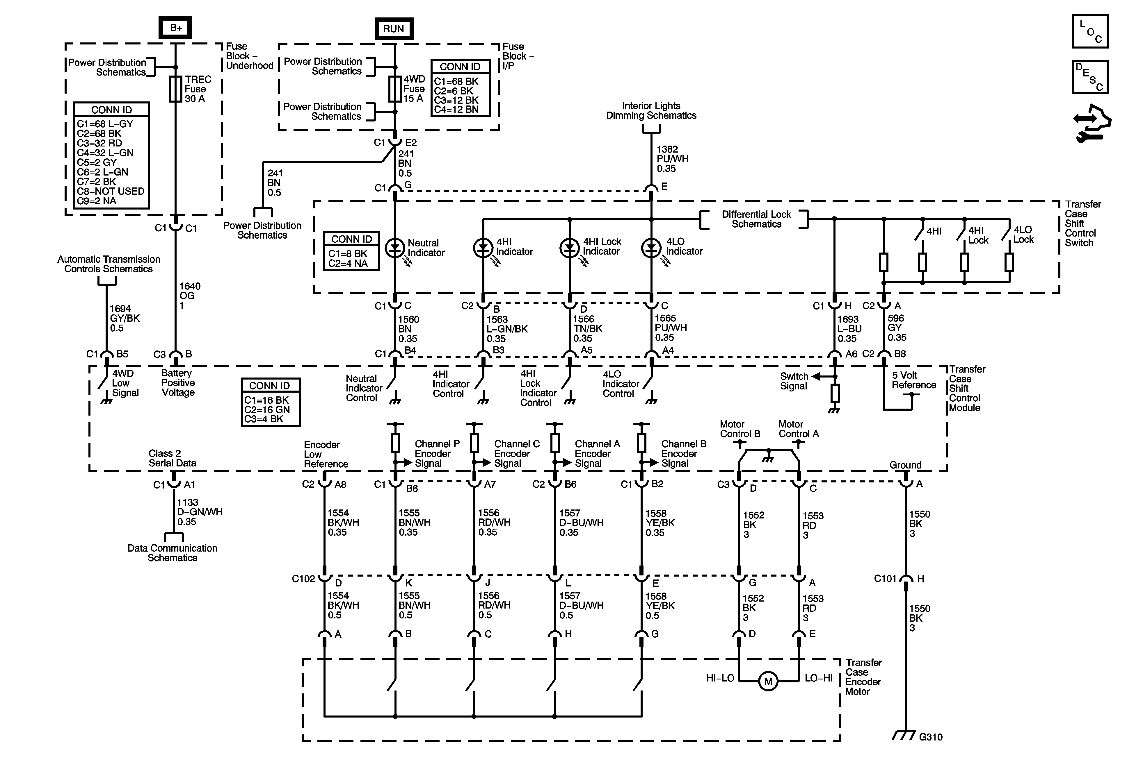
Transfer Case - BW 4484
🢒 Transfer Case Control Schematics
Master Electrical Component List
Transfer Case Description and Operation
Control Module References
B+ Bus
PNP Switch, 4WD Signal, Serial Data, and Indicator
4WD, BRAKE, CRUISE, HVAC 1, and IGN 3 Fuses
Ignition Switch - ACY/RUN/START, RUN and Start Bus Bars, and CRANK and IGN A Fuses
4WD, BRAKE, CRUISE, HVAC 1, and IGN 3 Fuses
Instrument Panel Dimming - 1 of 5 and LED Dimming - 1 of 2
Differential Lock Schematics
Power, Ground, DLC and Splice Pack SP205