GM Service Manual Online
For 1990-2009 cars only
Makes
🢒
HUMMER
🢒
2007
🢒
H2
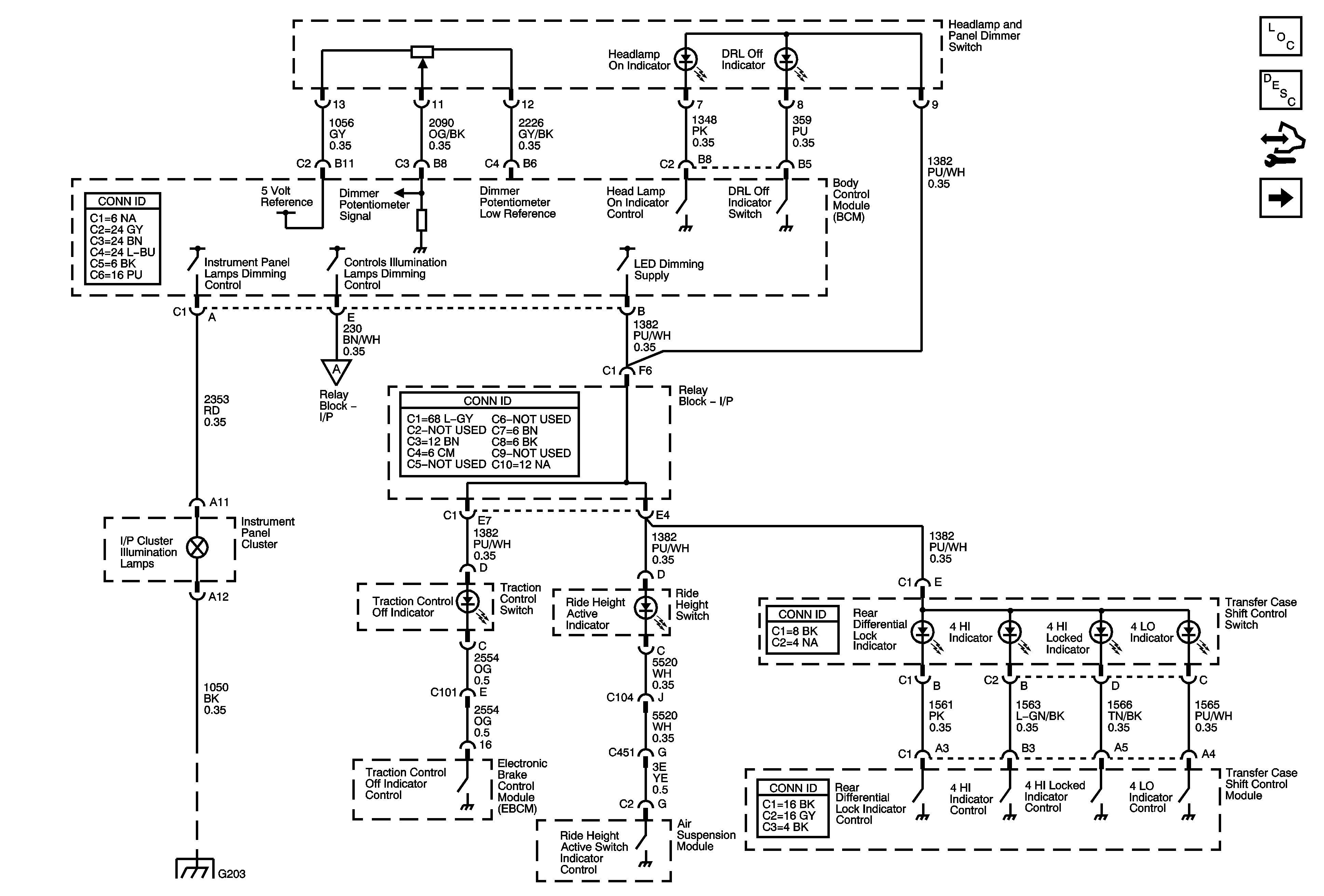
🢒 Instrument Panel Dimming - 1 of 5 and LED Dimming - 1 of 2
Instrument Panel Dimming - 1 of 5 and LED Dimming - 1 of 2
Instrument Panel Dimming - 1 of 5 and LED Dimming - 1 of 2
Master Electrical Component List
Interior Lighting Systems Description and Operation
Control Module References
07 H2 Interior Lights Dimming Schematics - Instrument Panel Dimming - 2 of 5
07 H2 Interior Lights Dimming Schematics - Instrument Panel Dimming - 2 of 5
G203 - 2 of 3