GM Service Manual Online
For 1990-2009 cars only
Makes
🢒
HUMMER
🢒
2007
🢒
H2
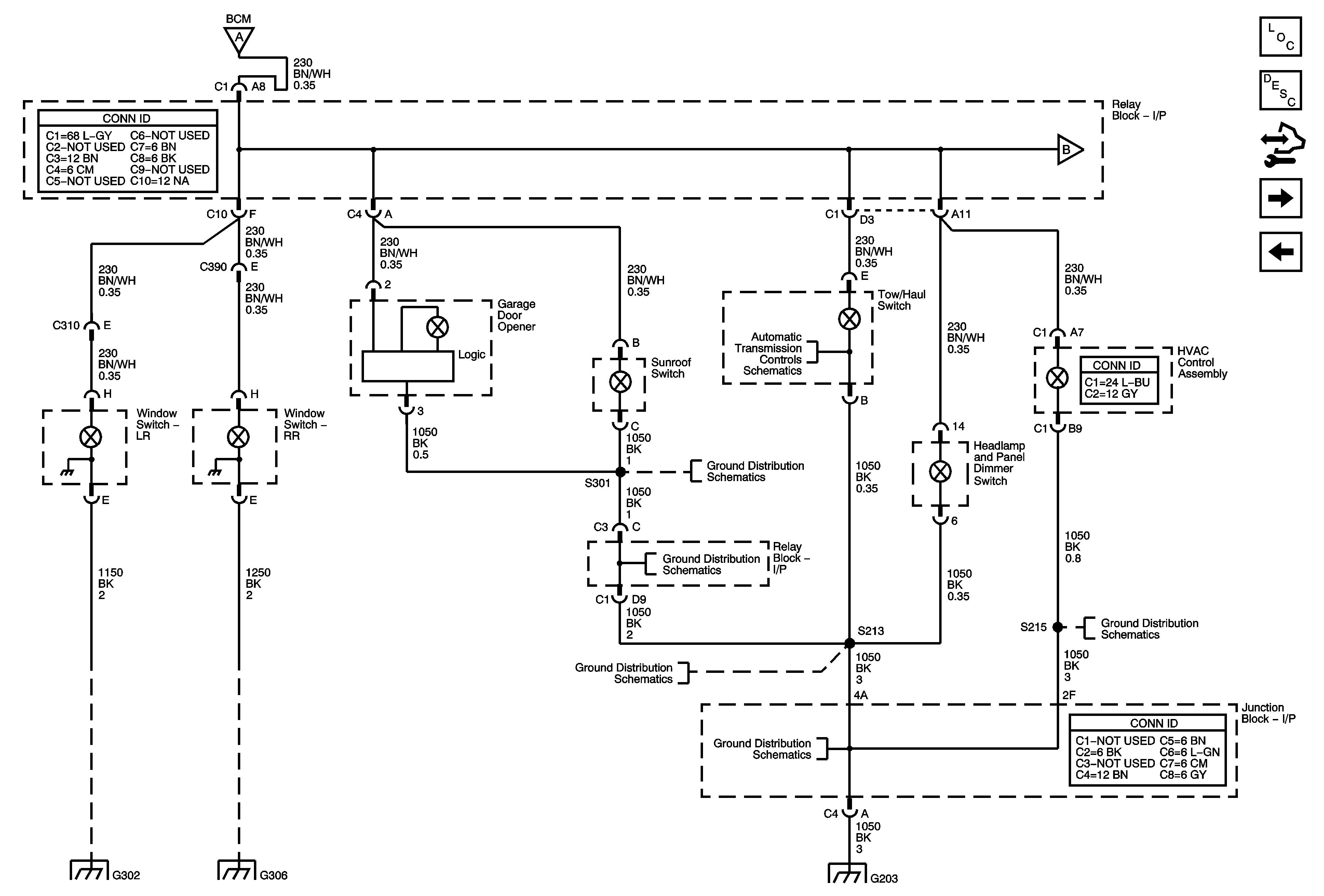
🢒 07 H2 Interior Lights Dimming Schematics - Instrument Panel Dimming - 2 of 5
07 H2 Interior Lights Dimming Schematics - Instrument Panel Dimming - 2 of 5
Instrument Panel Dimming - 2 of 5
Master Electrical Component List
Interior Lighting Systems Description and Operation
Control Module References
Instrument Panel Dimming - 3 of 5
Instrument Panel Dimming - 1 of 5 and LED Dimming - 1 of 2
Instrument Panel Dimming - 1 of 5 and LED Dimming - 1 of 2
Instrument Panel Dimming - 3 of 5
G203 - 1 of 3
G203 - 1 of 3
G203 - 1 of 3
G203 - 2 of 3
G203 - 2 of 3
G203 - 2 of 3
PNP Switch, 4WD Signal, Serial Data, and Indicator
G302, G304, and G306