GM Service Manual Online
For 1990-2009 cars only
Makes
🢒
HUMMER
🢒
2007
🢒
H2
🢒
Roof
🢒
Sunroof
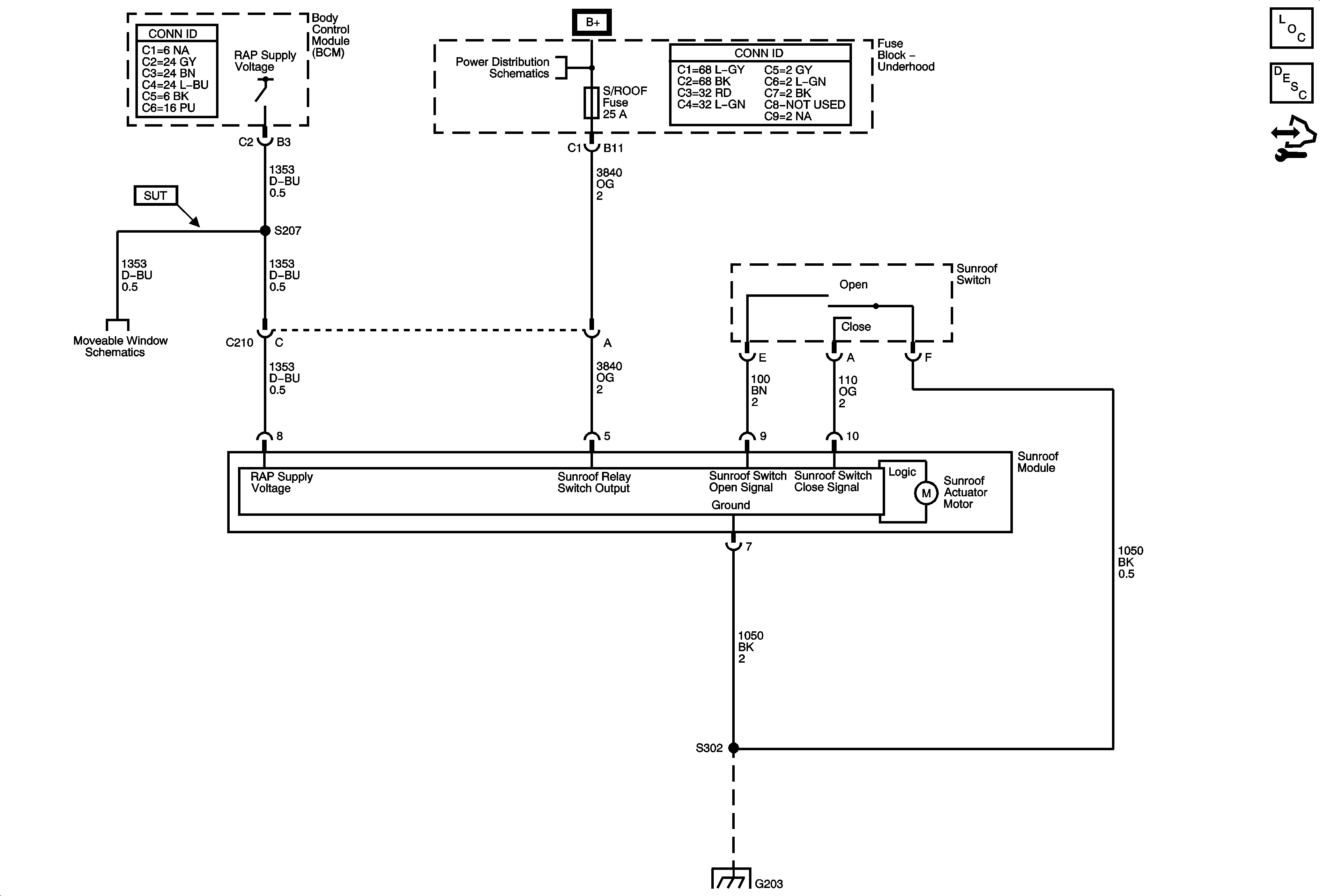
🢒 Sunroof Schematics
Master Electrical Component List
Sunroof Description and Operation
Control Module References
Midgate Window
B+ Bus
G203 - 1 of 3