GM Service Manual Online
For 1990-2009 cars only
Figure 1:

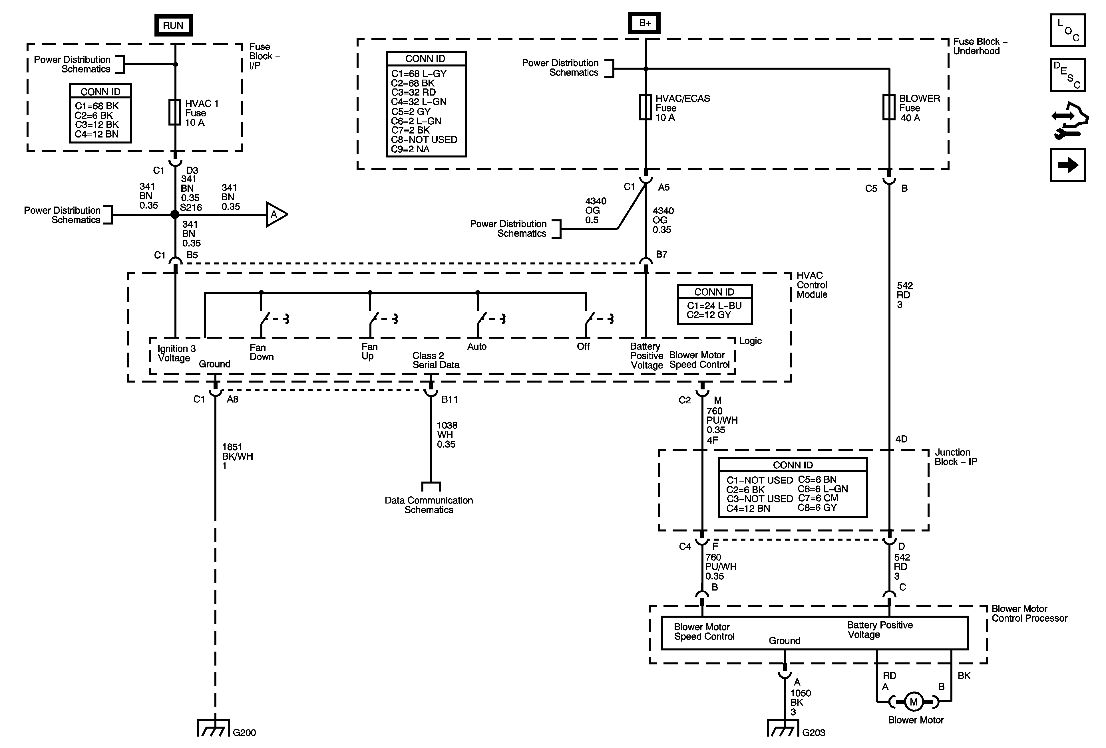
Power, Ground, Serial Data, and Blower Control


Object Number: 1803802  Size: FS
Master Electrical Component List
Air Delivery Description and Operation
Control Module References
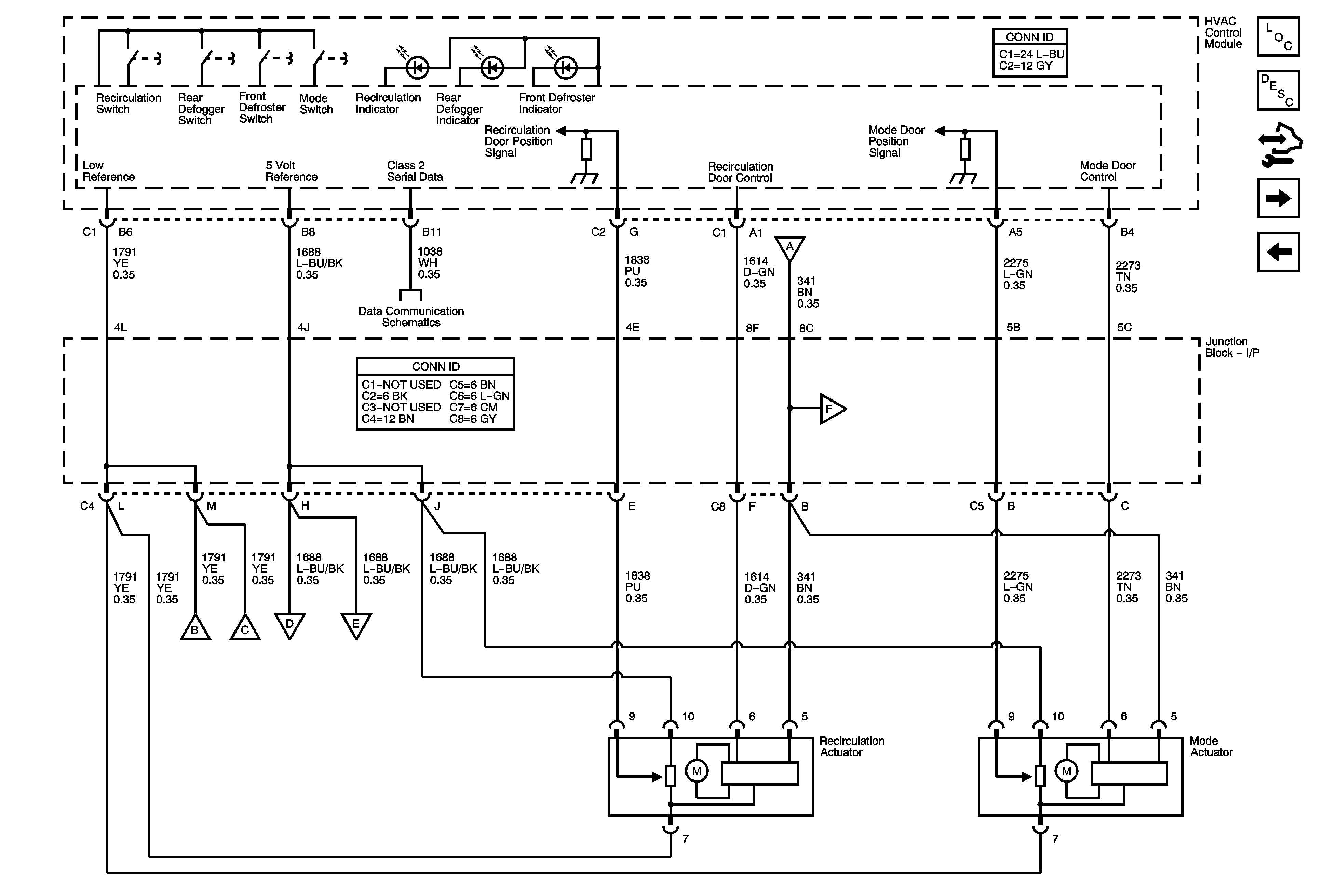
Mode and Recirculation Controls
Ignition Switch - ACY/RUN/START, RUN and Start Bus Bars, and CRANK and IGN A Fuses
4WD, BRAKE, CRUISE, HVAC 1, and IGN 3 Fuses
Mode and Recirculation Controls
HVAC/ECAS, IPC/DIC, PCM B, SEO B1, SEO B2, TBC BATT, and TREC Fuses
B+ Bus
G203 - 1 of 3
Power, Ground, DLC and Splice Pack SP205
G200
Figure 2:

Mode and Recirculation Controls


Object Number: 1803805  Size: FS
Master Electrical Component List
Air Delivery Description and Operation
Control Module References
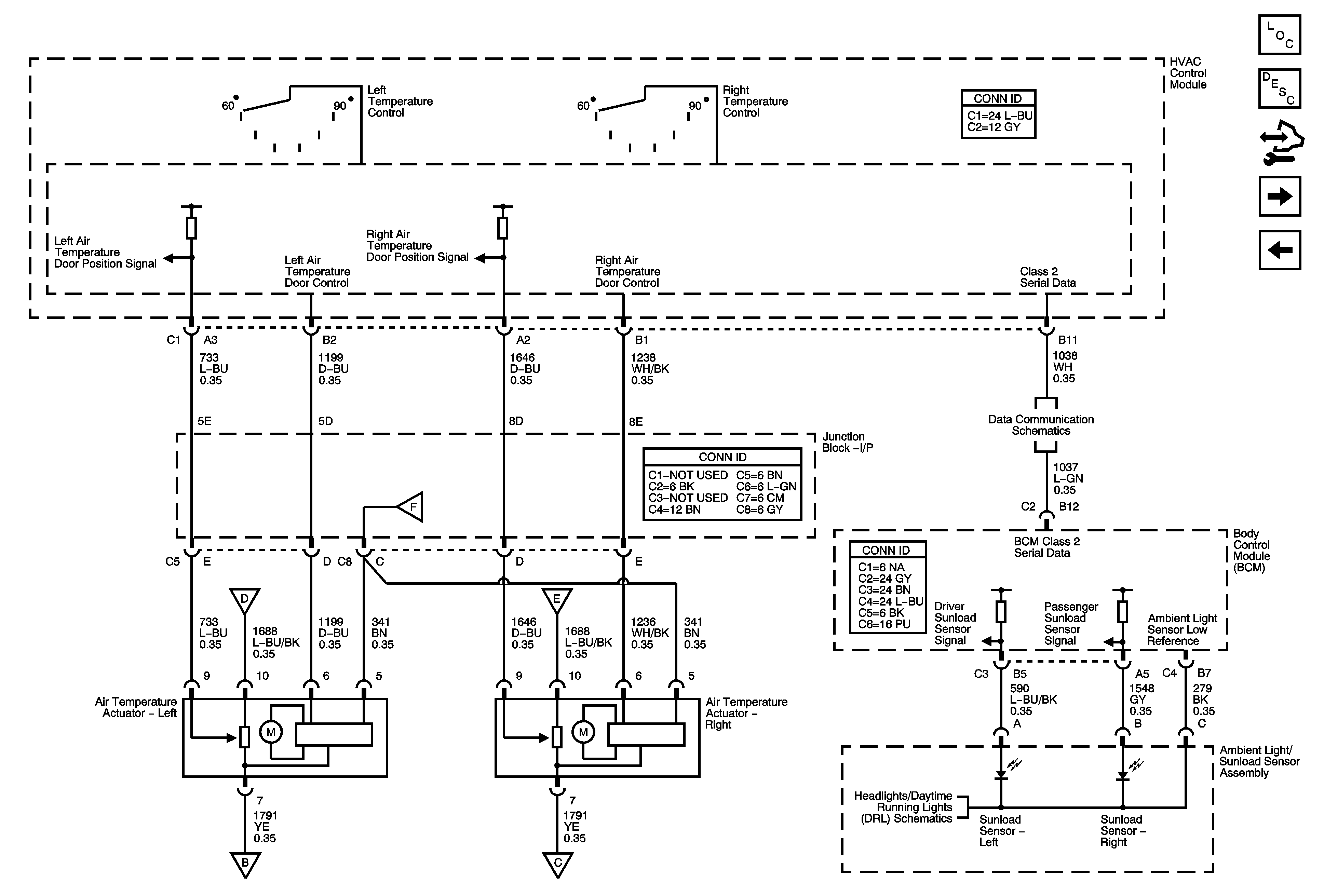
Temperature Controls and Sunload Signals
Power, Ground, Serial Data, and Blower Control
Temperature Controls and Sunload Signals
Power, Ground, DLC and Splice Pack SP205
Power, Ground, Serial Data, and Blower Control
Temperature Controls and Sunload Signals
Figure 3:

Temperature Controls and Sunload Signals


Object Number: 1803808  Size: FS
Master Electrical Component List
Air Temperature Description and Operation
Control Module References
Temperature Sensors
Mode and Recirculation Controls
Mode and Recirculation Controls
Mode and Recirculation Controls
Mode and Recirculation Controls
Mode and Recirculation Controls
Mode and Recirculation Controls
Power, Ground, DLC and Splice Pack SP205
Headlamp Control
Figure 4:

Temperature Sensors


Object Number: 1803811  Size: FS
Master Electrical Component List
Air Temperature Description and Operation
Control Module References
Compressor Controls
Temperature Controls and Sunload Signals
G203 - 2 of 3
G203 - 2 of 3
G203 - 2 of 3
Figure 5:

Compressor Controls


Object Number: 1803816  Size: FS
Master Electrical Component List
Air Temperature Description and Operation
Control Module References
Temperature Sensors
B+ Bus
Ignition Switch - ACCY/RUN and RUN/START Bus Bars, and IGN B Fuse
IGN E, SEO IGN, and SIR Fuses
Power, Ground, DLC and Splice Pack SP205
G104 and G106