GM Service Manual Online
For 1990-2009 cars only
Makes
🢒
HUMMER
🢒
2007
🢒
H2
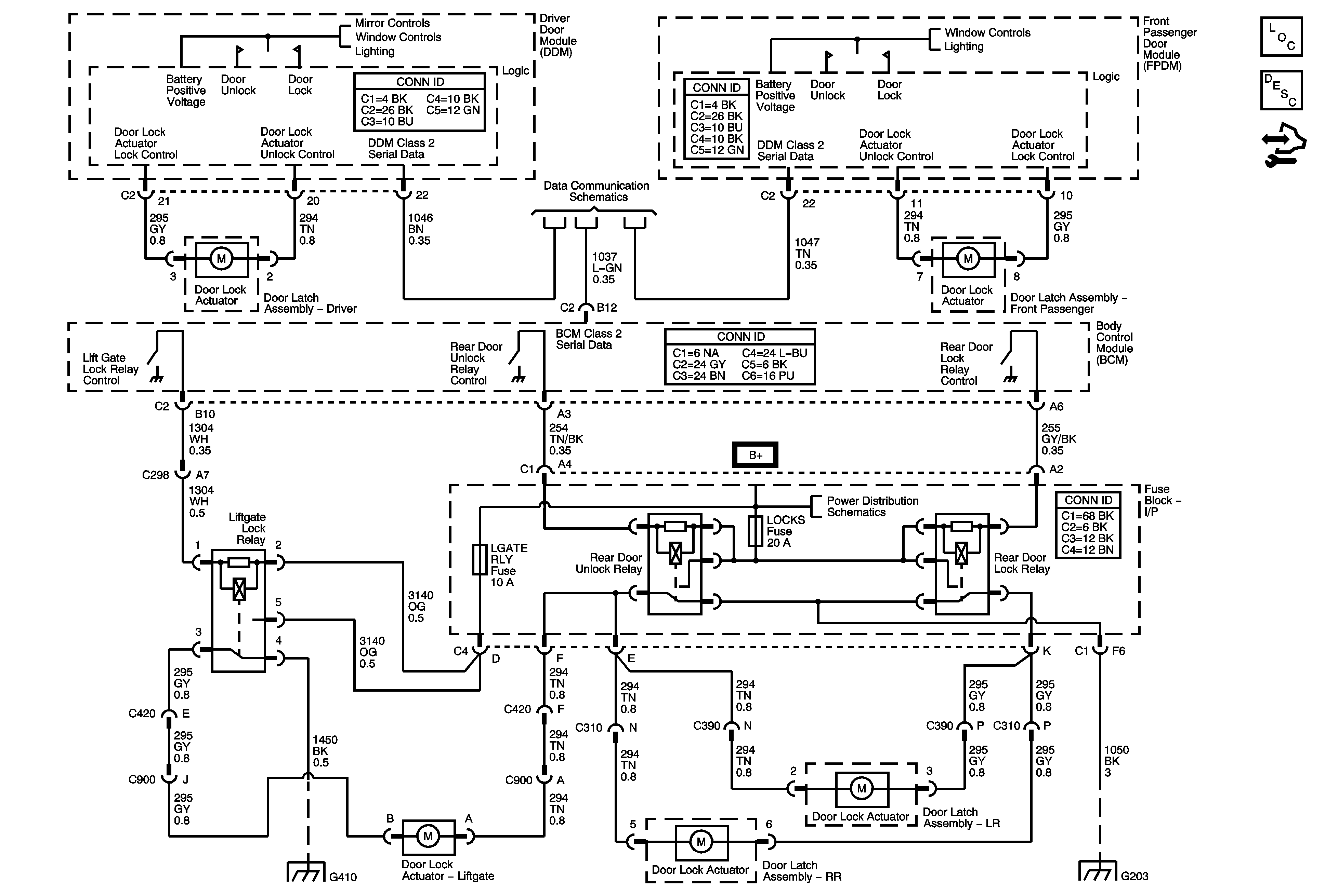
🢒 Door Lock Schematics
Door Lock Schematics
Master Electrical Component List
Power Door Locks Description and Operation
Control Module References
Outside Rearview Mirror Schematics
Front Door Windows
Instrument Panel Dimming - 5 of 5 and LED Dimming - 2 of 2
Power, Ground, DLC and Splice Pack SP205
Front Door Windows
Instrument Panel Dimming - 5 of 5 and LED Dimming - 2 of 2
DDM, INFO, LBEC1, LBEC2, LGATE, LOCKS, PDM, TBC 2A, TBC 2B, and TBC 2C Fuses and LEFT DOOR and MIDGATE Circuit Breakers
G203 - 2 of 3
G402, G405, and G410