GM Service Manual Online
For 1990-2009 cars only
Makes
🢒
HUMMER
🢒
2007
🢒
H2
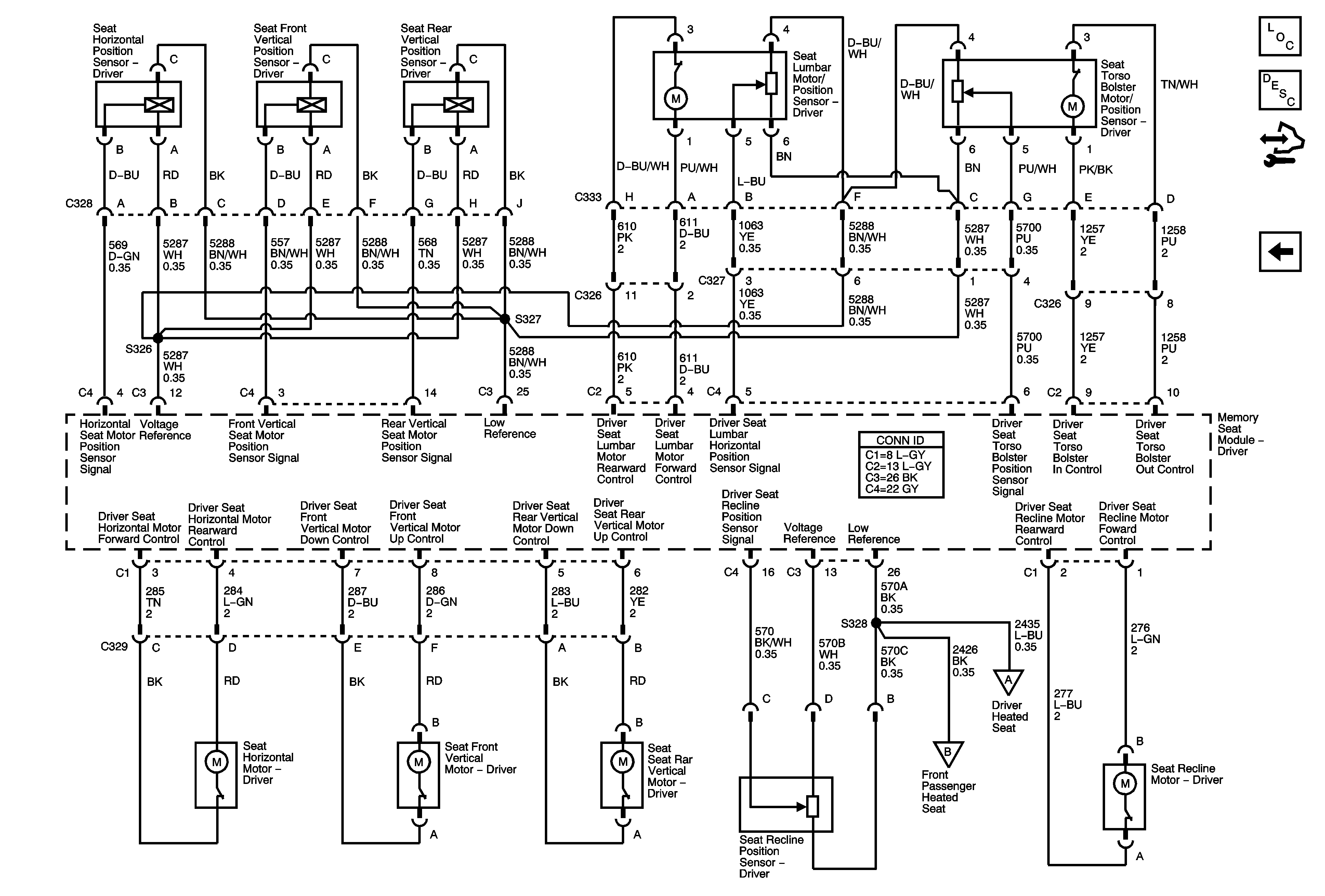
🢒 Position Sensors and Motors
Position Sensors and Motors
Position Sensors and Motors
Master Electrical Component List
Power Seats System Description and Operation
Control Module References
Memory Controls
Heated Driver Seat
Heated Passenger Seat