GM Service Manual Online
For 1990-2009 cars only
Makes
🢒
HUMMER
🢒
2006
🢒
H3
🢒
Vehicle Control Systems
🢒
Vehicle DTC Information
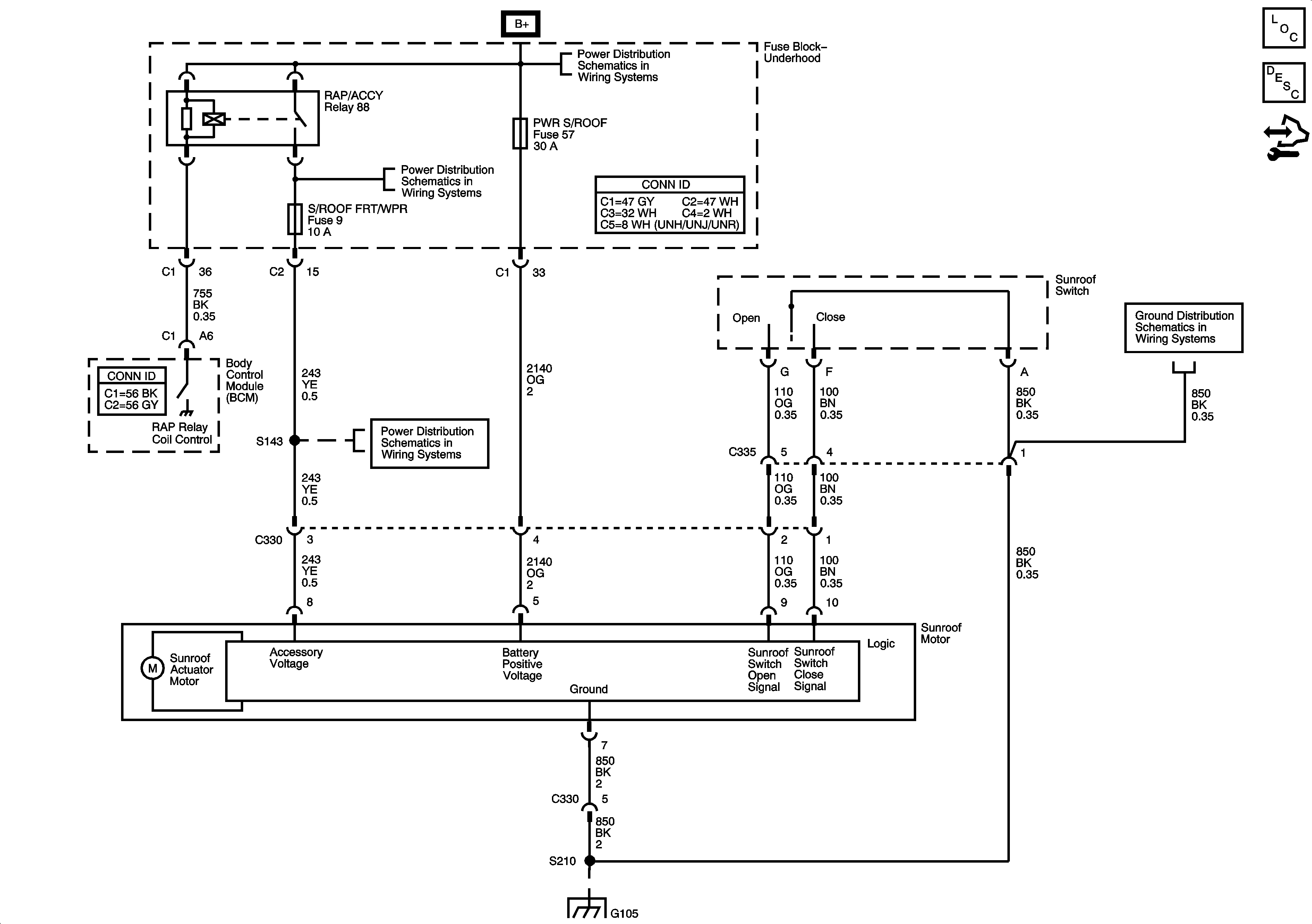
🢒 Sunroof Schematics
Master Electrical Component List
Sunroof Description and Operation
Control Module References
B+ Bus - Underhood Fuse Block - 1 of 2
ETC, LH PWR WNDW, OXY SENSOR, PWR SNRF/WPR/SW, REAR WPR, RH PWR WNDW, RR WSH PMP, and SPO OUTPUT Fuses
ETC, LH PWR WNDW, OXY SENSOR, PWR SNRF/WPR/SW, REAR WPR, RH PWR WNDW, RR WSH PMP, and SPO OUTPUT Fuses
G105
G105