GM Service Manual Online
For 1990-2009 cars only
Figure 1:

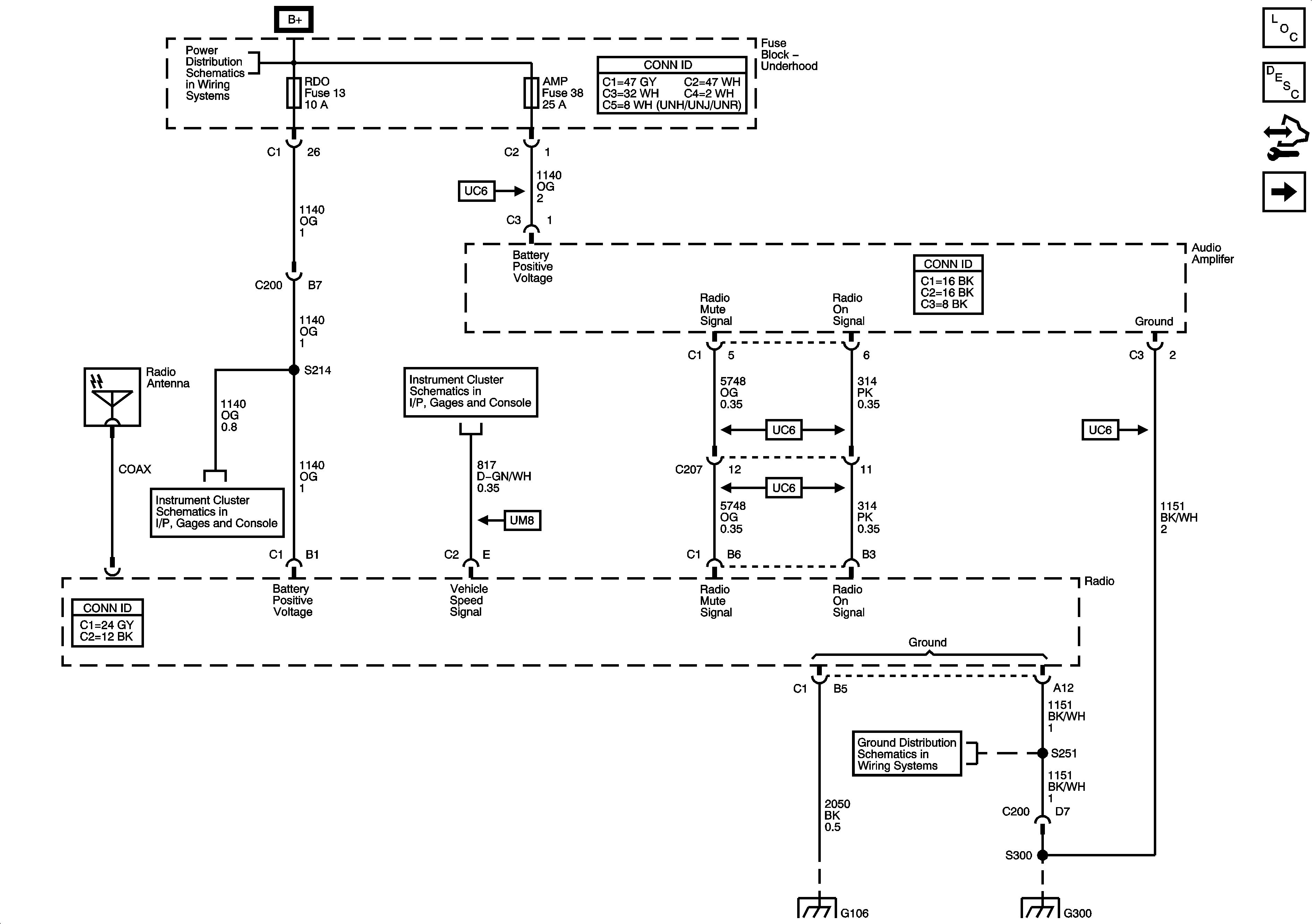
Audio Amplifier and Radio, Power, Ground, and Serial Data


Object Number: 1567008  Size: FS
Master Electrical Component List
Radio/Audio System Description and Operation
Control Module References
Audio Amplifier and Premium Radio Low Level Audio Outputs
B+ Bus - Underhood Fuse Block - 1 of 2
Gages
G300, G310, and G320
G106
G300, G310, and G320
Figure 2:

Audio Amplifier and Premium Radio Low Level Audio Outluts


Object Number: 1567009  Size: FS
Master Electrical Component List
Radio/Audio System Description and Operation
Control Module References
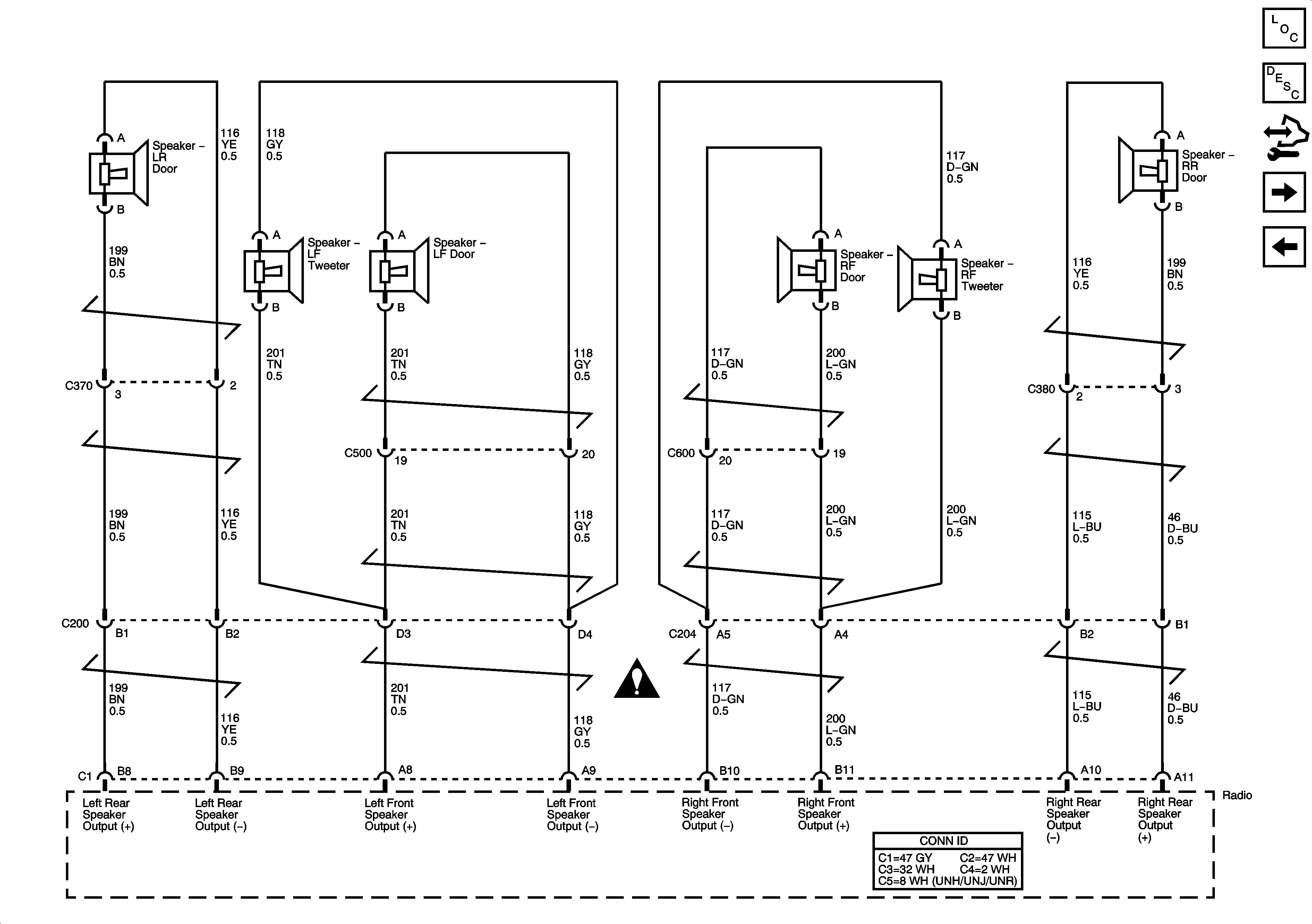
Base Radio Speakers
Audio Amplifier and Radio, Power, Ground, and Serial Data
Entertainment Schematic Icons
Figure 3:

Base Radio Speakers


Object Number: 1567010  Size: FS
Master Electrical Component List
Radio/Audio System Description and Operation
Control Module References
Premium Radio Speakers
Audio Amplifier and Premium Radio Low Level Audio Outputs
Entertainment Schematic Icons
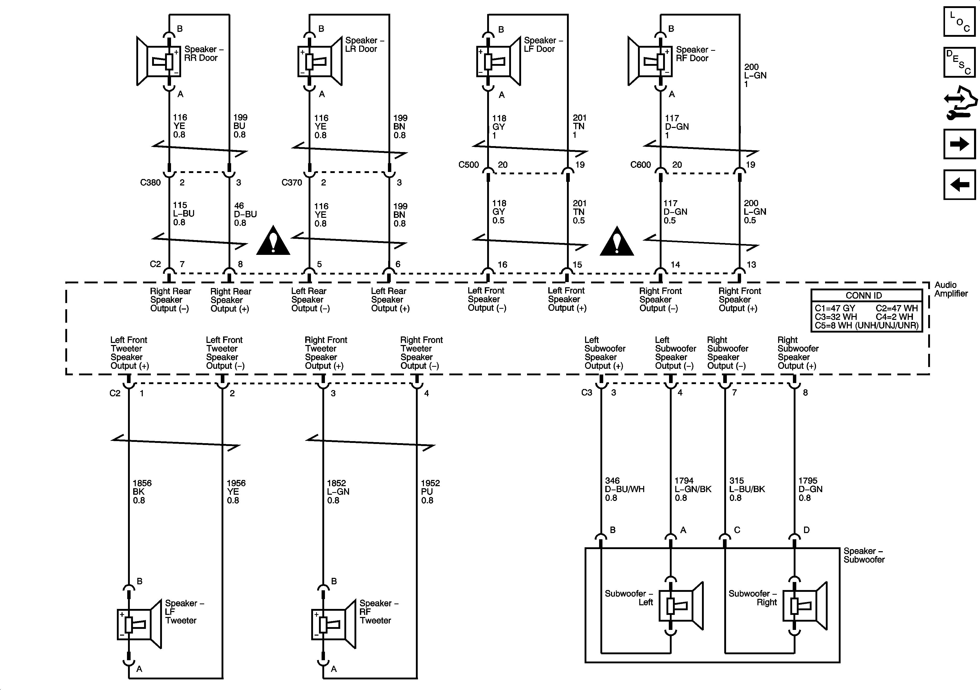
Figure 4:

Premium Radio Speakers


Object Number: 1567012  Size: FS
Master Electrical Component List
Radio/Audio System Description and Operation
Control Module References
Digital Radio Receiver (U2K)
Base Radio Speakers
Entertainment Schematic Icons
Entertainment Schematic Icons
Figure 5:

Digital Radio Receiver (U2K)


Object Number: 1567013  Size: FS
Master Electrical Component List
Radio/Audio System Description and Operation
Control Module References
Premium Radio Speakers
B+ Bus - Underhood Fuse Block - 1 of 2
Data Link Connector (DLC) Schematics
G300, G310, and G320