GM Service Manual Online
For 1990-2009 cars only
Makes
🢒
HUMMER
🢒
2006
🢒
H3
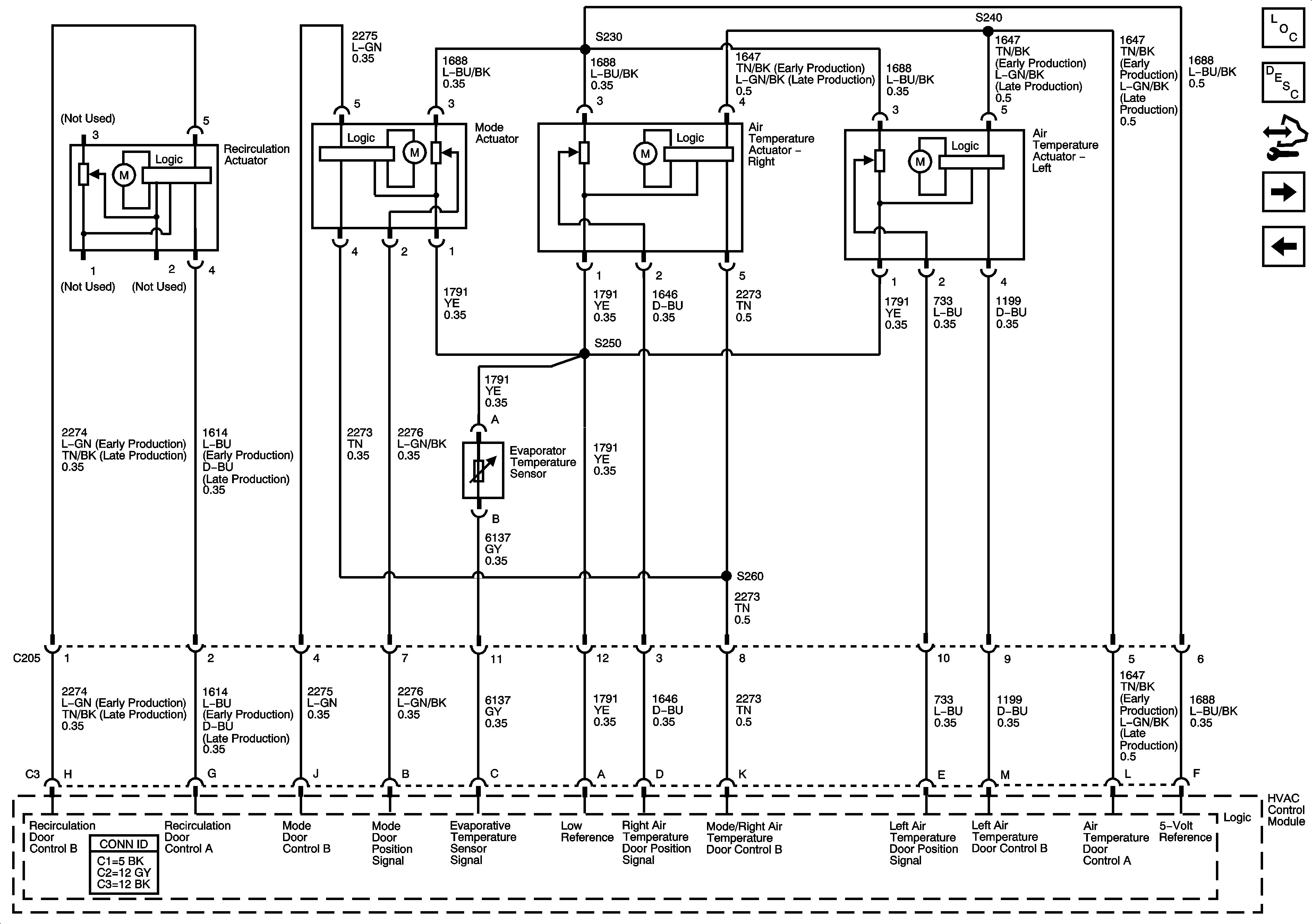
🢒 Mode, Recirculation, and Temperature Controls
Mode, Recirculation, and Temperature Controls
Mode, Recirculation, and Temperature Controls
Master Electrical Component List
Air Delivery Description and Operation
Control Module References
Compressor COntrols
Module Power, Ground, and Blower Motor