GM Service Manual Online
For 1990-2009 cars only
Makes
🢒
HUMMER
🢒
2006
🢒
H3
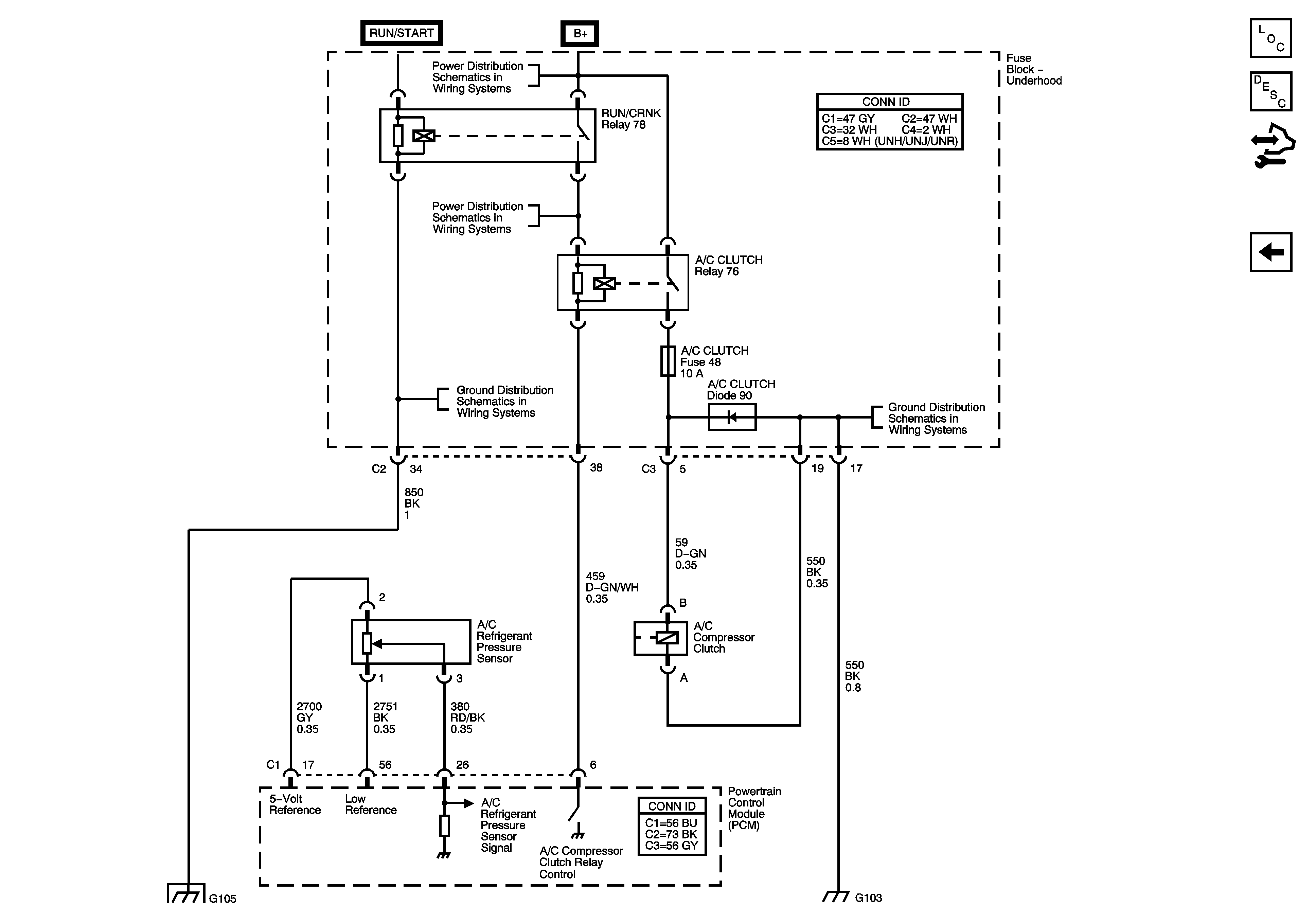
🢒 Compressor COntrols
Compressor COntrols
Compressor Controls
Master Electrical Component List
Air Delivery Description and Operation
Control Module References
Mode, Recirculation, and Temperature Controls
B+ Bus - Underhood Fuse Block - 1 of 2
RUN/CRNK Relay Bus - 1 of 3, AIRBAG, CRUISE/MISC, and TRANS Fuses
G105
G100, G102, G103, G104, G110, and G120
G105
G100, G102, G103, G104, G110, and G120