GM Service Manual Online
For 1990-2009 cars only
Makes
🢒
HUMMER
🢒
2006
🢒
H3
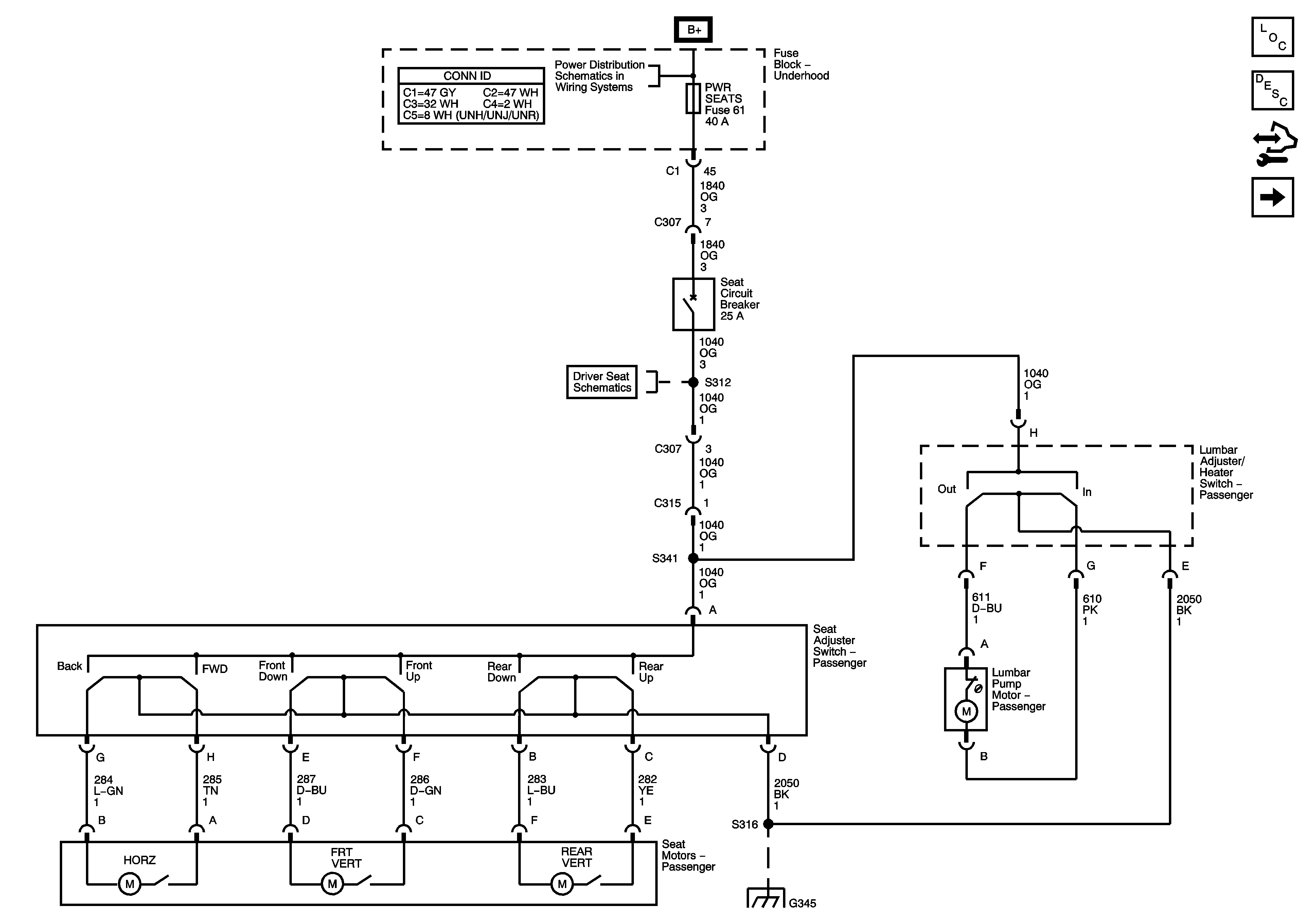
🢒 Lumbar Controls and Power Seat
Lumbar Controls and Power Seat
Lumbar Controls and Power Seat
Master Electrical Component List
Heated Seats Description and Operation
Control Module References
Heat Controls
B+ Bus - Underhood Fuse Block - 1 of 2
Lumbar Controls and Power Seat
G340 and G345