GM Service Manual Online
For 1990-2009 cars only
Makes
🢒
HUMMER
🢒
2006
🢒
H3
🢒 Heat Controls
Heat Controls
Heat Controls
Master Electrical Component List
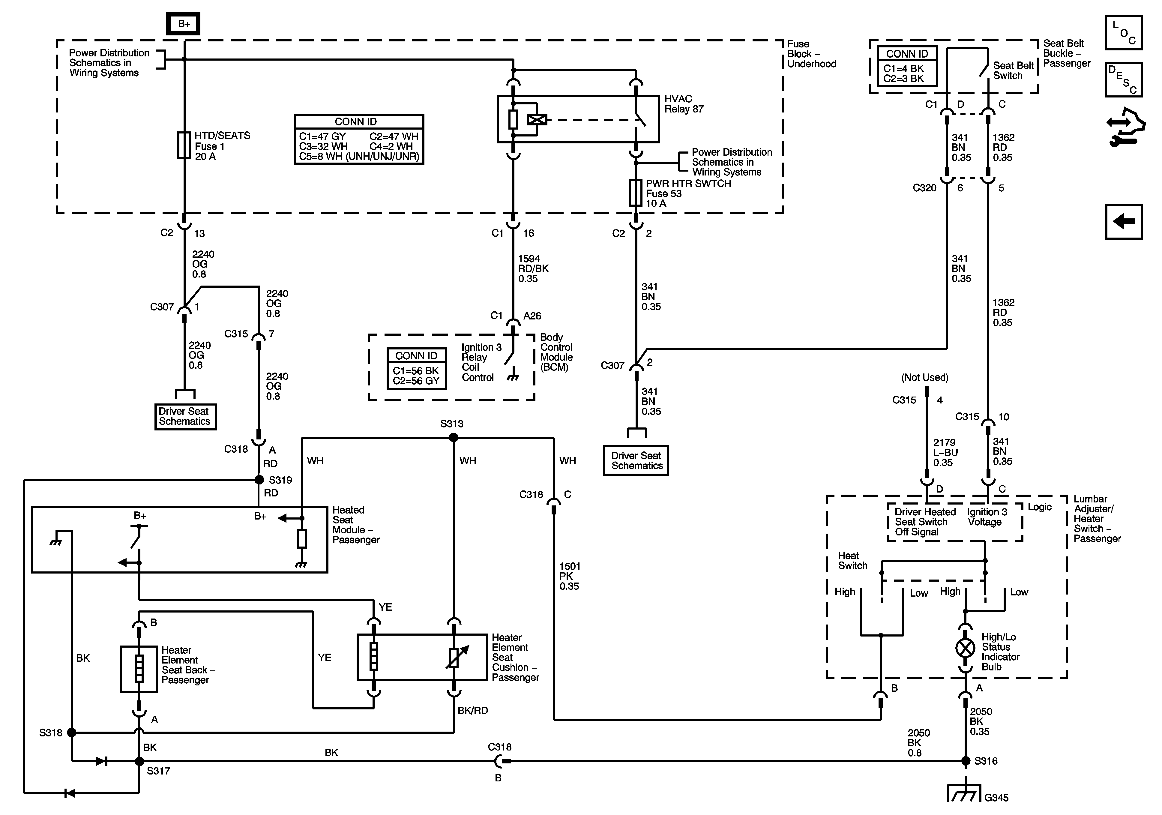
Heated Seats Description and Operation
Control Module References
Lumbar Controls and Power Seat
B+ Bus - Underhood Fuse Block - 1 of 2
HVAC BLWR, HVAC CNTRL HD, PWR HTR SWTCH, TCCM SWTCH, and VSES/ABS Fuses
Heat Controls
G340 and G345
B+ Bus - Underhood Fuse Block - 1 of 2