GM Service Manual Online
For 1990-2009 cars only
Makes
🢒
HUMMER
🢒
2007
🢒
H3
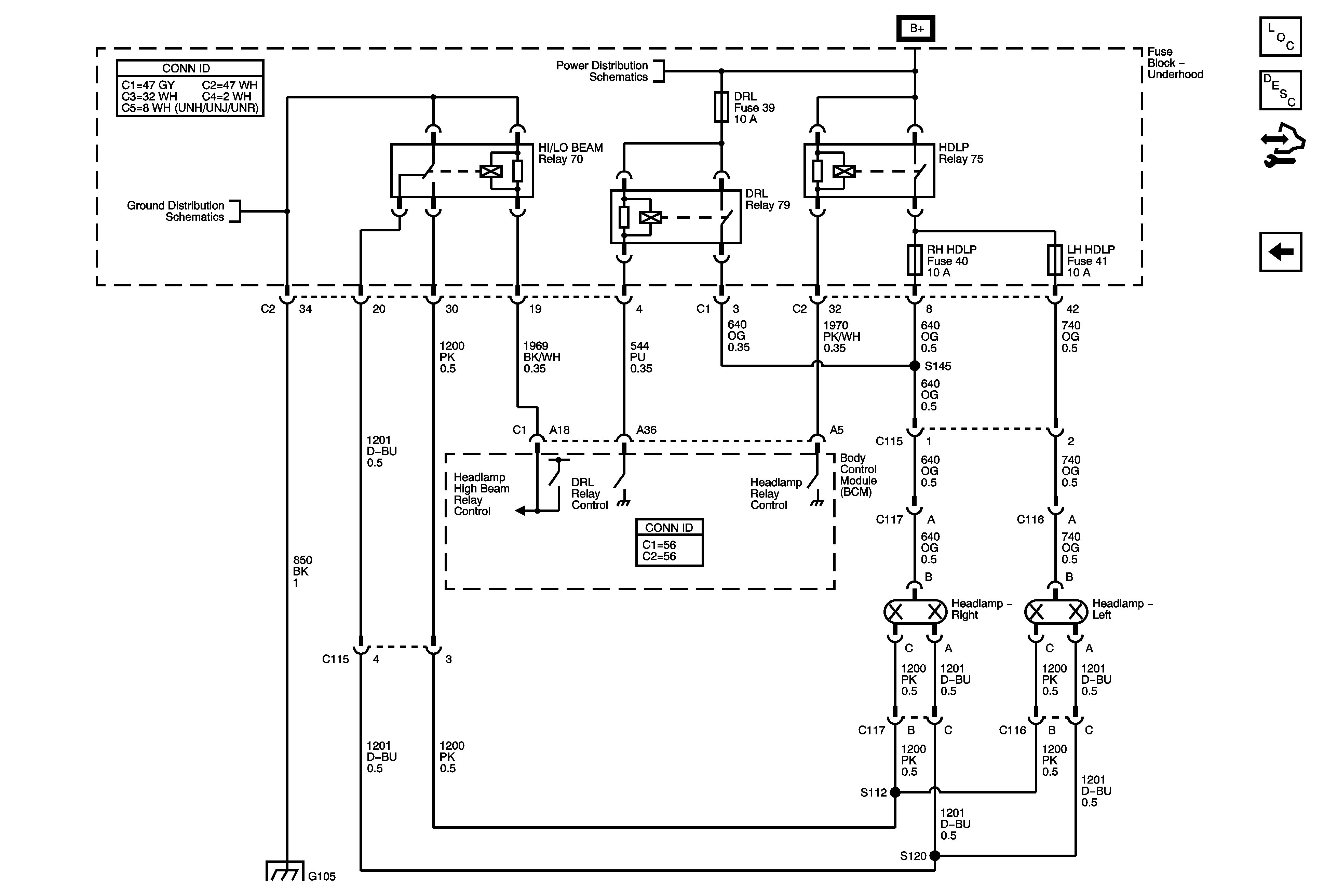
🢒 Headlamps
Headlamps
Headlamps
Master Electrical Component List
Exterior Lighting Systems Description and Operation
Control Module References
Ambient Light Sensor, Headlamp Controls and Switches
B+ Bus - Underhood Fuse Block - 2 of 2
G105
G105